Compressor Assembly Automatic Level Control Air Replacement Dual Compressors
Removal Procedure
Caution: Do NOT remove an air supply pipe in an attempt to depressurize the air suspension.
Always follow the Air Suspension Depressurization Procedure in Air Suspension. Failure
to follow this procedure may cause personal injury or damage to the vehicle.
- Depressurize the air suspension system. Refer to
Air Suspension Depressurization
.
- Raise and support the vehicle. Refer to
Lifting and Jacking the Vehicle
.
- Support the compressor assembly with a suitable stand.
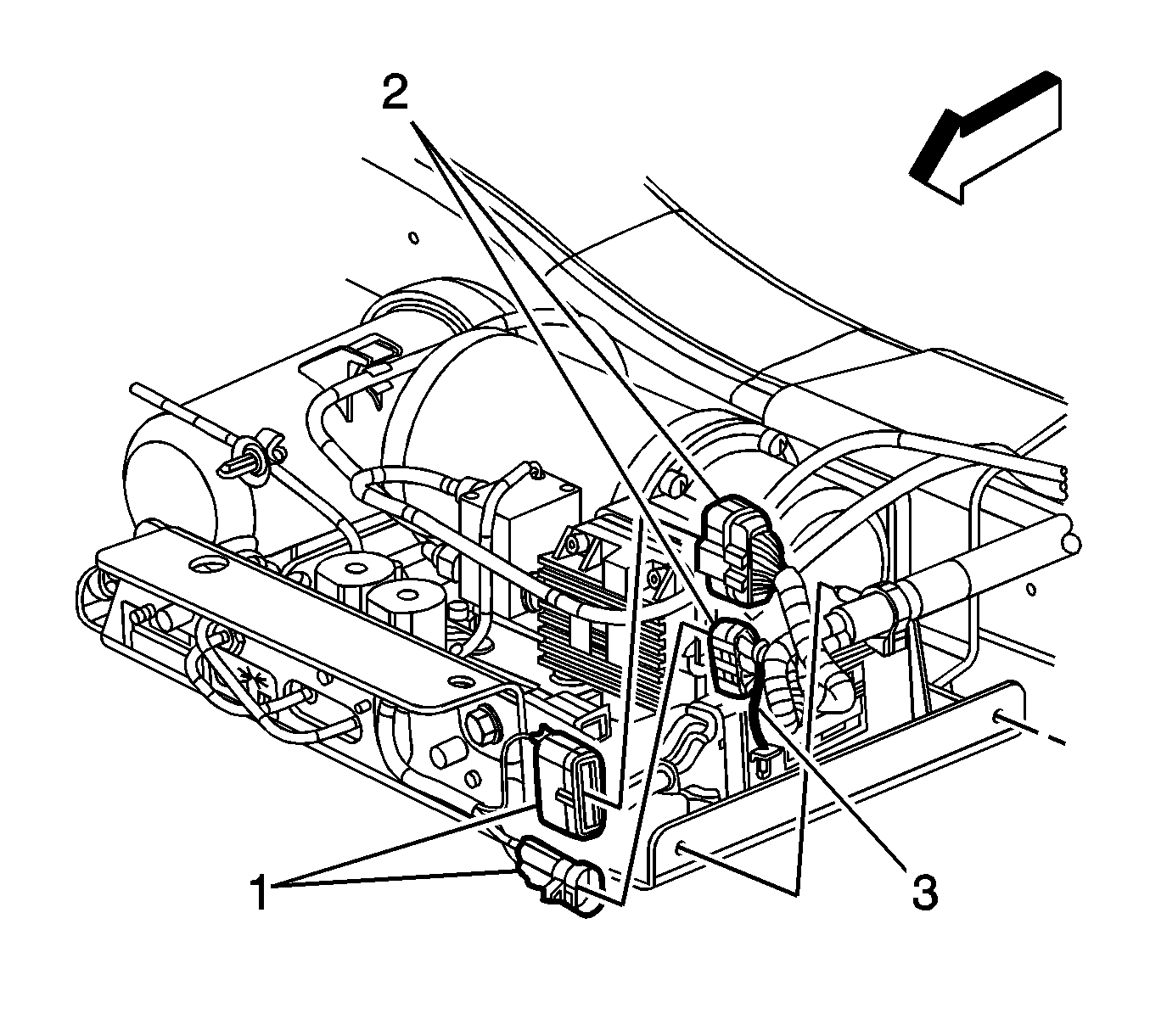
- Remove the connector position assurance (CPA) retainer (3).
- Disconnect the air inflator switch and air spring compressor electrical connectors (1, 2).
- Remove the rear compressor mounting bolts (1).
- Remove the ground strap bolt (1).
- Remove the ground strap (2) from the frame.
- Remove the front compressor mounting bolt (3).
Important: Note the port location of the air lines for reassembly.
- Disconnect the air lines. Refer to
Air Suspension Air Line Replacement
.
- Remove the compressor assembly from the vehicle.
Installation Procedure
- Install the compressor assembly to the vehicle.
Important: Check the air supply lines for deep scores or cuts. If the air supply lines are damaged the lines must be replaced.
Notice: Refer to Fastener Notice in the Preface section.
- Install the air lines.
- Install the rear air spring compressor mounting bolts (1).
Tighten
Tighten the bolts to 50 N·m (37 lb ft).
- Install the front air spring compressor mounting bolt (3).
Tighten
Tighten the bolts to 50 N·m (37 lb ft).
- Install the ground strap (3) to the frame.
- Install the ground strap bolt (1).
Tighten
Tighten bolt to 6 N·m (53 lb in).
- Connect the air spring compressor and air inflator switch electrical connectors (1, 2).
- Install the CPA retainer (3).
- Remove the support from the compressor.
Important: If the rear axle was allowed to hang unsupported, lower the vehicle far enough to allow the air spring to be manually engaged to the support on the axle tube with minimal distortion of the air spring bladder. Ensure that
the air spring is fully engaged to the axle support.
- Pressurize the air springs. Refer to
Air Suspension Pressurization
.
- Lower the vehicle.
- Start the vehicle and run for approximately 2 minutes to ensure that the air spring leveling system is functioning properly.
- Verify the D height. Refer to
Trim Height Specifications
.
- Re-calibrate the trim height. Refer to
Suspension Position Calibration
.
- Check for leaks. If a leak is found at the air supply line connections replace the air supply lines. Refer to
Air Suspension Air Line Replacement
.