GM Service Manual Online
For 1990-2009 cars only
Figure 1:

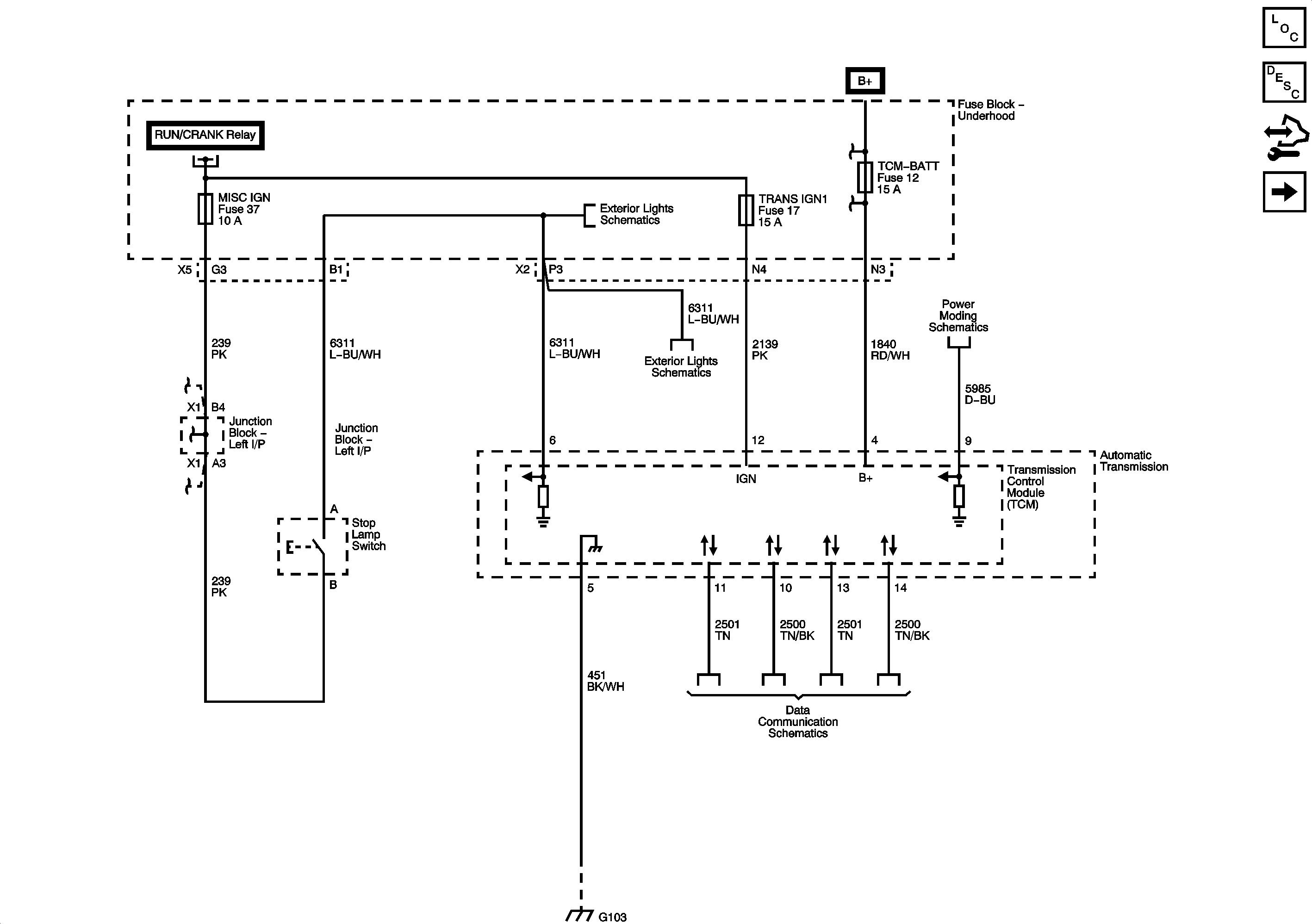
Module Power, Ground, Serial Data and Stop Lamp Signal


Object Number: 1955261  Size: FS
Master Electrical Component List
Transmission Component and System Description
Control Module References
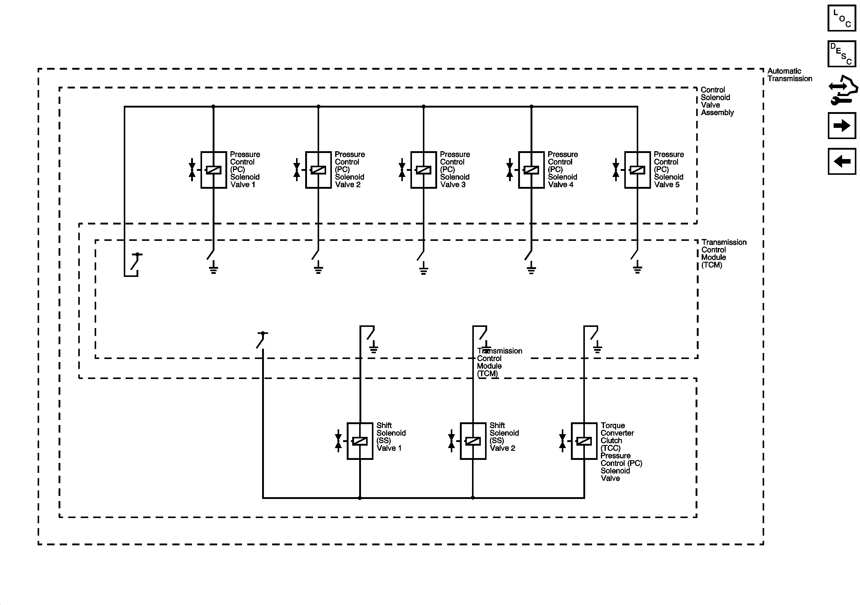
Pressure Controls - 1 of 2 and Shift Controls
Figure 2:

Pressure Controls - 1 of 2 and Shift Controls


Object Number: 1955265  Size: FS
Master Electrical Component List
Transmission Component and System Description
Control Module References
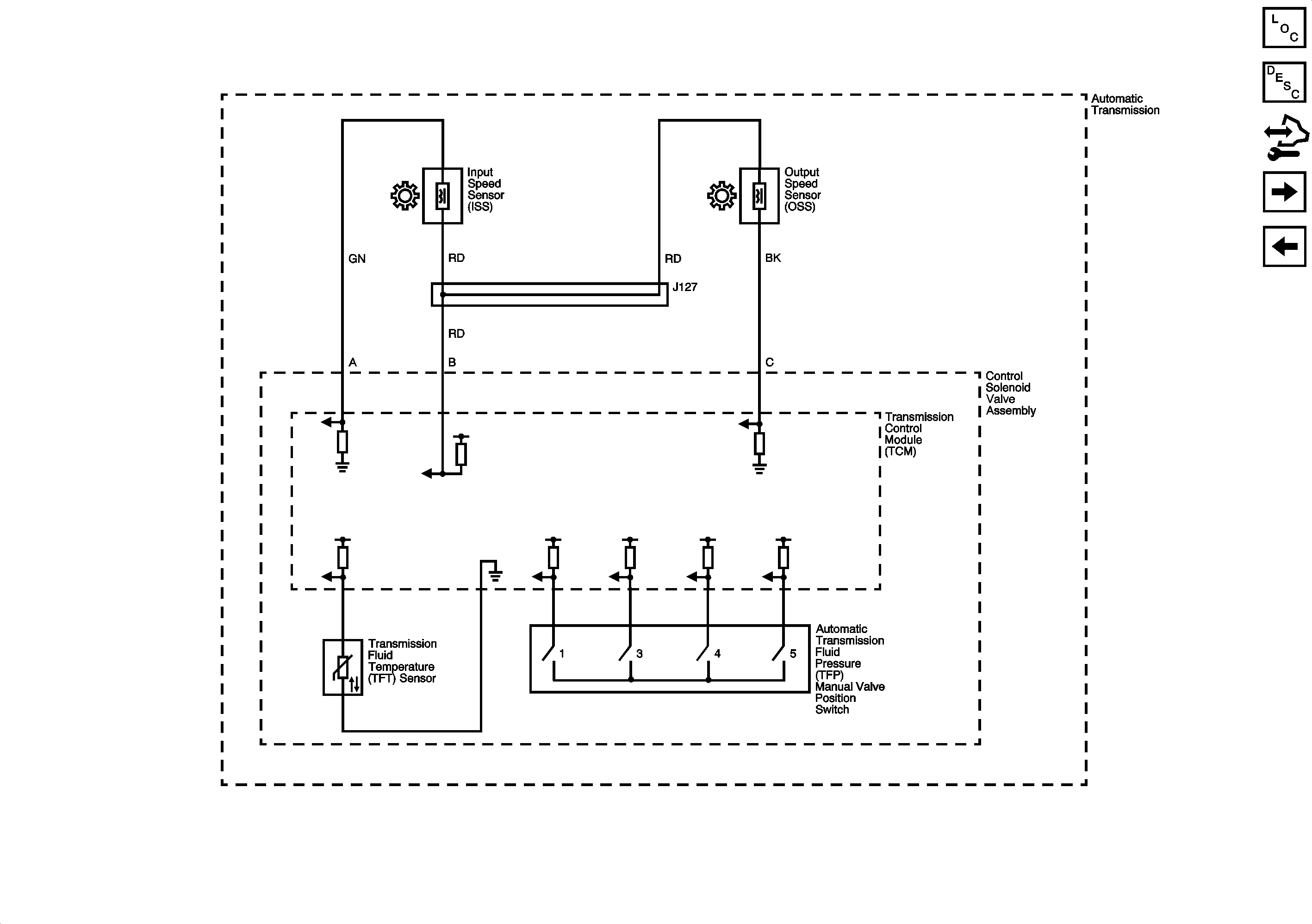
Pressure Controls - 2 of 2 and Speed Sensors
Module Power, Ground, Serial Data and Stop Lamp Signal
Figure 3:

Pressure Controls - 2 of 2 and Speed Sensors


Object Number: 1955269  Size: FS
Master Electrical Component List
Transmission Component and System Description
Control Module References
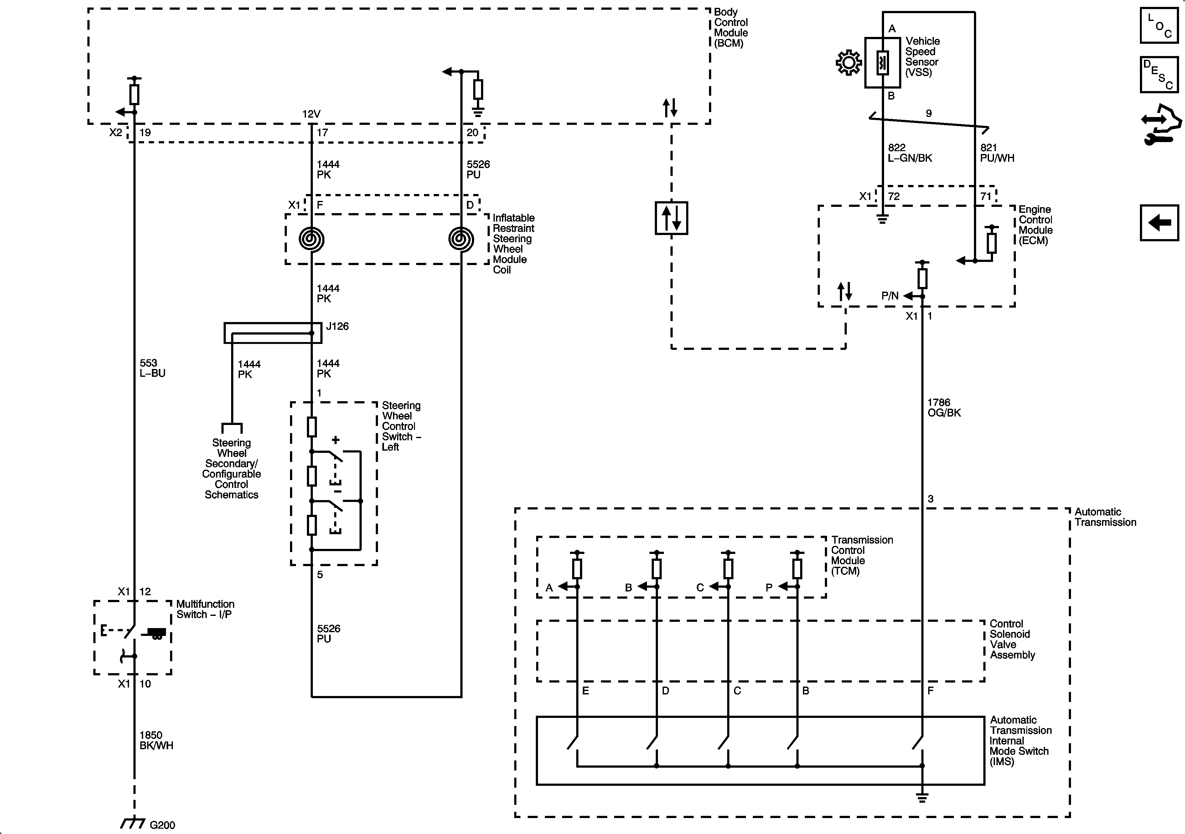
Transmission Range Signals and Driver Shift Request
Pressure Controls - 1 of 2 and Shift Controls
Figure 4:

Transmission Range Signals and Driver Shift Request


Object Number: 1955275  Size: FS
Master Electrical Component List
Transmission Component and System Description
Control Module References
Pressure Controls - 2 of 2 and Speed Sensors