GM Service Manual Online
For 1990-2009 cars only
Makes
🢒
HUMMER
🢒
2008
🢒
H2
🢒
Diagnostic Navigation
🢒
Vehicle Diagnostic Information
🢒 Moveable Window Schematics
Figure
1:
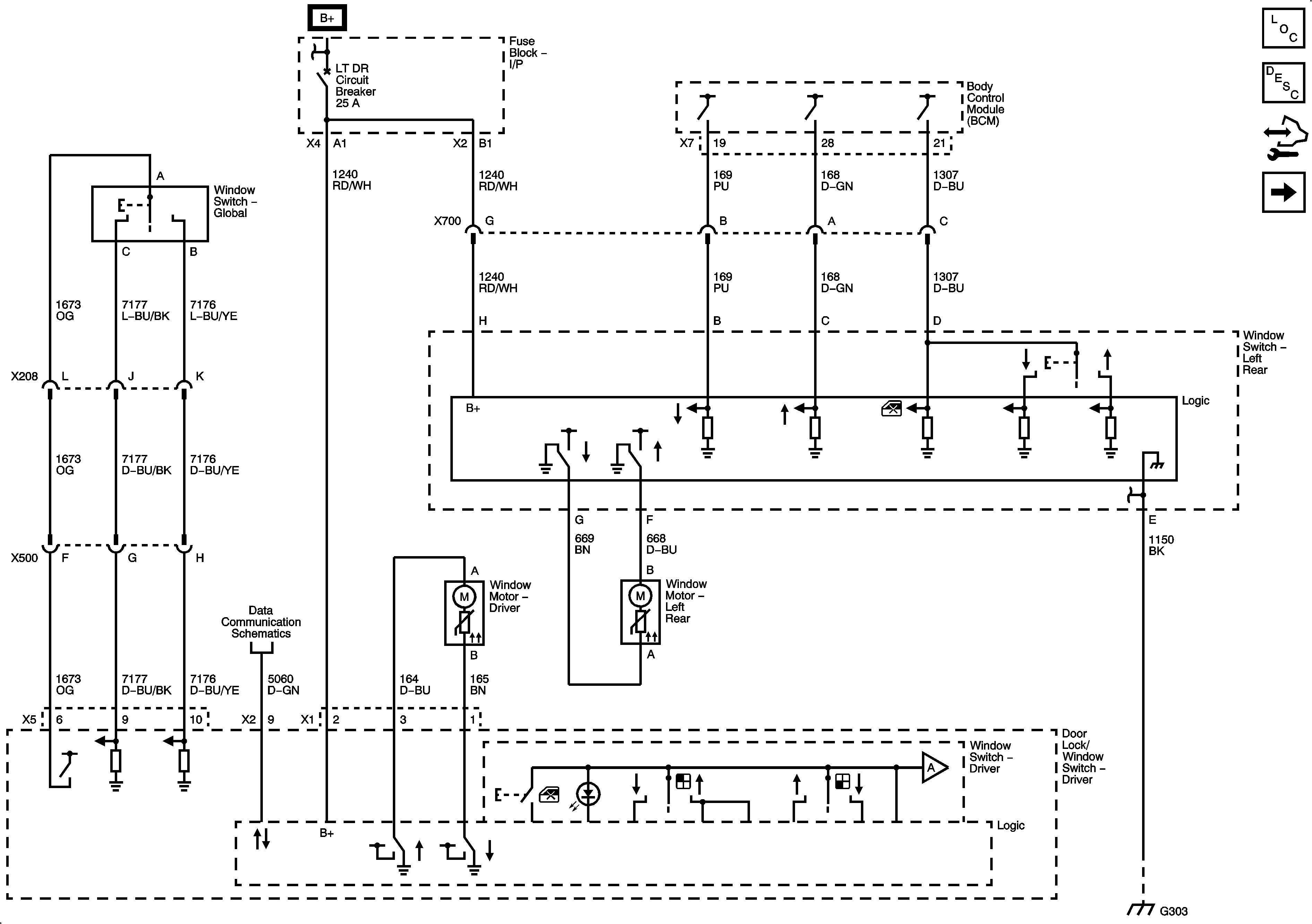
Left Doors
Master Electrical Component List
Power Windows Description and Operation
Control Module References
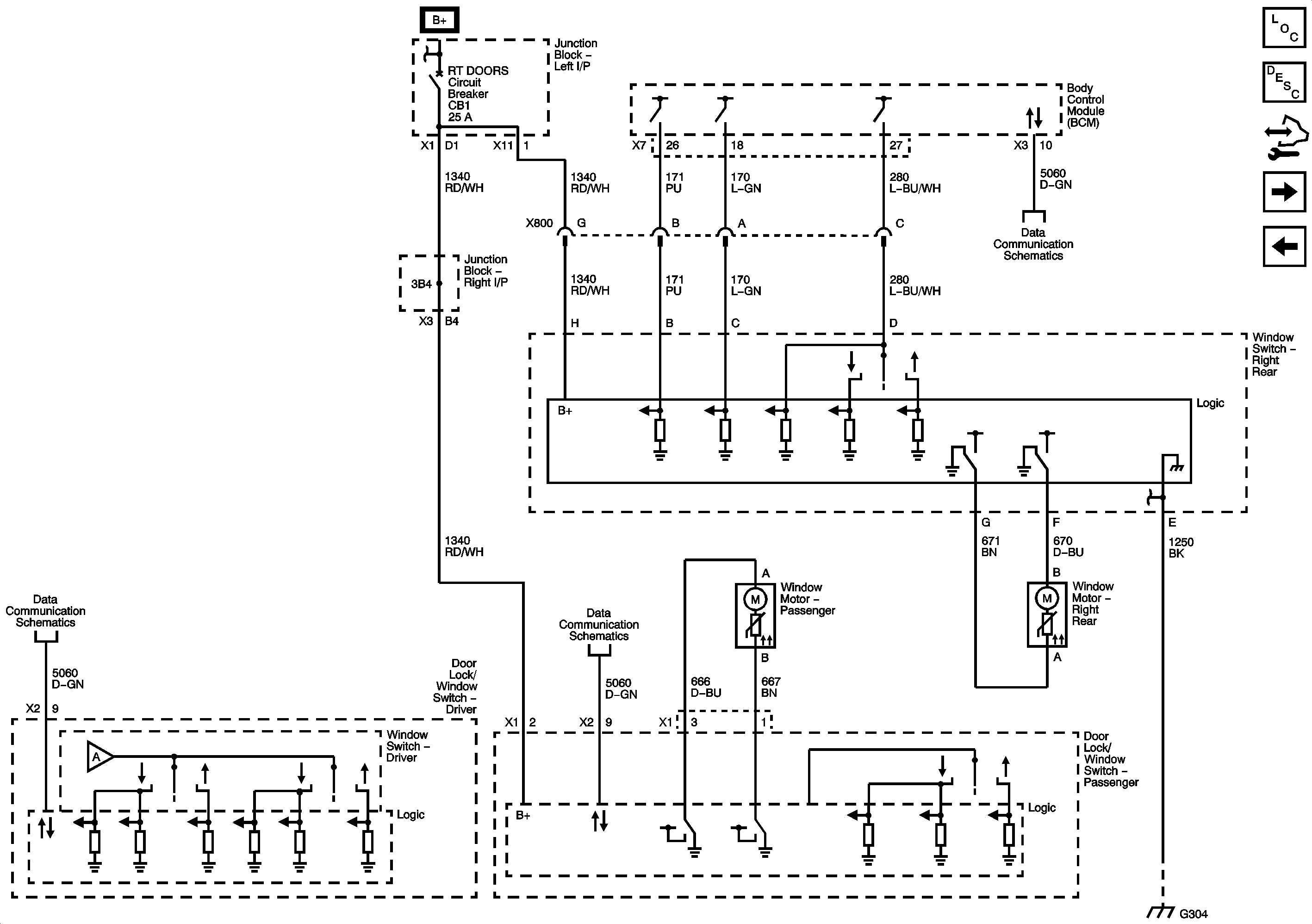
Right Doors
Figure
2:
Right Doors
Master Electrical Component List
Power Windows Description and Operation
Control Module References
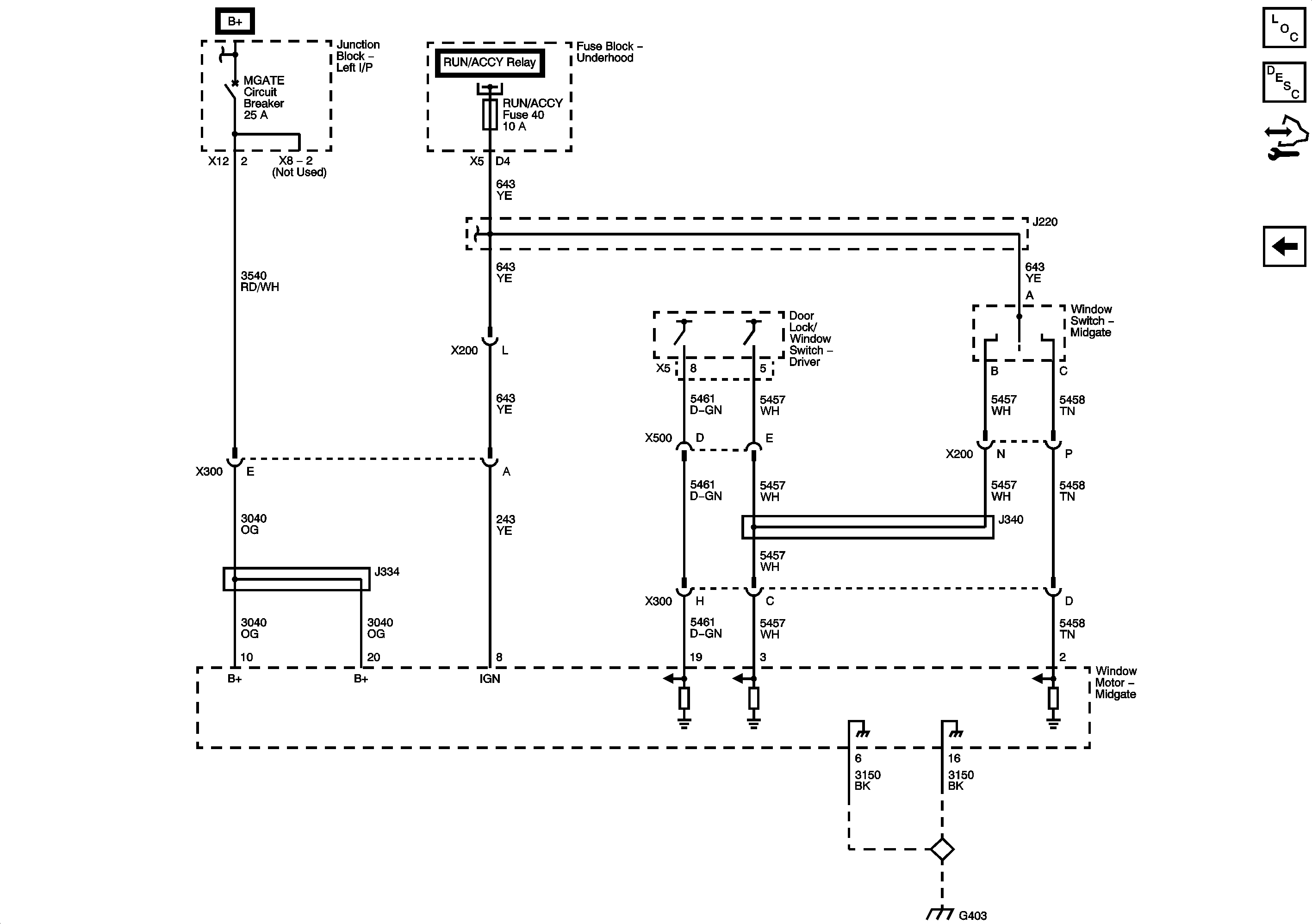
Midgate
Left Doors
Figure
3:
Midgate
Master Electrical Component List
Power Windows Description and Operation
Control Module References
Right Doors