GM Service Manual Online
For 1990-2009 cars only
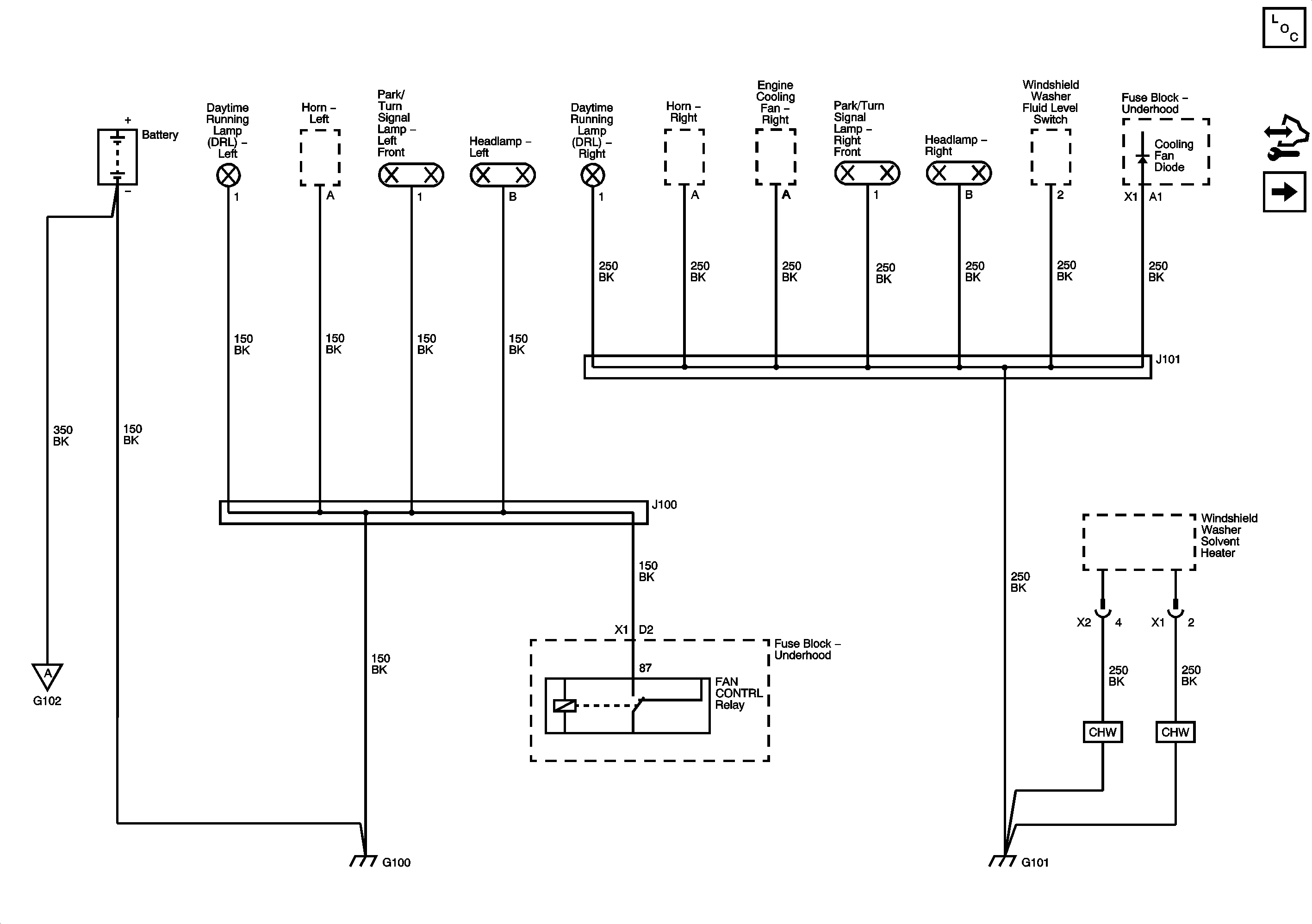
Figure 1:

G100 and G101


Object Number: 1954824  Size: FS
Master Electrical Component List
Control Module References
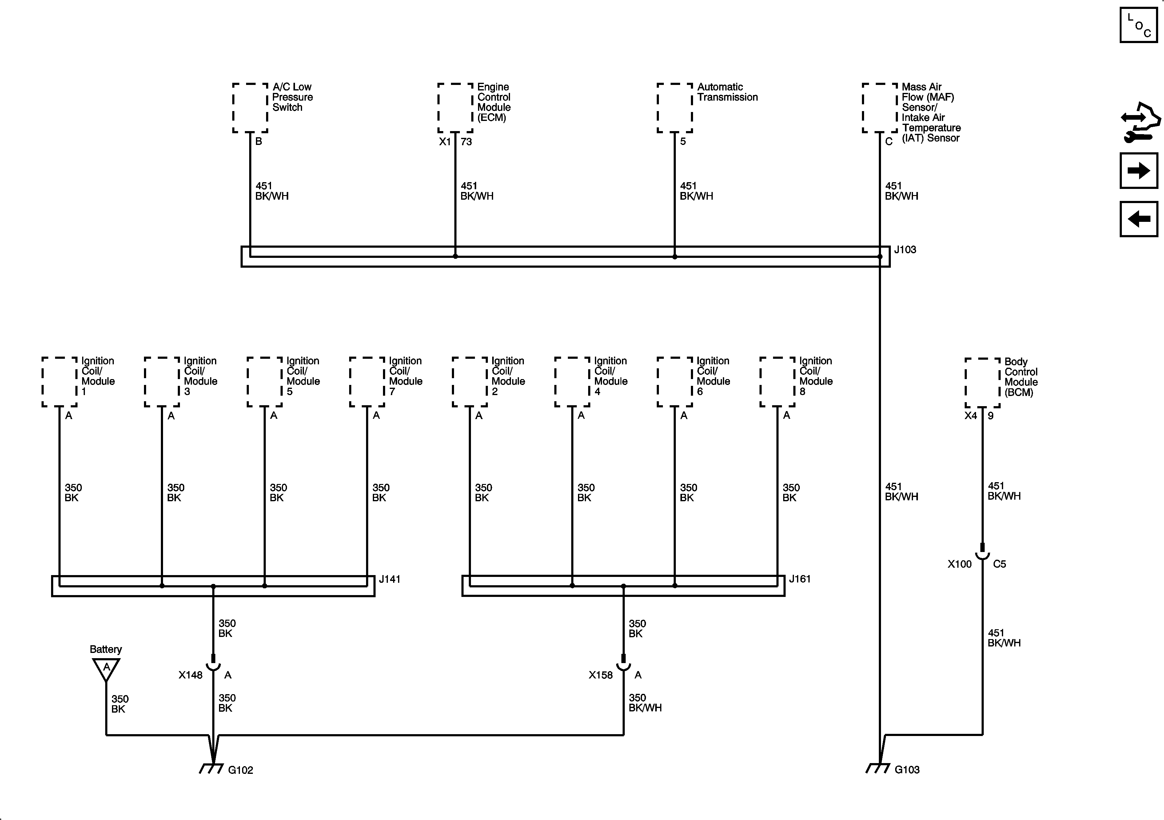
G102 and G103
Figure 2:

G102 and G103


Object Number: 1954825  Size: FS
Master Electrical Component List
Control Module References
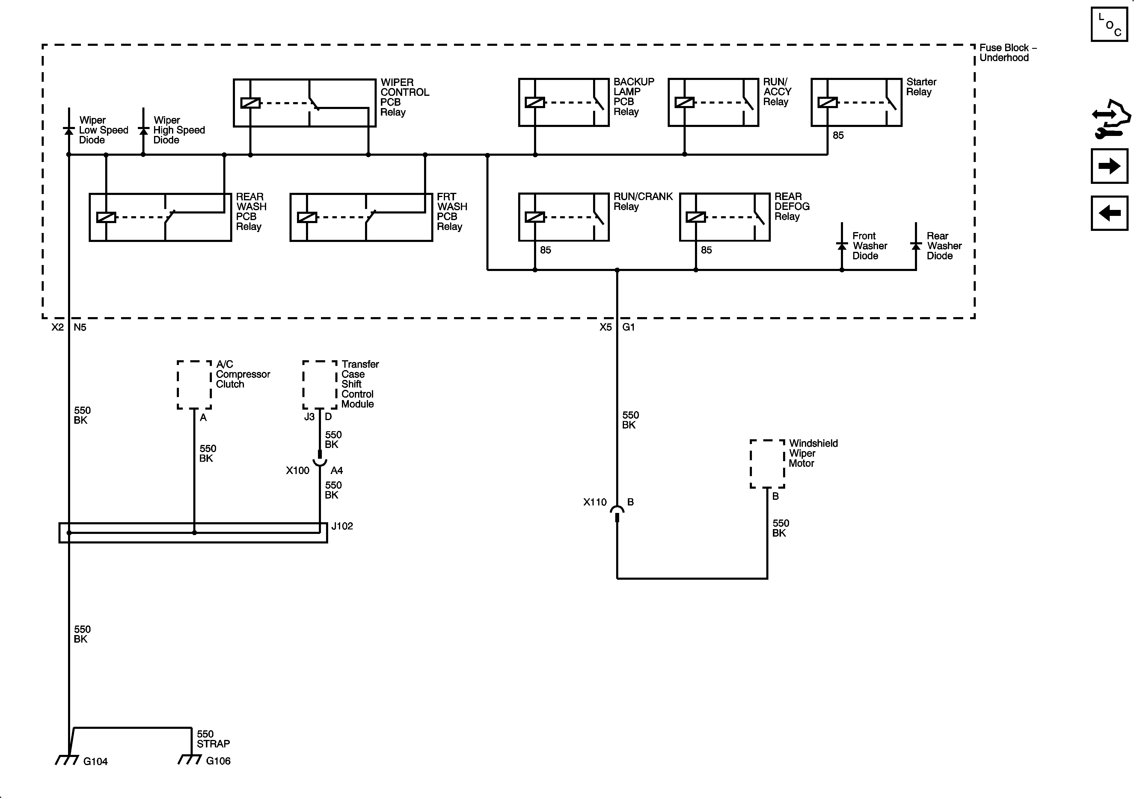
G104 and G106
G100 and G101
Figure 3:

G104 and G106


Object Number: 1954828  Size: FS
Master Electrical Component List
Control Module References
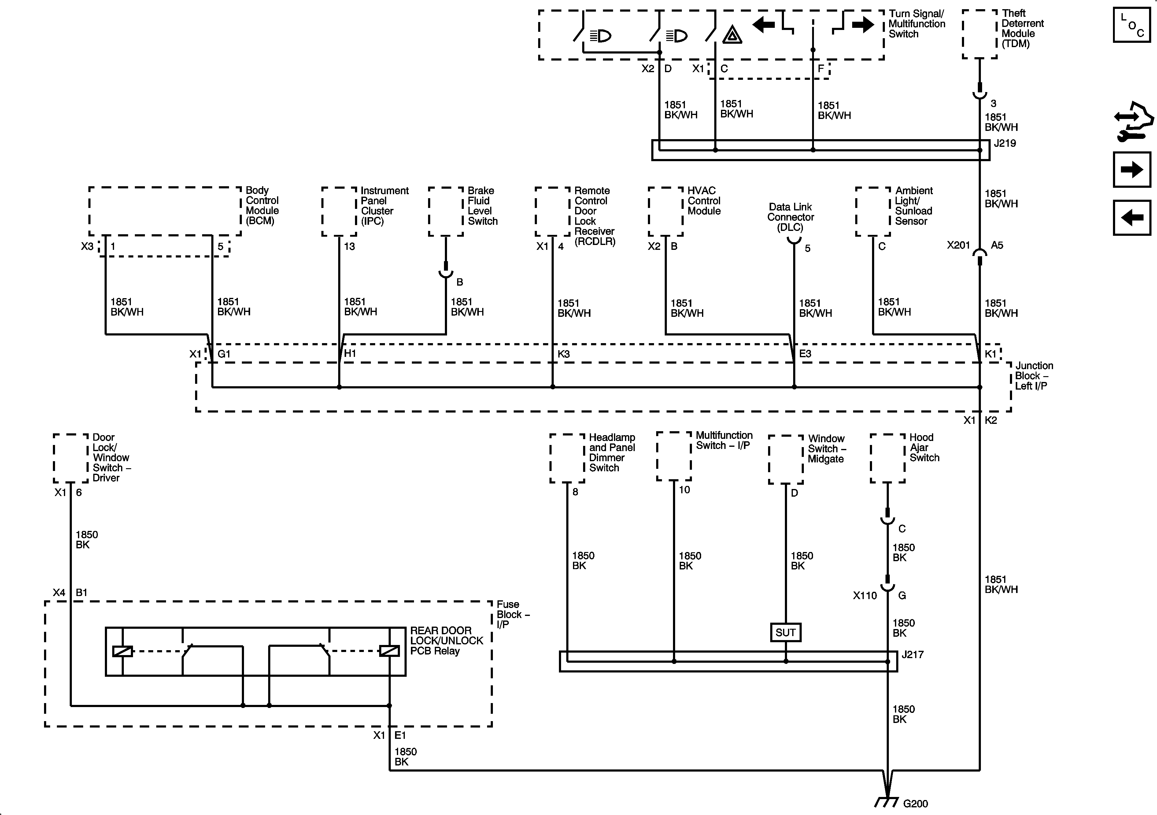
G200
G102 and G103
Figure 4:

G200


Object Number: 1954829  Size: FS
Master Electrical Component List
Control Module References
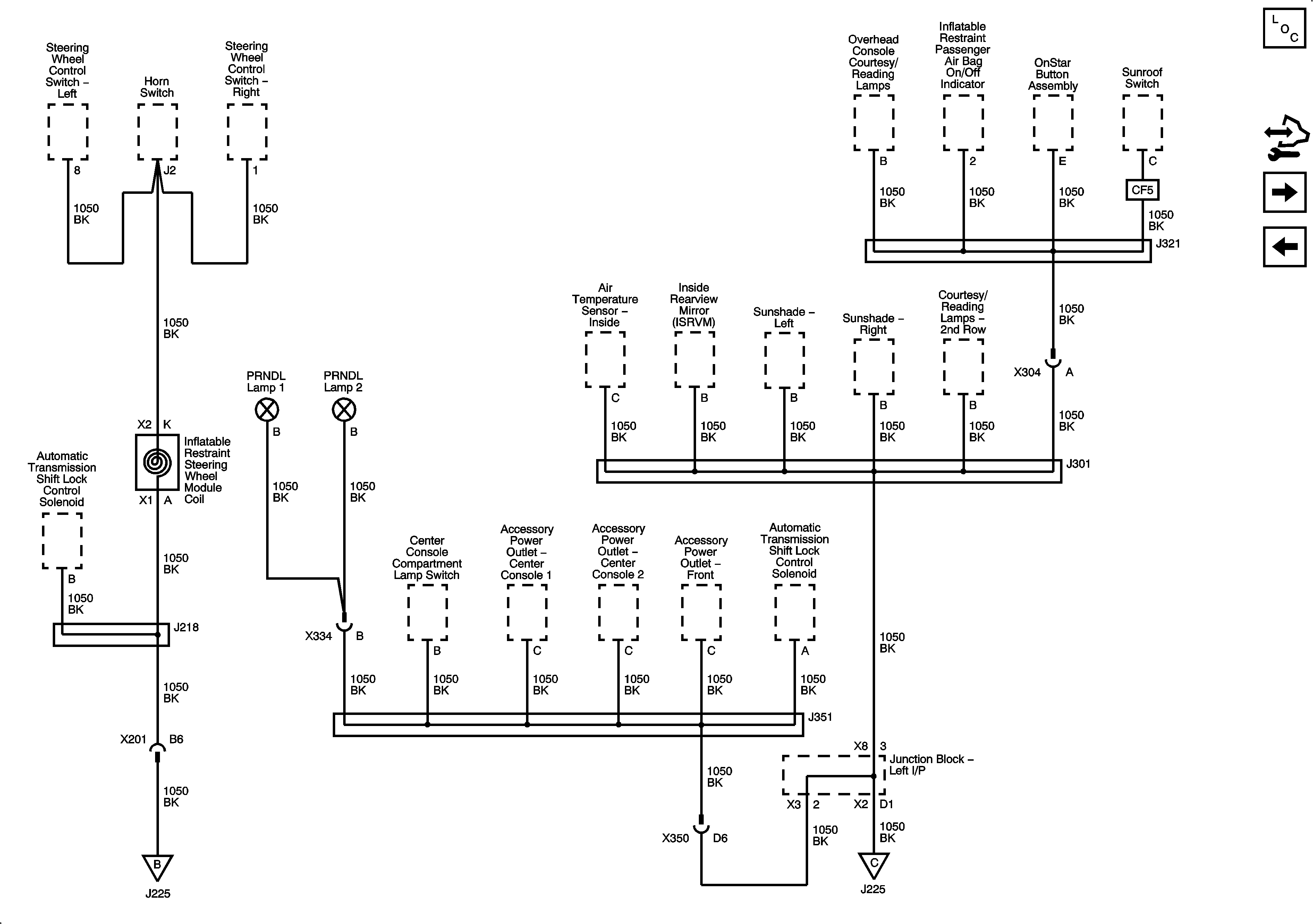
G203 - 1 of 2
G104 and G106
Figure 5:

G203 - 1 of 2


Object Number: 1954834  Size: FS
Master Electrical Component List
Control Module References
G203 - 2 of 2
G200
Figure 6:

G203 - 2 of 2


Object Number: 1954837  Size: FS
Master Electrical Component List
Control Module References
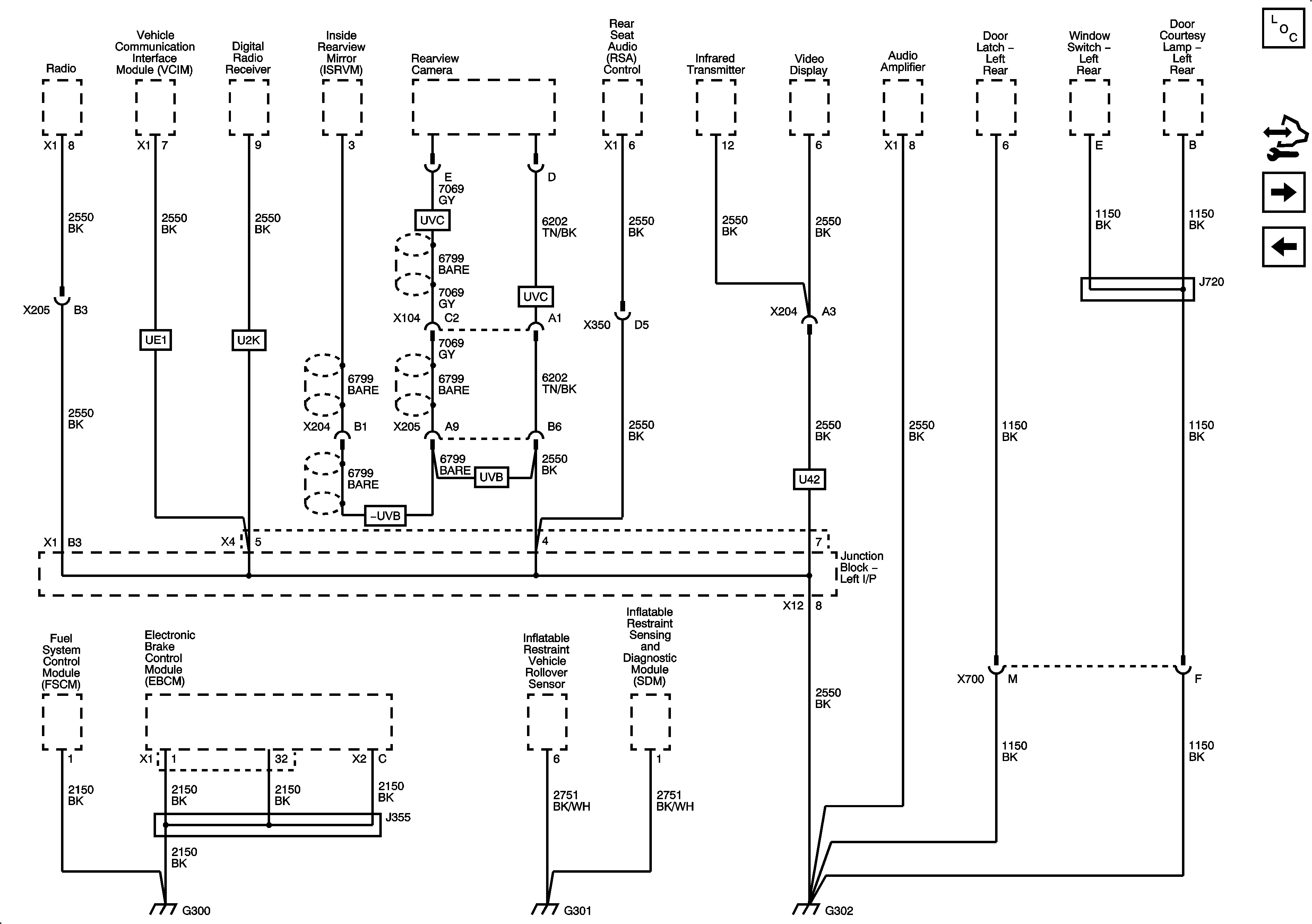
G300, G301 and G302
G203 - 1 of 2
Figure 7:

G300, G301 and G302


Object Number: 1954841  Size: FS
Master Electrical Component List
Control Module References
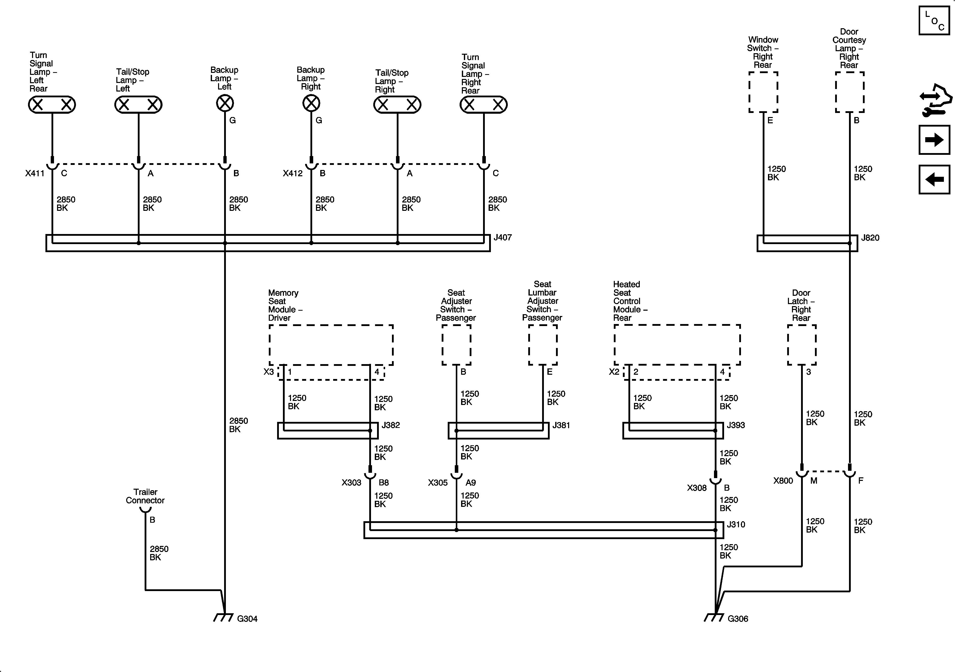
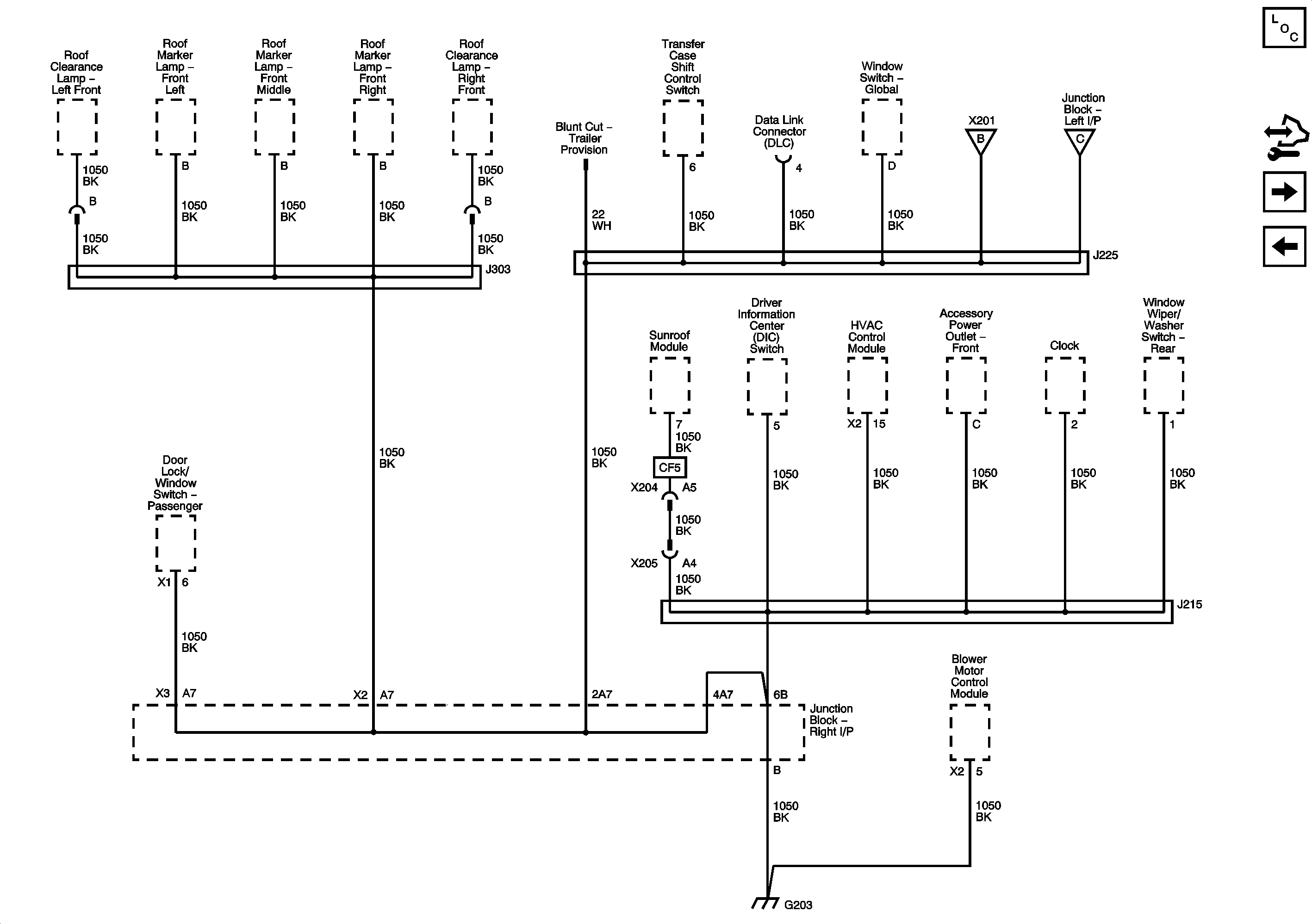
G304 and G306
G203 - 2 of 2
Figure 8:

G304 and G306


Object Number: 1954843  Size: FS
Master Electrical Component List
Control Module References
G401, G402 and G403
G300, G301 and G302
Figure 9:

G401, G402 and G403


Object Number: 1954844  Size: FS
Master Electrical Component List
Control Module References
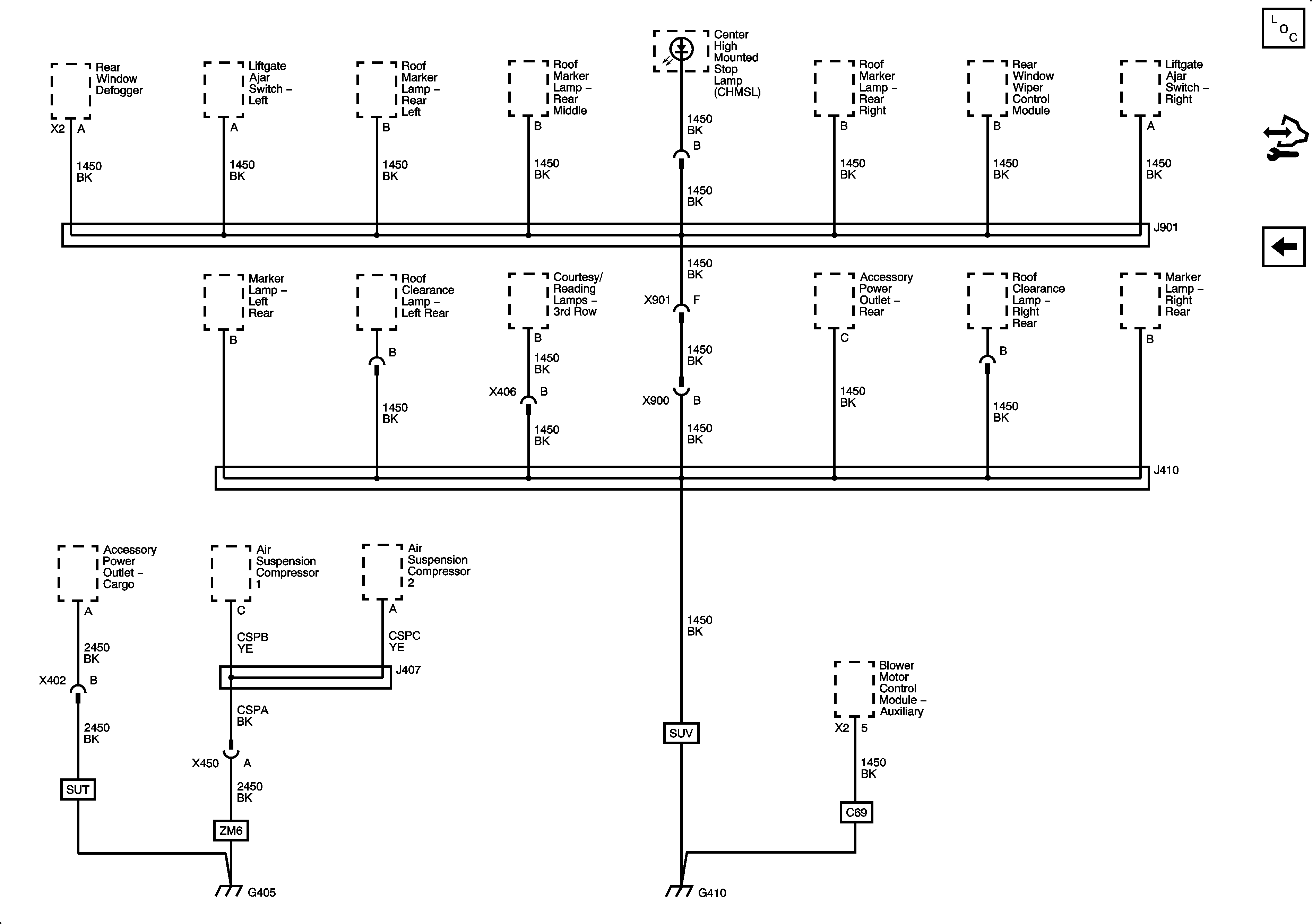
G405 and G410
G304 and G306
Figure 10:

G405 and G410


Object Number: 1954847  Size: FS
Master Electrical Component List
Control Module References
G401, G402 and G403