GM Service Manual Online
For 1990-2009 cars only
Makes
🢒
HUMMER
🢒
2008
🢒
H2
🢒
Body Systems
🢒
Mirrors
🢒 Outside Rearview Mirror Schematics
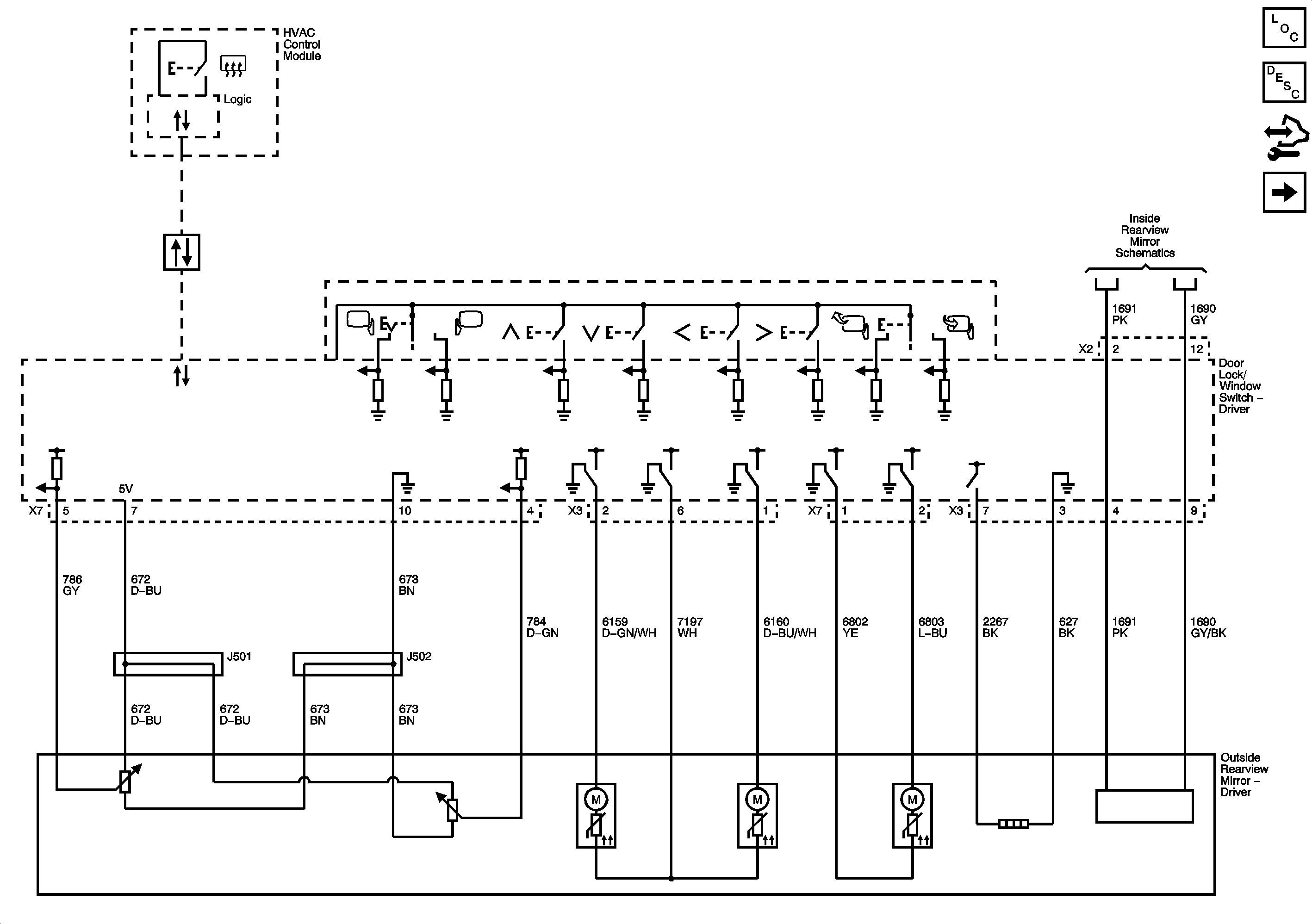
Figure
1:
Driver
Master Electrical Component List
Outside Mirror Description and Operation (Power Mirrors)
Control Module References
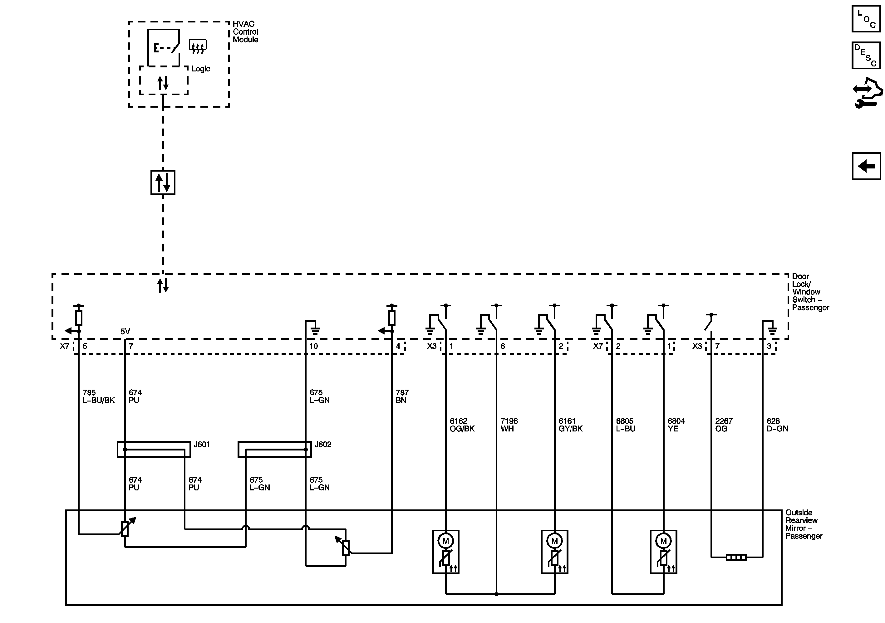
Passenger
Figure
2:
Passenger
Master Electrical Component List
Outside Mirror Description and Operation (Power Mirrors)
Control Module References
Driver