GM Service Manual Online
For 1990-2009 cars only
Makes
🢒
HUMMER
🢒
2008
🢒
H2
🢒
Driver Information and Entertainment
🢒
Displays and Gages
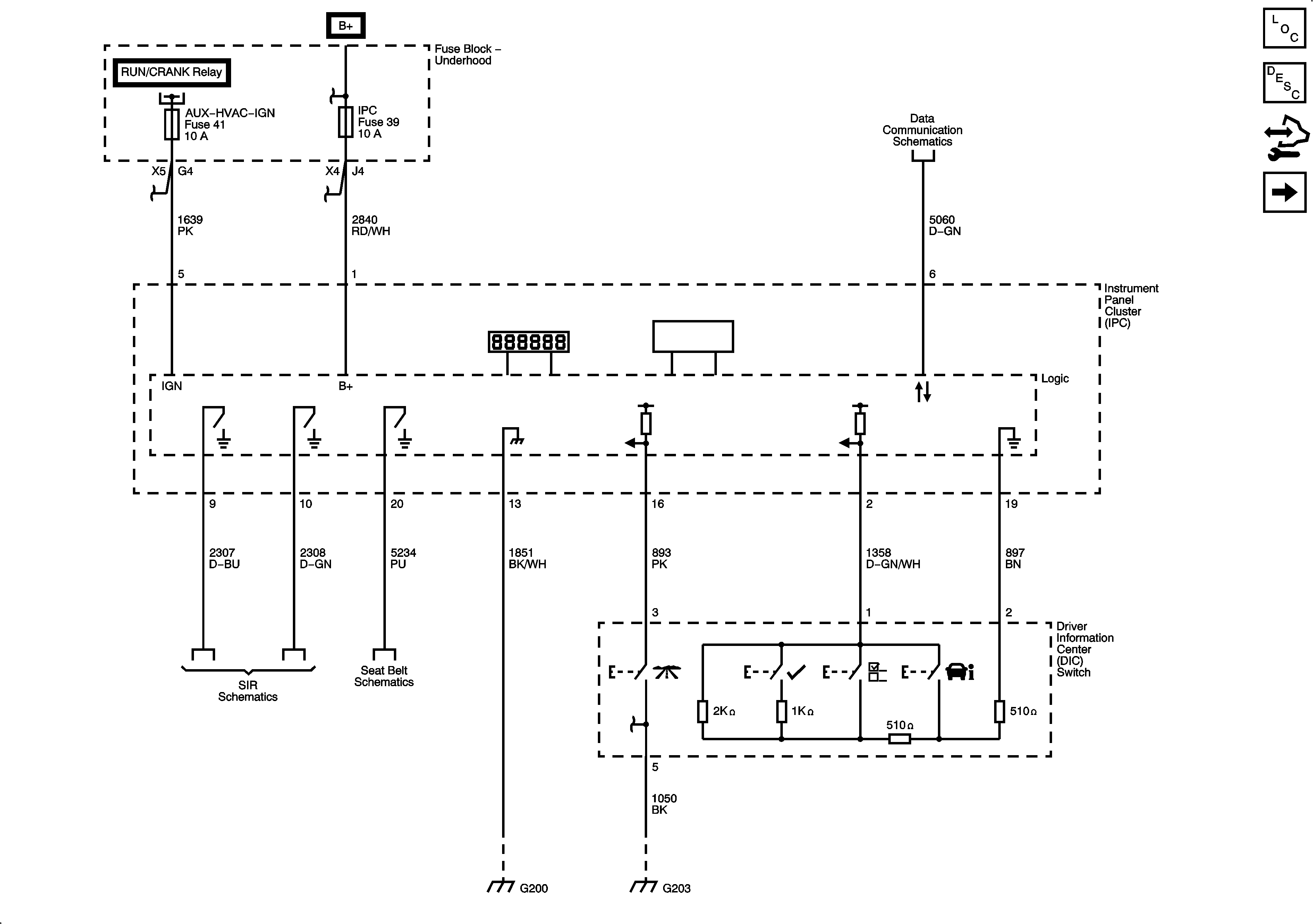
🢒 Instrument Cluster Schematics
Figure
1:
Power, Ground and Driver Information Switch
Master Electrical Component List
Instrument Cluster Description and Operation
Control Module References
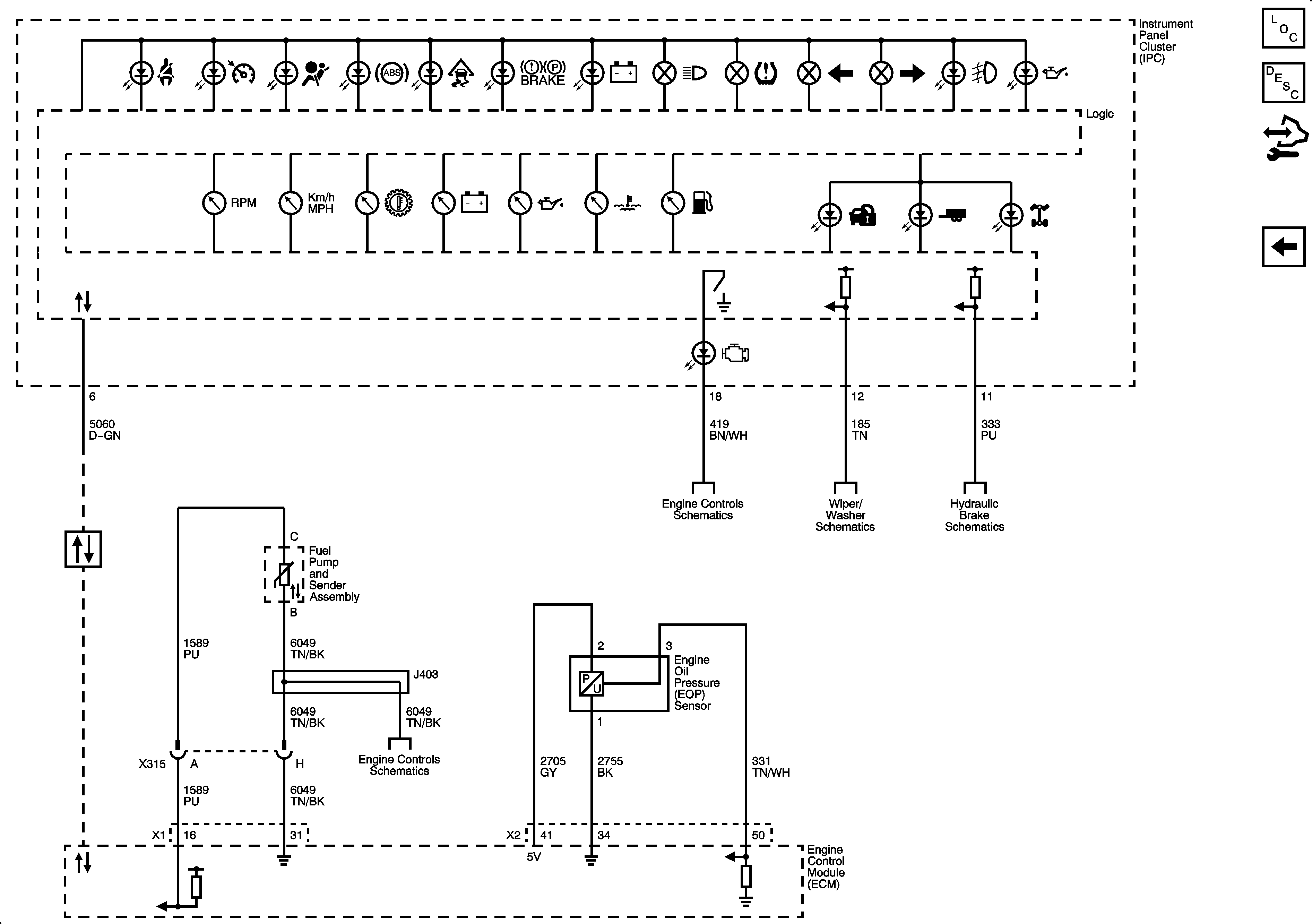
Indicators
Figure
2:
Indicators
Master Electrical Component List
Instrument Cluster Description and Operation
Control Module References
Power, Ground and Driver Information Switch