GM Service Manual Online
For 1990-2009 cars only

Special Tools

J 39400-A Halogen Leak Detector

Removal Procedure

  1. Recover the refrigerant from the system. Refer to Refrigerant Recovery and Recharging .
  2. Remove the air cleaner resonator outlet duct. Refer to Air Cleaner Resonator Outlet Duct Replacement .

  3. Object Number: 612568  Size: SH
  4. Remove the auxiliary evaporator hose nuts (1) from the main evaporative hose connections.
  5. Separate auxiliary evaporator hoses (3) and O-rings (2).

  6. Object Number: 1968229  Size: SH
  7. Raise the vehicle. Refer to Lifting and Jacking the Vehicle .
  8. Remove the right assist step if necessary. Refer to Assist Step Replacement .
  9. Remove the front wheelhouse liner if necessary. Refer to Wheelhouse Panel Replacement .
  10. Remove the auxiliary A/C tubes connector nuts (1) from the intermediate connection point.

  11. Object Number: 1968232  Size: SH
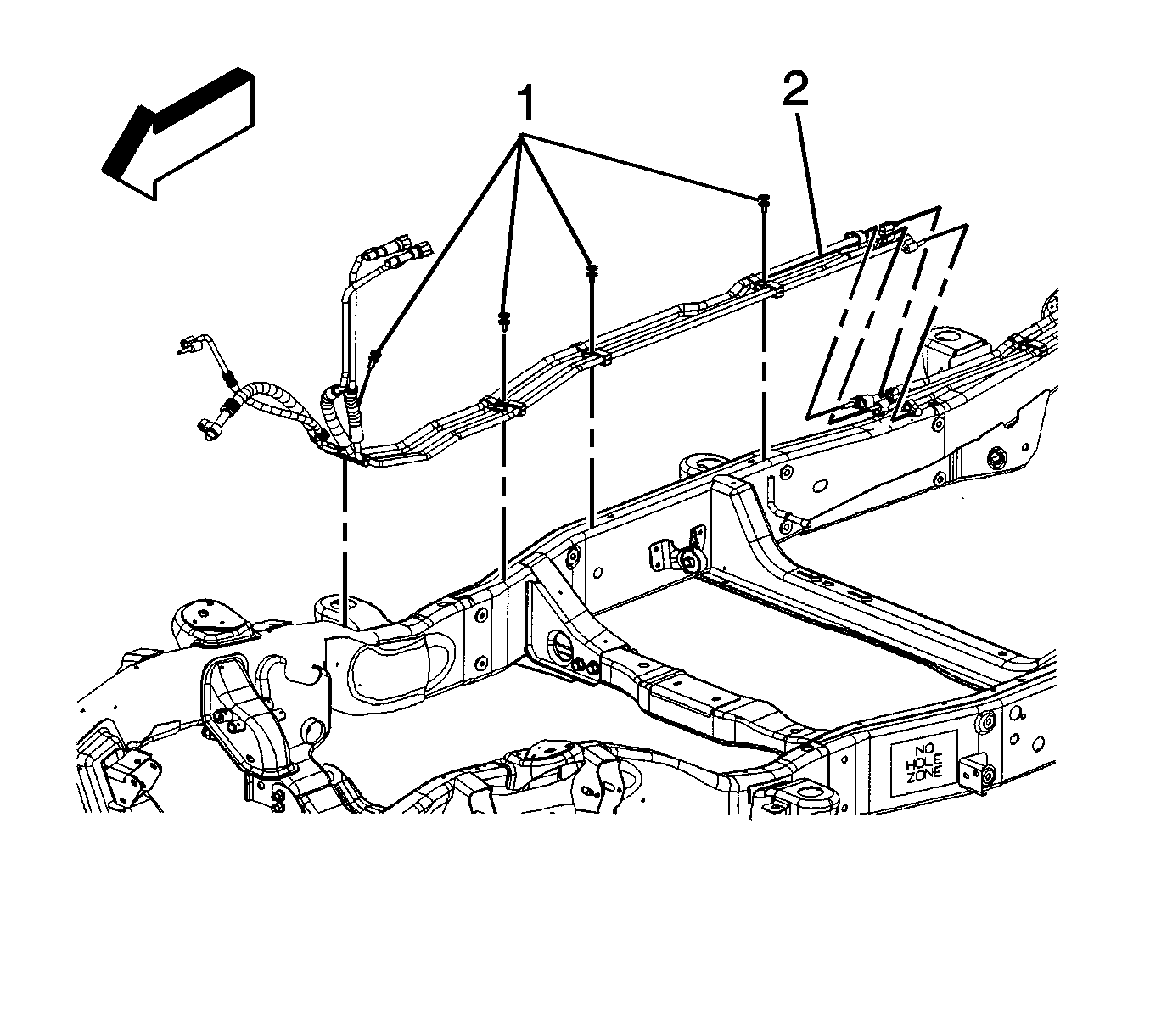
  12. Remove the auxiliary A/C tubes clip push pins (1) from vehicle frame locations.
  13. Remove the auxiliary A/C tubes (2) from vehicle.

  14. Object Number: 1968221  Size: SH
  15. Remove auxiliary A/C tubes clip retaining push pin/bolt (1) if necessary.
  16. Use a flat-bladed release tool to open retaining clips (2).
  17. Remove auxiliary A/C tubes from vehicle.

Installation Procedure

Important: The replacement A/C and heater pipes are shipped in front and rear sections.


    Object Number: 1968221  Size: SH
  1. Install the auxiliary A/C evaporator tubes (3) to the retaining clips (2).
  2. Install the auxiliary A/C evaporator tubes (3) to the vehicle.

  3. Object Number: 1968232  Size: SH
  4. Install the auxiliary A/C tubes clip push pins (1) to vehicle frame locations.

  5. Object Number: 1968229  Size: SH
  6. Install new O-rings with replacement auxiliary A/C tubes. Refer to O-Ring Replacement .
  7. Notice: Refer to Fastener Notice in the Preface section.

    Important: Use a adjustable wrench or equivalent holding tool at tube connections to prevent twisting.

    Important: Mandatory torque sequence required for proper connections.

  8. Install the auxiliary A/C tube connection nuts (1) to the intermediate connection point.
  9. Tighten
    Tighten the nuts to 16 N·m (12 lb ft).

  10. Install the right assist step if necessary. Refer to Assist Step Replacement .
  11. Lower the vehicle.

  12. Object Number: 612568  Size: SH
  13. Install new O-rings with replacement auxiliary A/C tubes. Refer to O-Ring Replacement .
  14. Install the auxiliary evaporator hose nuts (1) to the main evaporative hose connections.
  15. Tighten
    Tighten the nuts to 16 N·m (12 lb ft).

  16. Install the air cleaner resonator outlet duct. Refer to Air Cleaner Resonator Outlet Duct Replacement .
  17. Recharge the refrigerant to the system. Refer to Refrigerant Recovery and Recharging .
  18. Leak test the fittings of the component using the J 39400-A .