GM Service Manual Online
For 1990-2009 cars only
Figure 1:

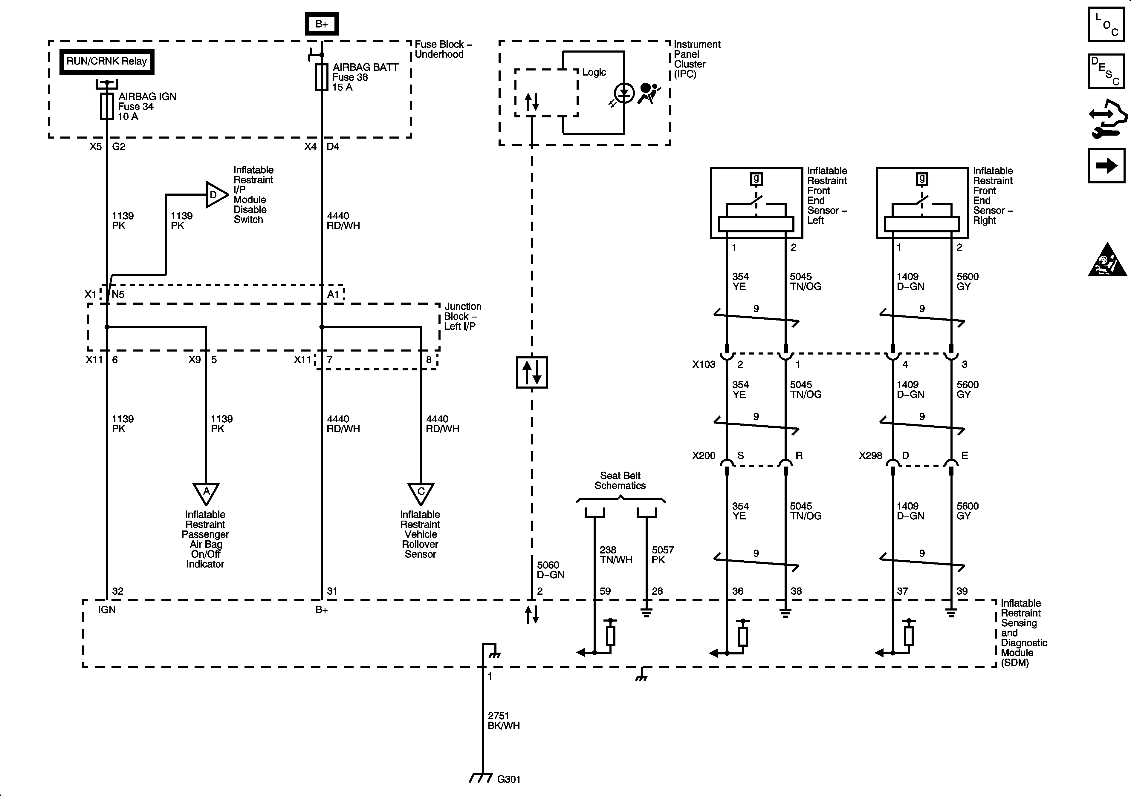
Module Power, Ground, Serial Data and Front Sensors


Object Number: 1961098  Size: FS
Master Electrical Component List
SIR System Description and Operation
Control Module References
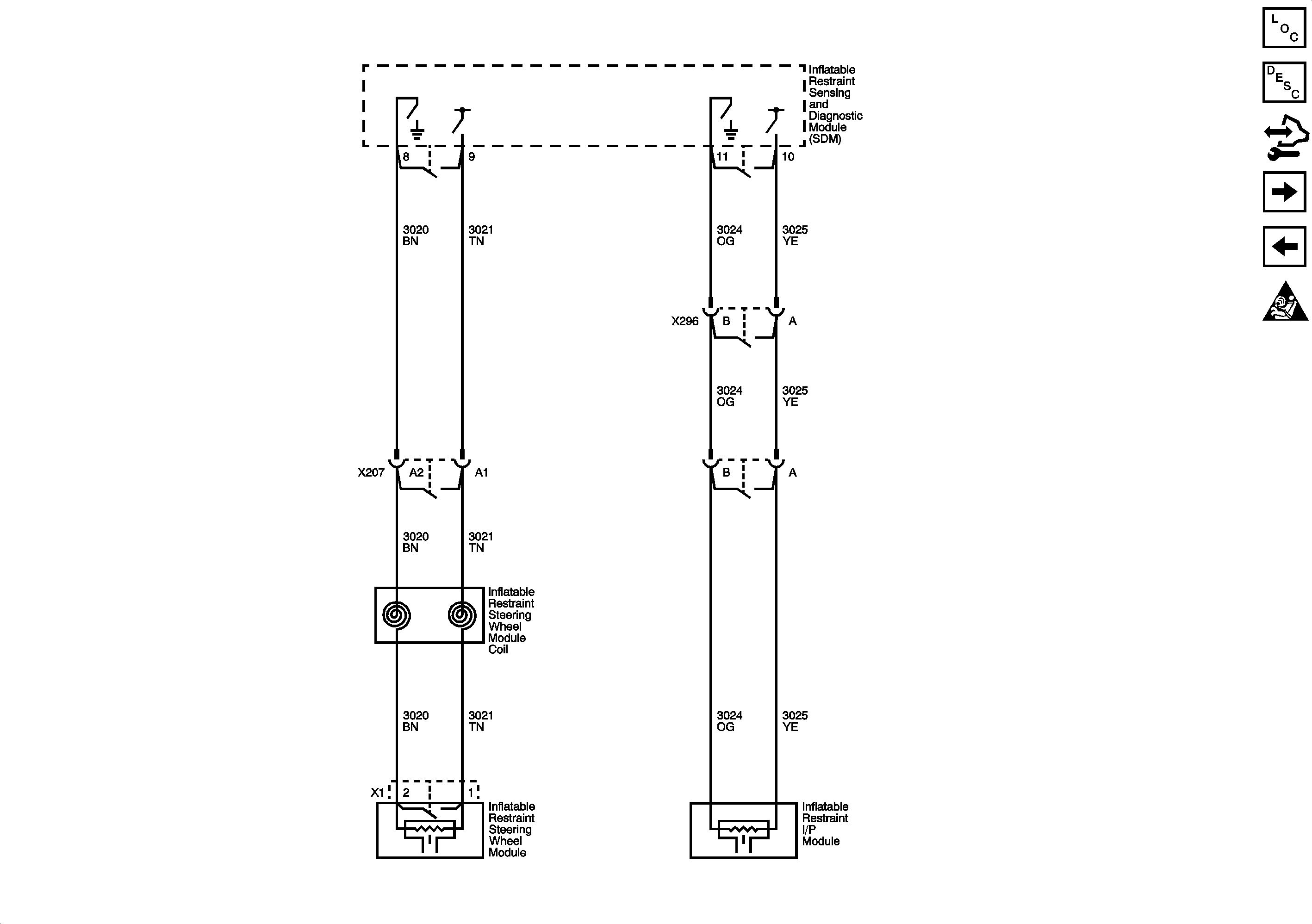
Steering Wheel and I/P Module
Figure 2:

Steering Wheel and I/P Module


Object Number: 1961099  Size: FS
Master Electrical Component List
SIR System Description and Operation
Control Module References
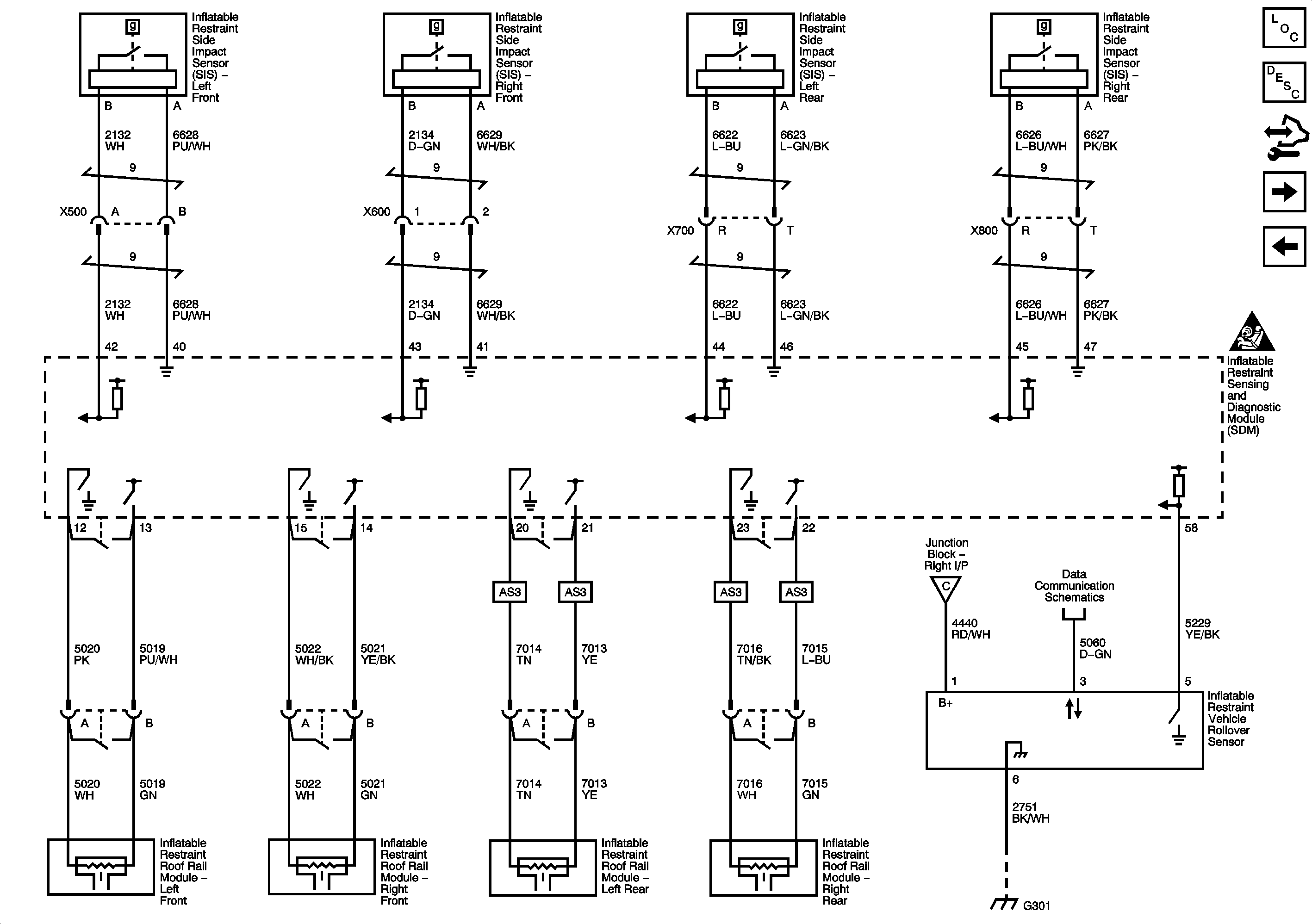
Side Impact Modules and Sensors
Module Power, Ground, Serial Data and Front Sensors
Figure 3:

Side Impact Modules and Sensors


Object Number: 1961103  Size: FS
Master Electrical Component List
SIR System Description and Operation
Control Module References
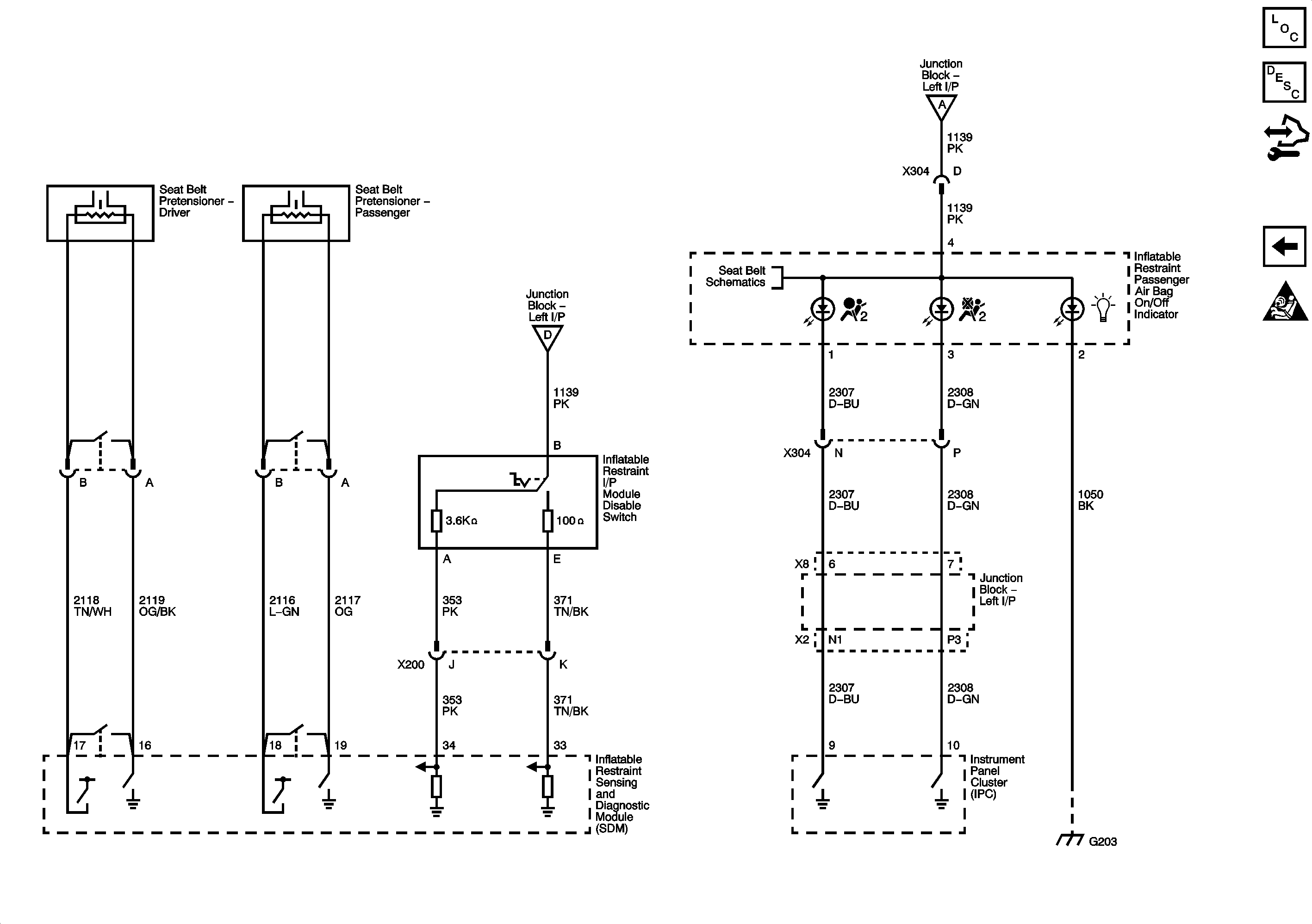
Seat Belt Pretensioners and Air Bag Indicator
Steering Wheel and I/P Module
Figure 4:

Seat Belt Pretensioners and Air Bag Indicator


Object Number: 1961115  Size: FS
Master Electrical Component List
SIR System Description and Operation
Control Module References
Side Impact Modules and Sensors