GM Service Manual Online
For 1990-2009 cars only
Figure 1:

Forward Lamp


Object Number: 1968300  Size: LF
(1)G106
(2)X107 (CHW)
(3)X103
(4)J108
(5)J100
(6)G100
(7)G101
(8)J101
(9)J107
Figure 2:

Engine - Front


Object Number: 1968312  Size: LF
(1)X100
(2)X120
(3)G102
(4)G103
Figure 3:

Engine - Left Rear


Object Number: 1968303  Size: LF
(1)J102
(2)J130
(3)J103
(4)X158
(5)G104
(6)X148
Figure 4:

Engine Harness - Middle Underbody


Object Number: 1968308  Size: LF
(1)Automatic Transmission
(2)X315
Figure 5:

Fuel System Components


Object Number: 2059062  Size: LF
(1)Fuel Pump Flow Control Module
(2)Fuel Pressure Sensor
(3)Evaporative Emission (EVAP) Canister
(4)Fuel Tank Pressure (FTP) Sensor
(5)Fuel Pump and Sender Assembly
(6)Evaporative Emission (EVAP) Canister Vent Solenoid Valve
(7)Fuel Tank
Figure 6:

Instrument Panel Harness - Engine Compartment


Object Number: 1968322  Size: LF
(1)Instrument Panel Harness
(2)X110
(3)Fuse Block - Stud 2 Ring Terminal
(4)X107 (CHW)
(5)X103
(6)X104
(7)X100
(8)X111
Figure 7:

Chassis Harness - Front Engine Compartment


Object Number: 1968407  Size: LF
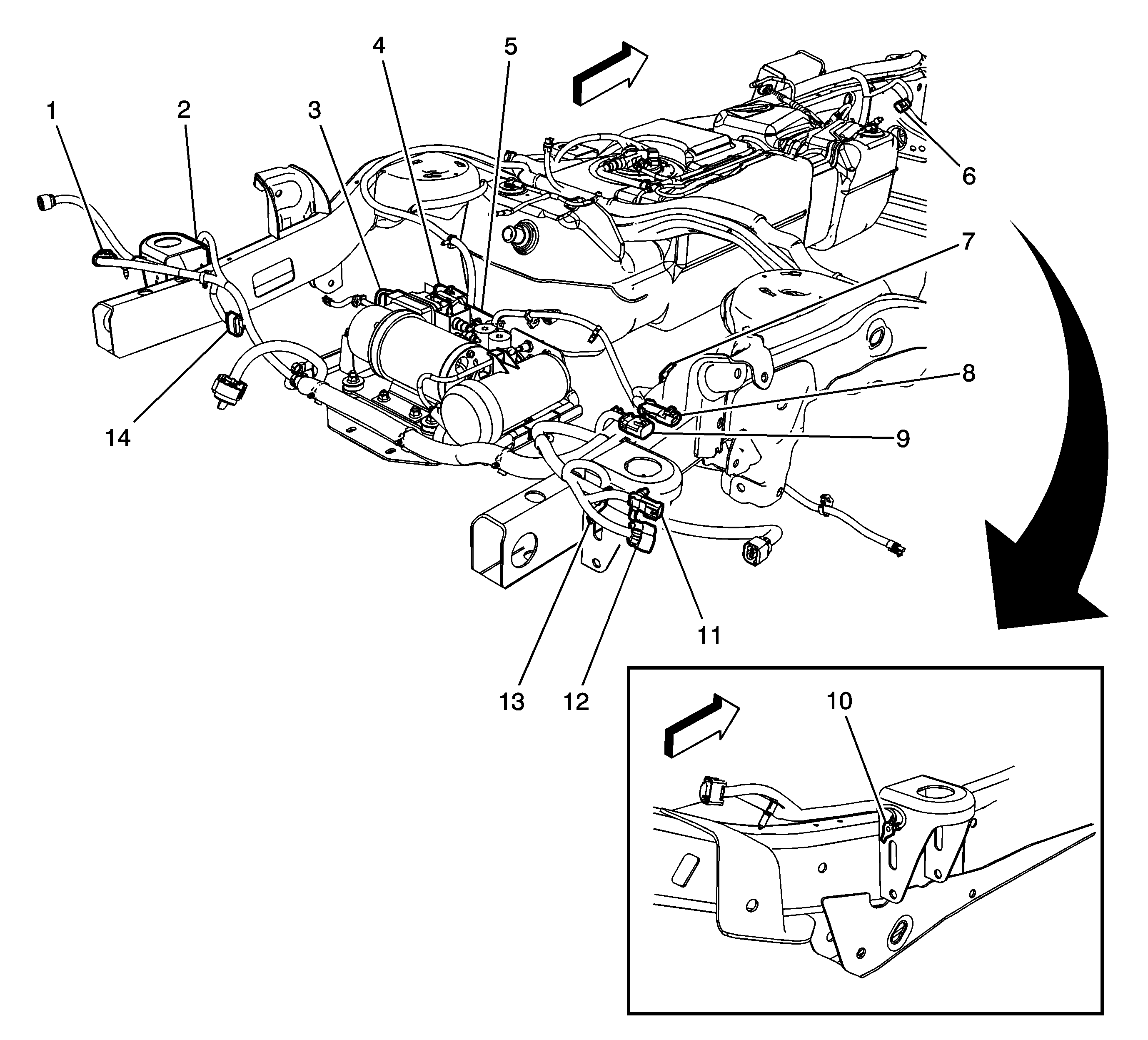
(1)X104
(2)Air Suspension Relay (ZM6)
(3)G300
(4)Trailer Power
(5)X111
Figure 8:

Wiper Extension Harness - Rear Engine Compartment


Object Number: 1968326  Size: LF
(1)Hood Ajar Switch Connector
(2)Windshield Wiper Motor Connector
(3)X110
Figure 9:

Instrument Panel Harness - Left Passenger Compartment


Object Number: 1968329  Size: LF
(1)JX205
(2)X205
(3)X201
(4)X200
(5)X500
(6)G200
(7)X208
(8)JX206
Figure 10:

Instrument Panel Harness - Right Passenger Compartment


Object Number: 1968332  Size: LF
(1)G203
(2)X290
(3)X235 (COAX)
(4)X298
(5)X296
(6)X295
(7)X600
(8)X350
Figure 11:

Instrument Panel Harness - Splices


Object Number: 1968335  Size: LF
(1)J215
(2)J231
(3)J203
(4)J217
(5)J278
(6)J225
(7)J230
(8)J220
(9)J221
(10)J222
(11)J237
(12)J205
(13)J204
(14)J234
(15)J214
(16)J232
(17)J233
Figure 12:

Steering Column


Object Number: 1968402  Size: LF
(1)X201
(2)X207
Figure 13:

Floor Console


Object Number: 1968404  Size: LF
(1)X320
(2)J351
(3)J352
(4)X334
(5)X350
Figure 14:

Body Harness - Left Passenger Compartment


Object Number: 1968341  Size: LF
(1)X500
(2)JX207
(3)X200
(4)X207
(5)X208
(6)X320
(7)X303
(8)G302
(9)X700
Figure 15:

Body Harness - Right Passenger Compartment


Object Number: 1968367  Size: LF
(1)X296
(2)X290
(3)X298
(4)X295
(5)X600
(6)X800
(7)G306
(8)X305
(9)G301
Figure 16:

Rear Doors


Object Number: 1968501  Size: LF
(1)Left Rear Door
(2)X700
(3)X800
(4)Right Rear Door
Figure 17:

Front Doors


Object Number: 1968499  Size: LF
(1)Driver Door
(2)X500
(3)Passenger Door
(4)J600
(5)X600
Figure 18:

Roof Marker Harness


Object Number: 1968442  Size: LF
(1)J303
(2)J345
(3)X235 (COAX)
Figure 19:

Headliner/Rear Dome Lamp Harness


Object Number: 1968436  Size: LF
(1)Headliner
(2)X304
(3)Sunshade - Left Connector
(4)J301
(5)J300
(6)X204
Figure 20:

Midgate Harness (SUT)


Object Number: 1968453  Size: LF
(1)J336
(2)J338
(3)J339
(4)X300
(5)J334
(6)J337
(7)J335
Figure 21:

Body Harness - Left Rear Cargo Area


Object Number: 1968378  Size: LF
(1)X900 (SUV)
(2)X406 (SUV)
(3)X308
Figure 22:

Body Harness - Right Rear Cargo Area


Object Number: 1968374  Size: LF
(1)X307
(2)X408 (SUV)
(3)G410 (SUV)
Figure 23:

Body Harness - Splices


Object Number: 1968398  Size: LF
(1)J410 (SUV)
(2)Body Harness (SUV)
(3)J411
(4)J333
(5)J332
(6)Body Harness (SUT)
(7)J320 (SUT)
(8)J411 (SUT)
(9)J340 (SUT)
(10)J341
(11)J342
(12)J310
Figure 24:

Cargo Box Harness (SUT)


Object Number: 1968429  Size: LF
(1)Midgate
(2)X402
(3)X400
Figure 25:

Body Harness - Left Rear Passenger Compartment (SUT)


Object Number: 1968384  Size: LF
(1)Midgate
(2)X300
(3)G403
(4)X308
Figure 26:

Chassis Harness - Rear Frame


Object Number: 1968411  Size: LF
(1)X411
(2)G401
(3)X450 (ZM6)
(4)X451 (ZM6)
(5)G402
(6) X315
(7)Data Link Resistor
(8)X402(SUT)
(9)X400 (SUT)
(10)G304
(11)X401
(12)X412
(13)G405
(14)Rearview Camera (UVC)
Figure 27:

Chassis Harness - Splices


Object Number: 1968413  Size: LF
(1)J355
(2)J110
(3)J356
(4)J406
(5)J407
(6)J405
(7)J403
(8)J404
(9)J360
(10)J358
Figure 28:

License Lamp Jumper Harness


Object Number: 1968495  Size: LF
(1)X401
(2)Spare Tire Carrier