GM Service Manual Online
For 1990-2009 cars only
Makes
🢒
HUMMER
🢒
2009
🢒
H2
🢒
Diagnostic Navigation
🢒
Vehicle Diagnostic Information
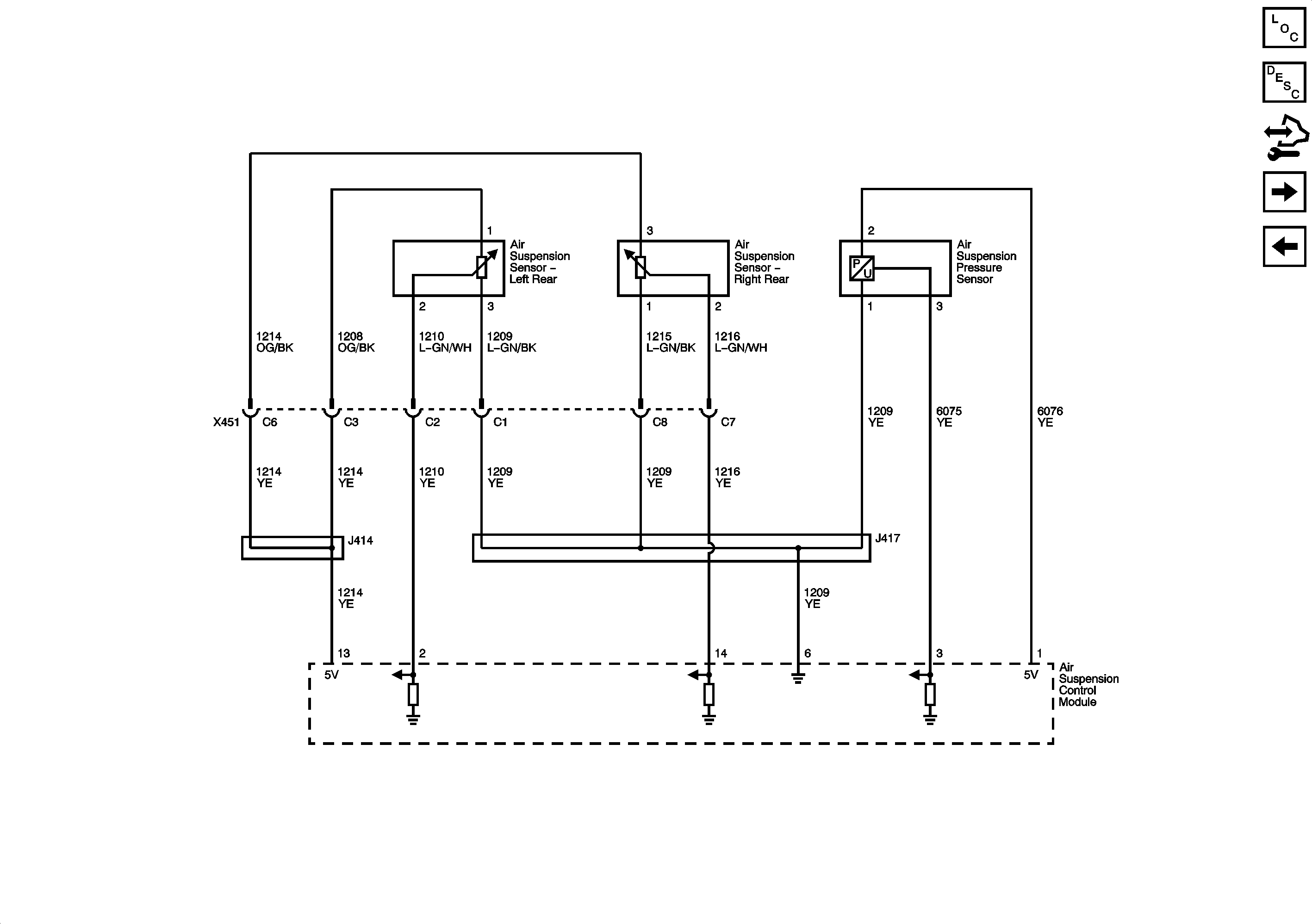
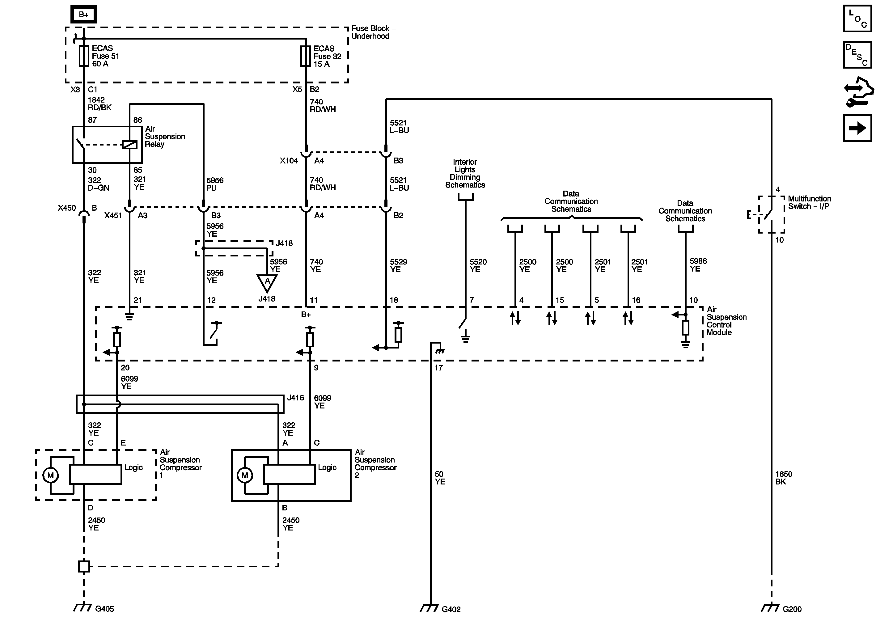
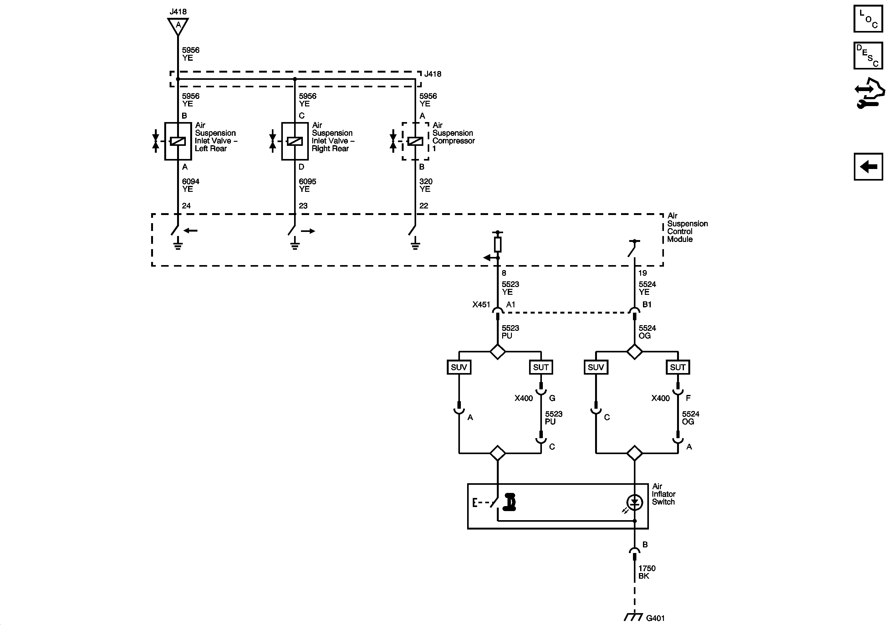
🢒 Air Suspension Schematics
Figure
1:
Figure
2:
Inflator Switch and Suspension Position Sensors
Figure
3:
Solenoids Valves and Pressure Sensor