GM Service Manual Online
For 1990-2009 cars only
Figure 1:

Left Doors


Object Number: 2097124  Size: FS
Figure 2:

Right Doors


Object Number: 2097125  Size: FS
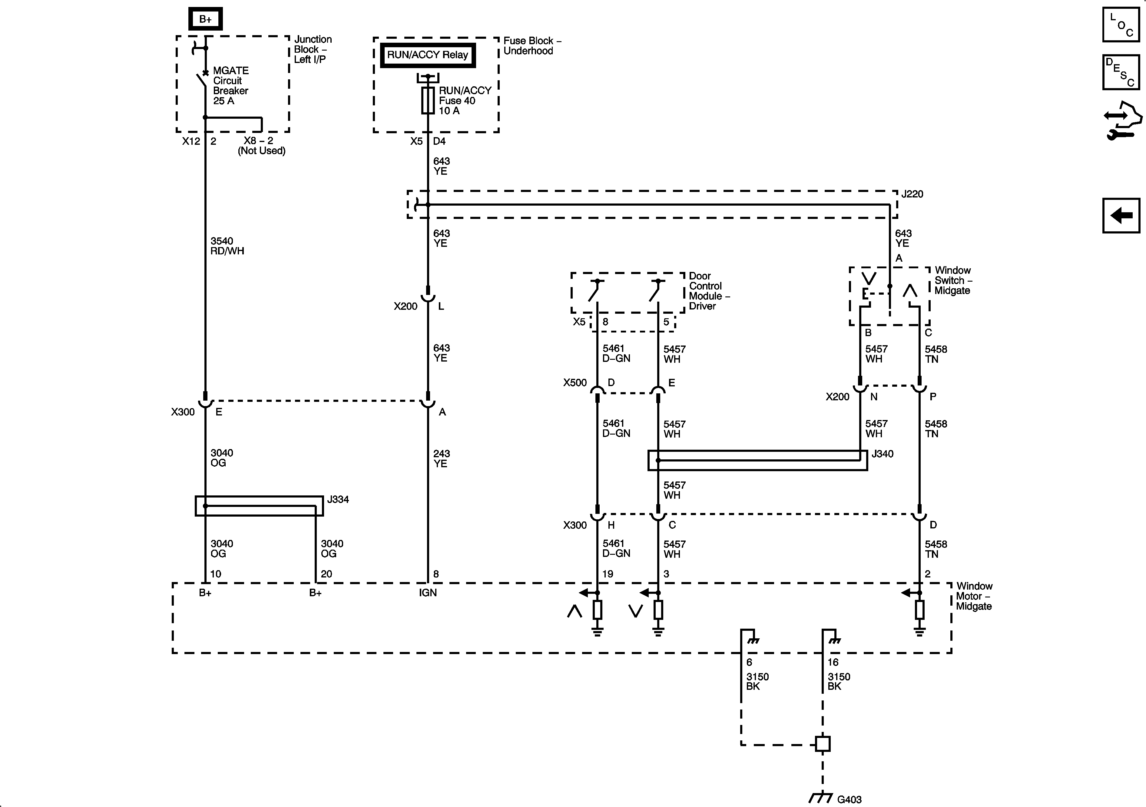
Figure 3:

Midgate


Object Number: 2097126  Size: SH