GM Service Manual Online
For 1990-2009 cars only
Makes
🢒
HUMMER
🢒
2009
🢒
H2
🢒
Body Systems
🢒
Lighting
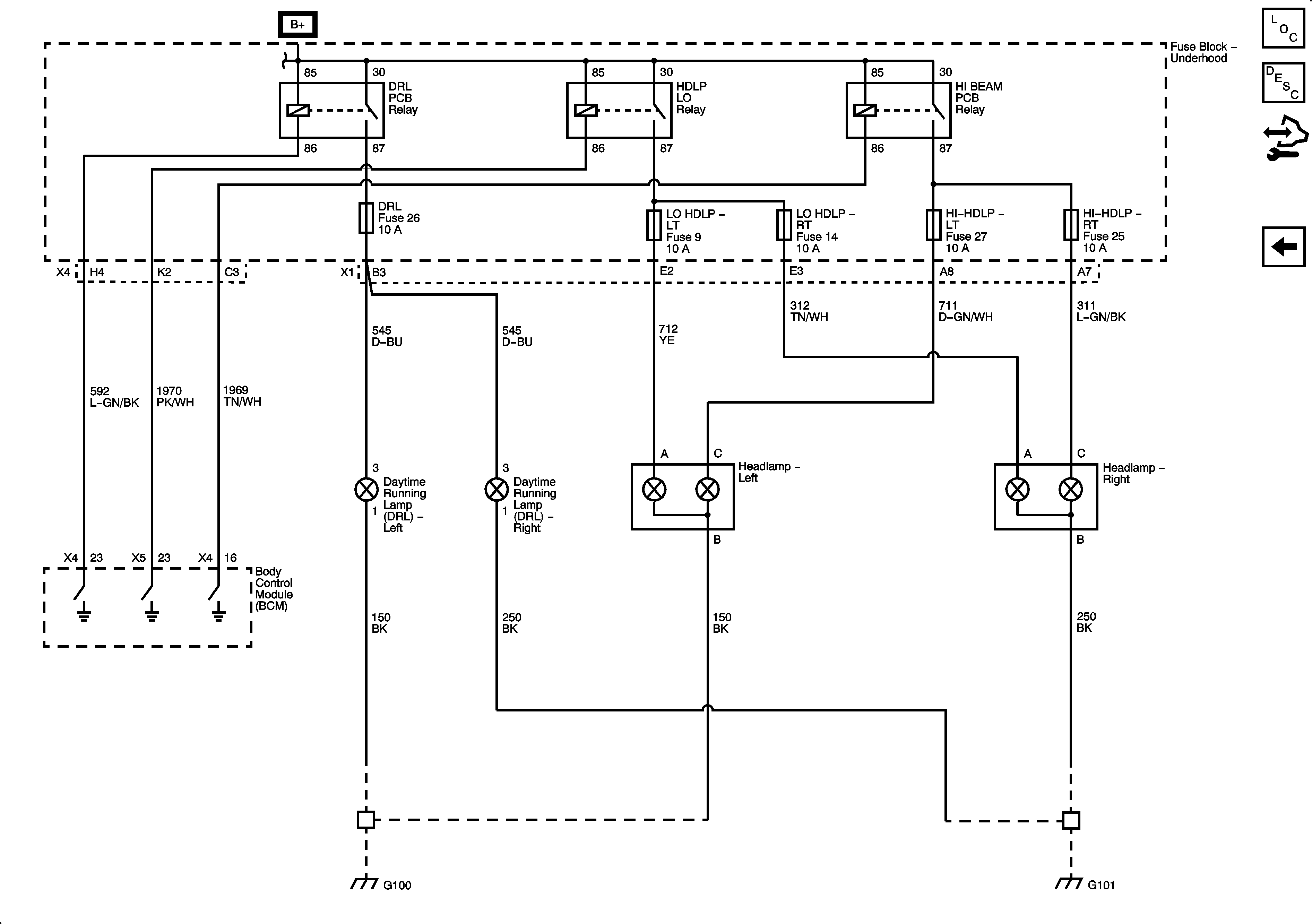
🢒 Headlights/Daytime Running Lights (DRL) Schematics
Figure
1:
Headlight and Daytime Running Light Controls
Figure
2:
Headlight and Daytime Running Light