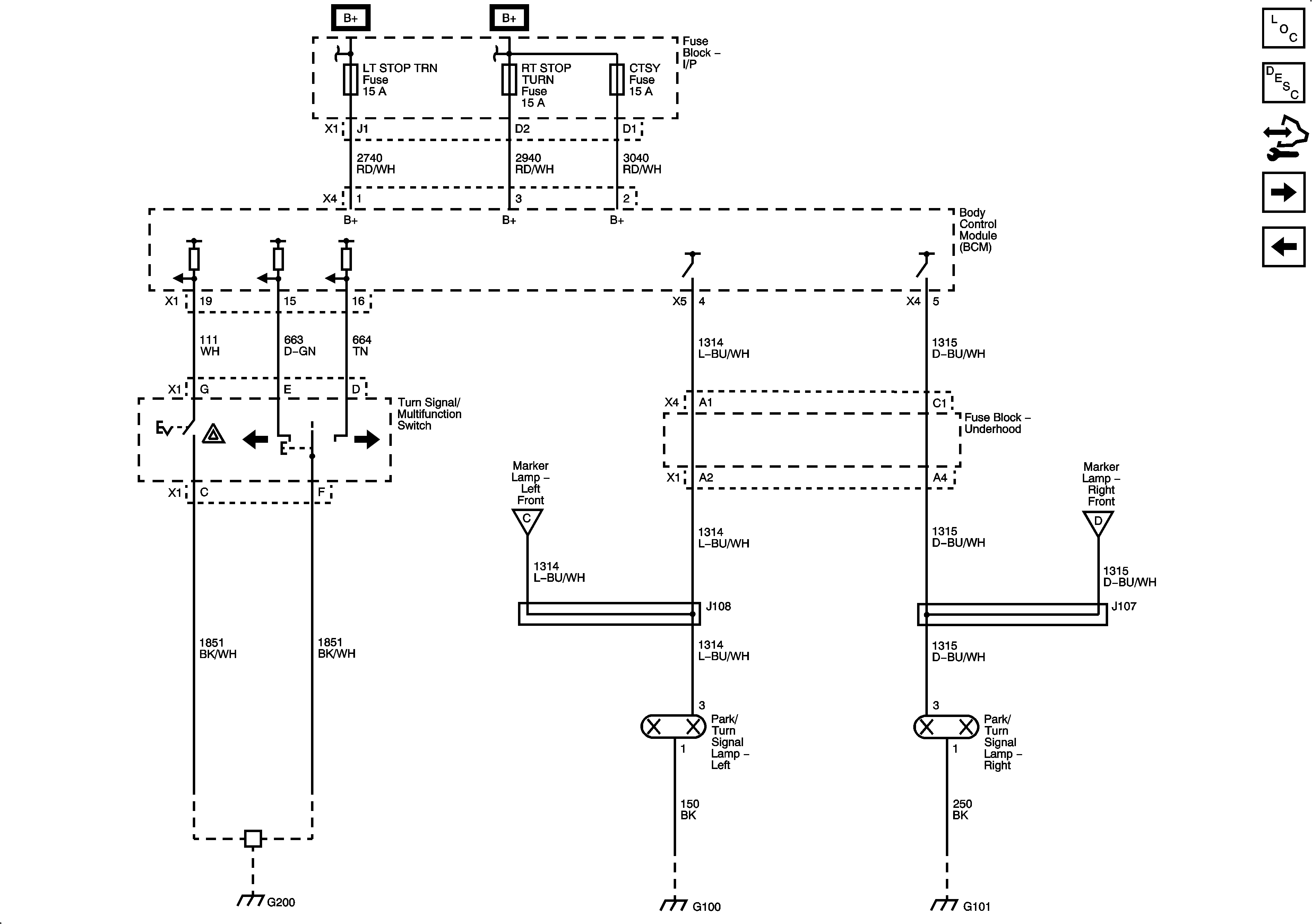
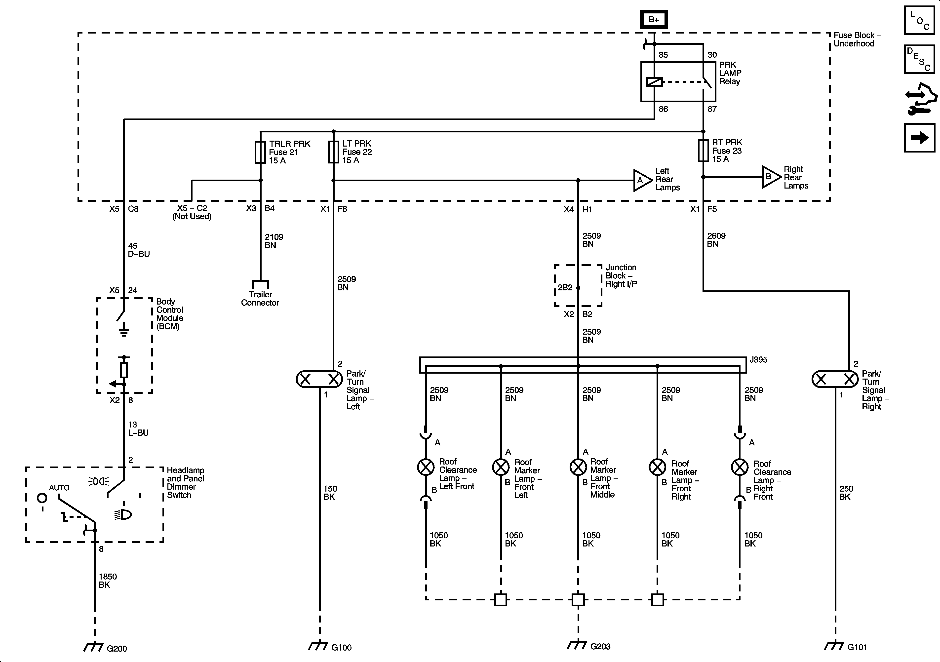
| Figure 1: |
Front Marker and Clearance Lamps
|
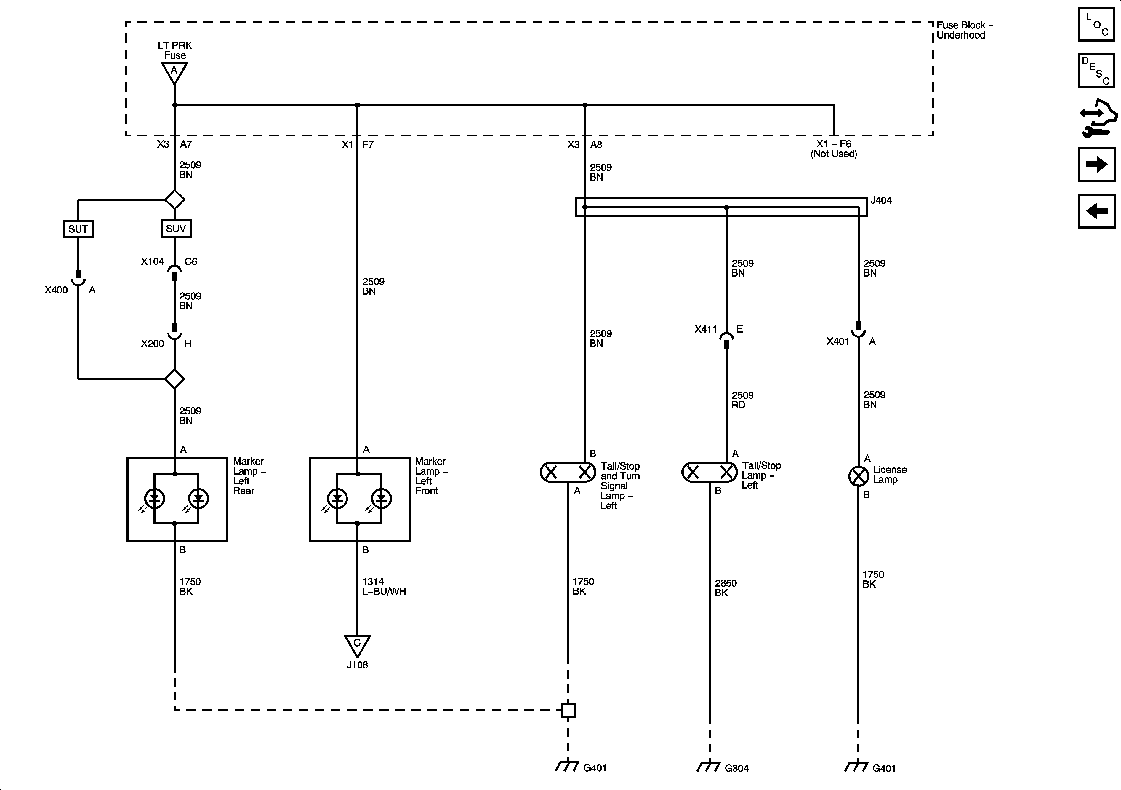
| Figure 2: |
Left Rear Park Lamps and Marker Lamps
|
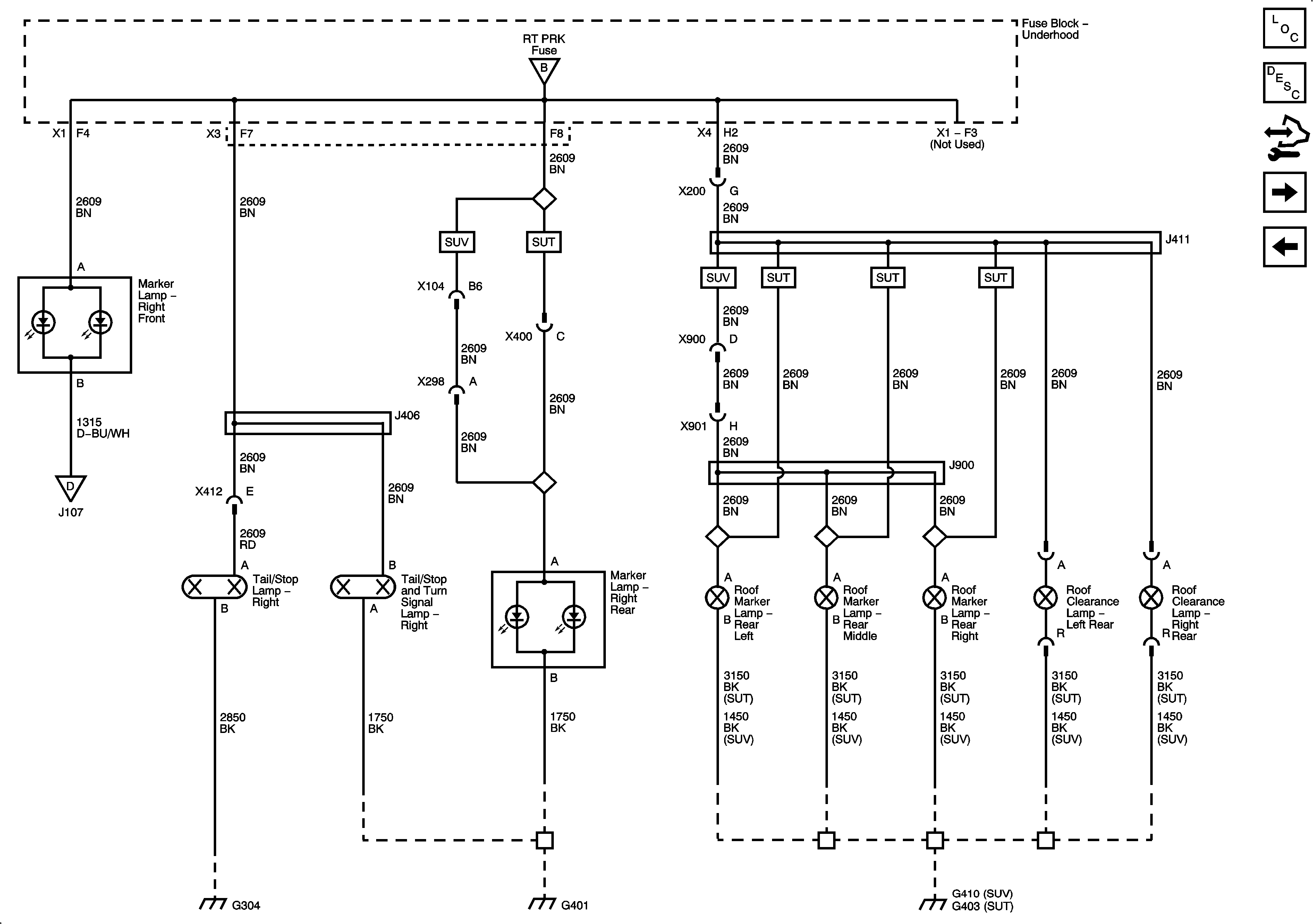
| Figure 3: |
Right Rear Park Lamps and Marker Lamps
|
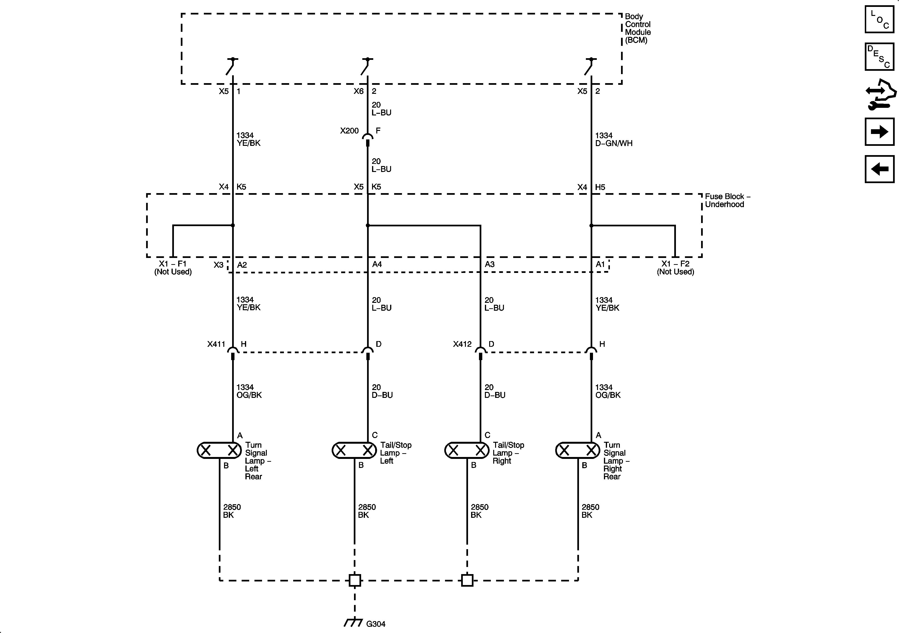
| Figure 4: |
Turn Signal Controls and Front Turn Signal Lamps
|
| Figure 5: |
Rear Stop and Turn Signal Lamps
|
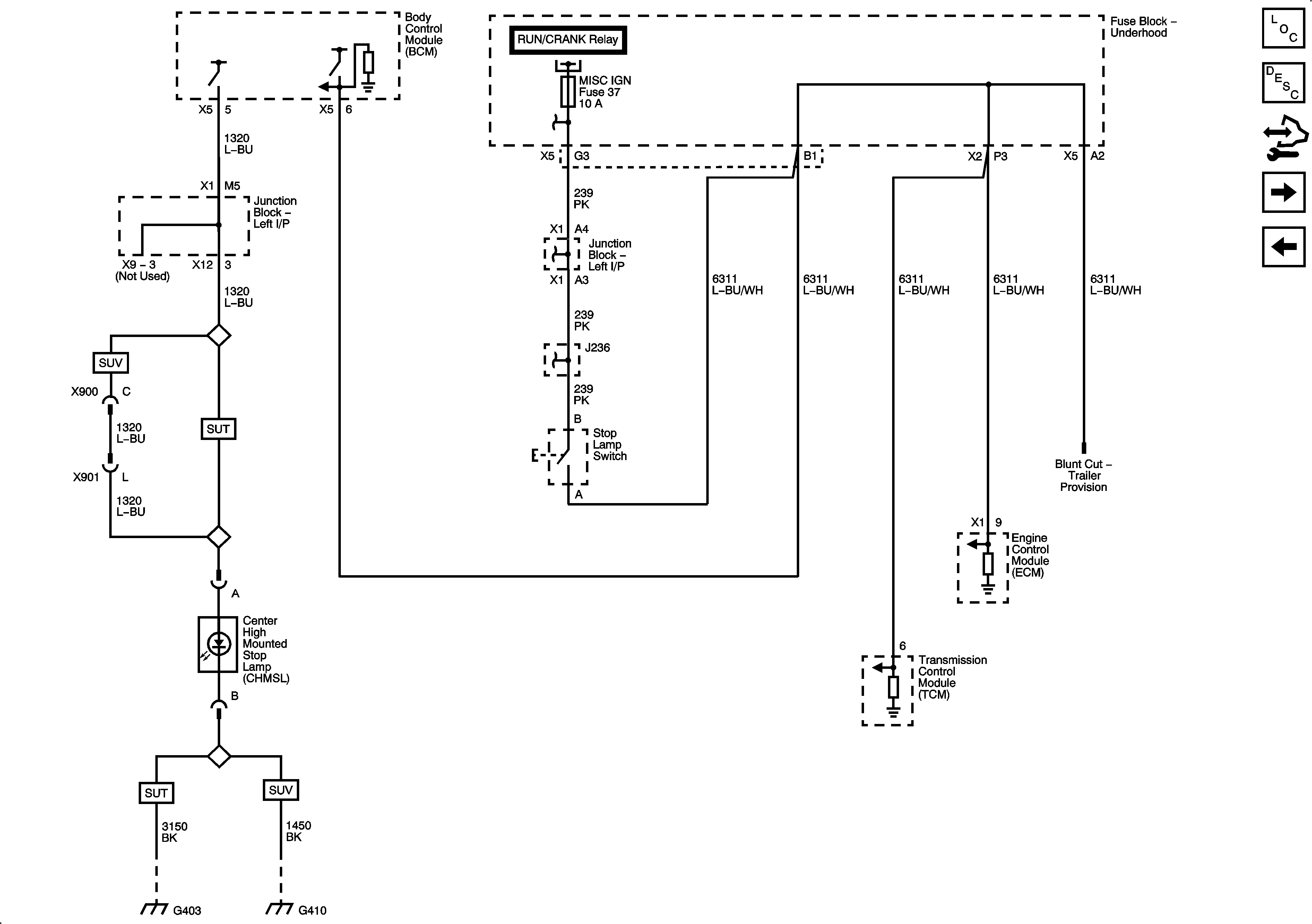
| Figure 6: |
Stop Lamp Controls and CHMSL
|
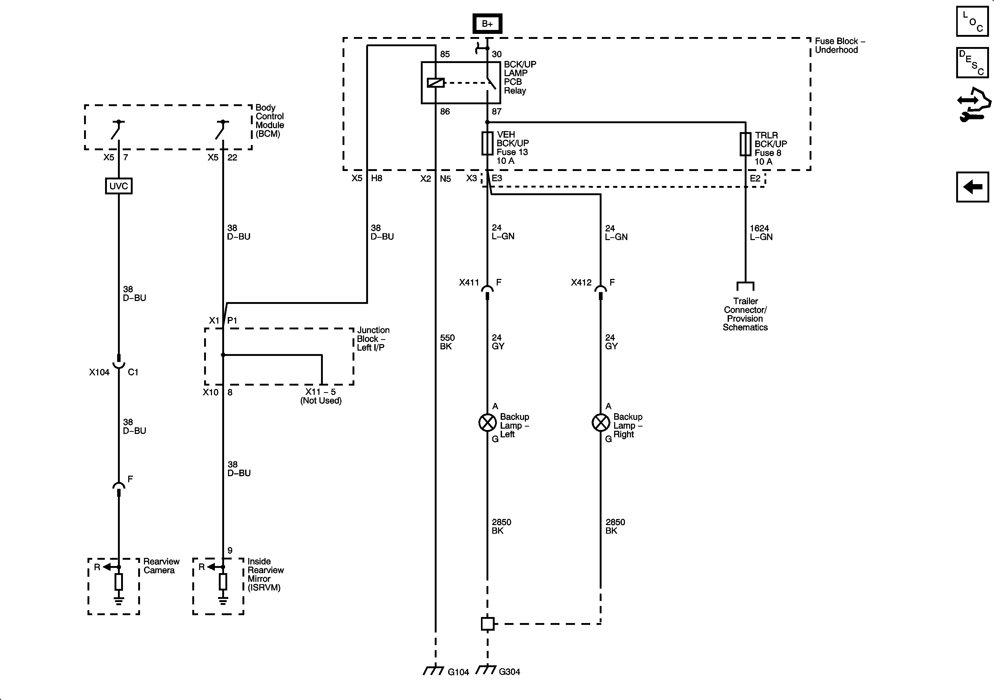
| Figure 7: |
Backup Lamps
|
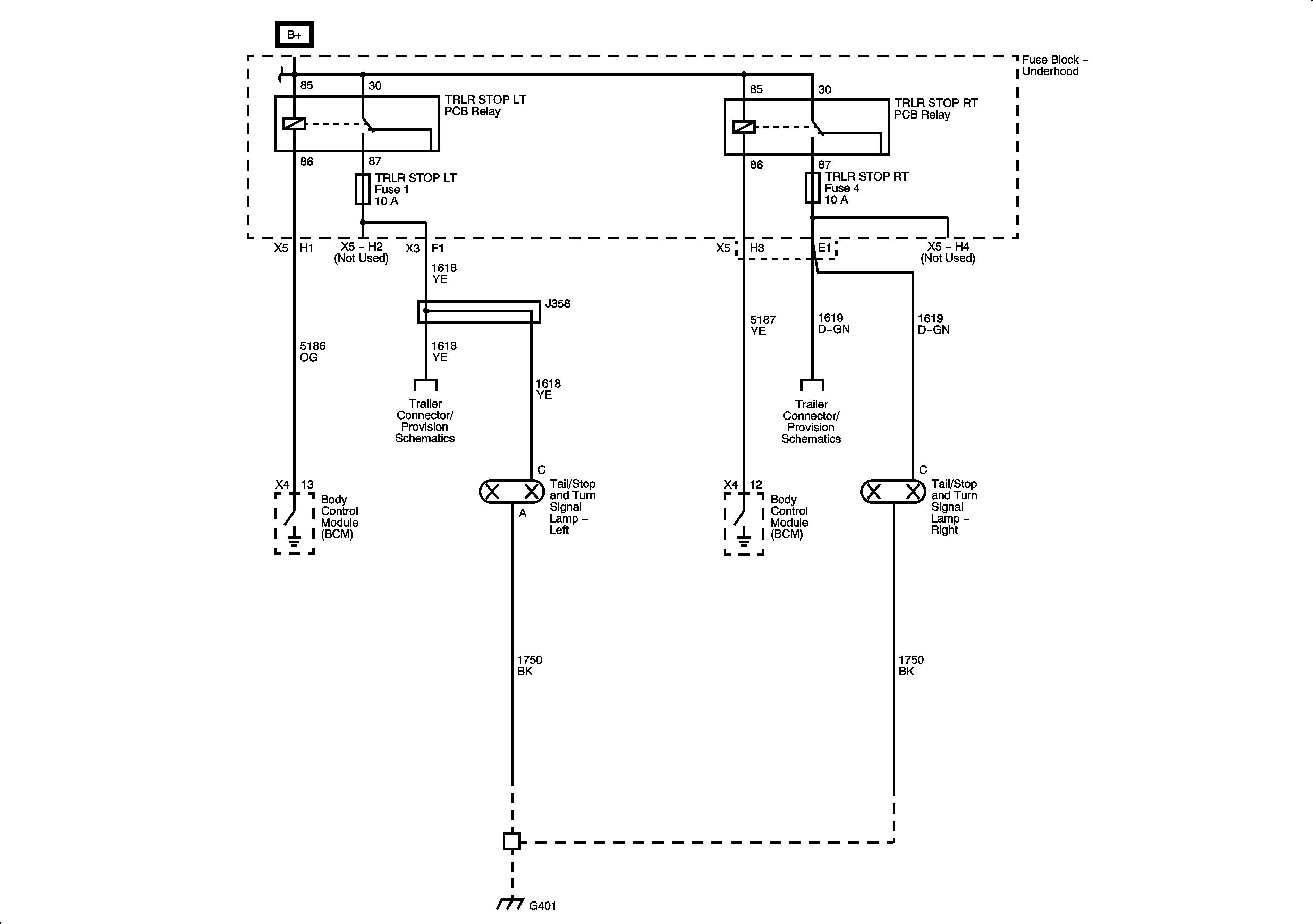
| Figure 8: |
Tail/Stop and Turn Signal Lamps
|