GM Service Manual Online
For 1990-2009 cars only
Makes
🢒
HUMMER
🢒
2009
🢒
H2
🢒
Body Systems
🢒
Lighting
🢒 Interior Lights Schematics
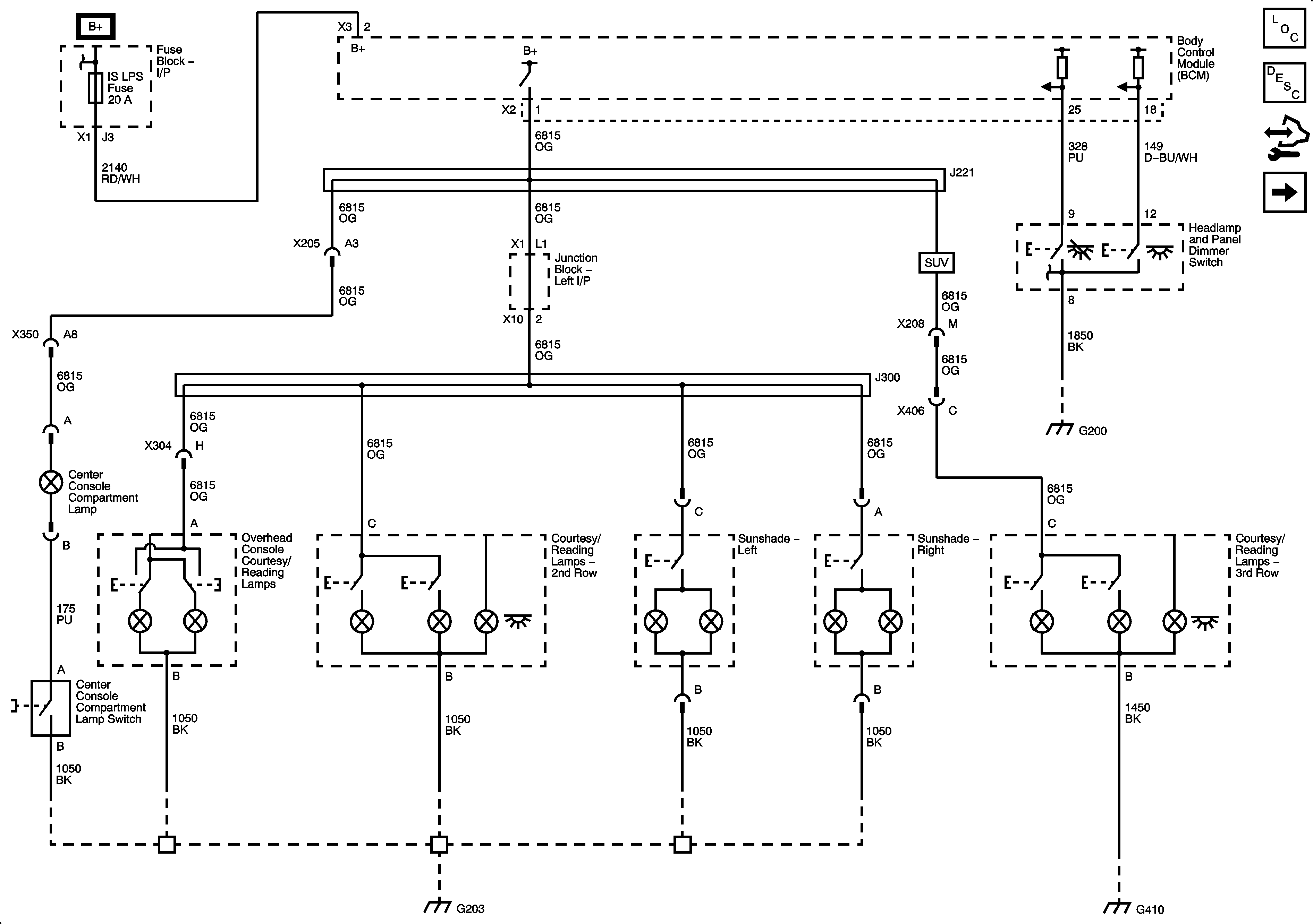
Figure
1:
Inadvertent Lamp Control
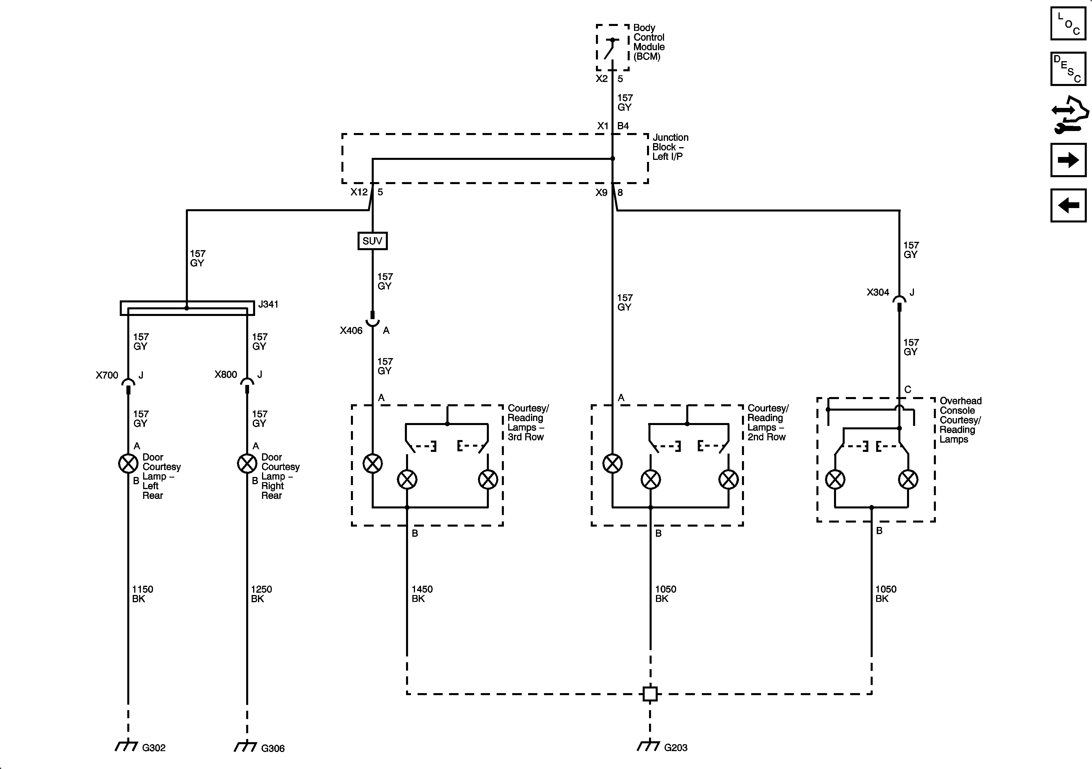
Figure
2:
Courtesy Lamp Control
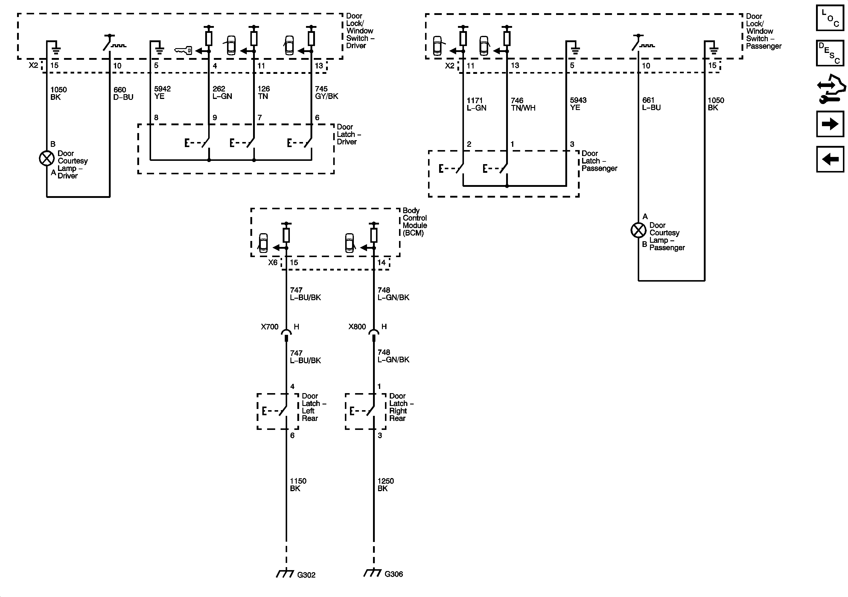
Figure
3:
Door Jamb Switches