GM Service Manual Online
For 1990-2009 cars only
Makes
🢒
HUMMER
🢒
2009
🢒
H2
🢒
Body Systems
🢒
Mirrors
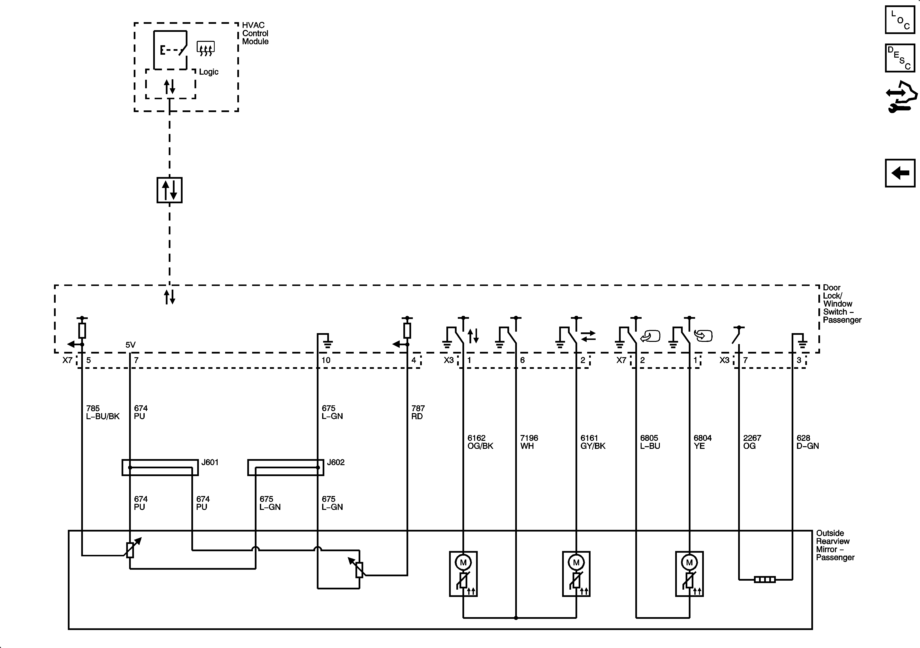
🢒 Outside Rearview Mirror Schematics
Figure
1:
Driver
Figure
2:
Passenger