GM Service Manual Online
For 1990-2009 cars only
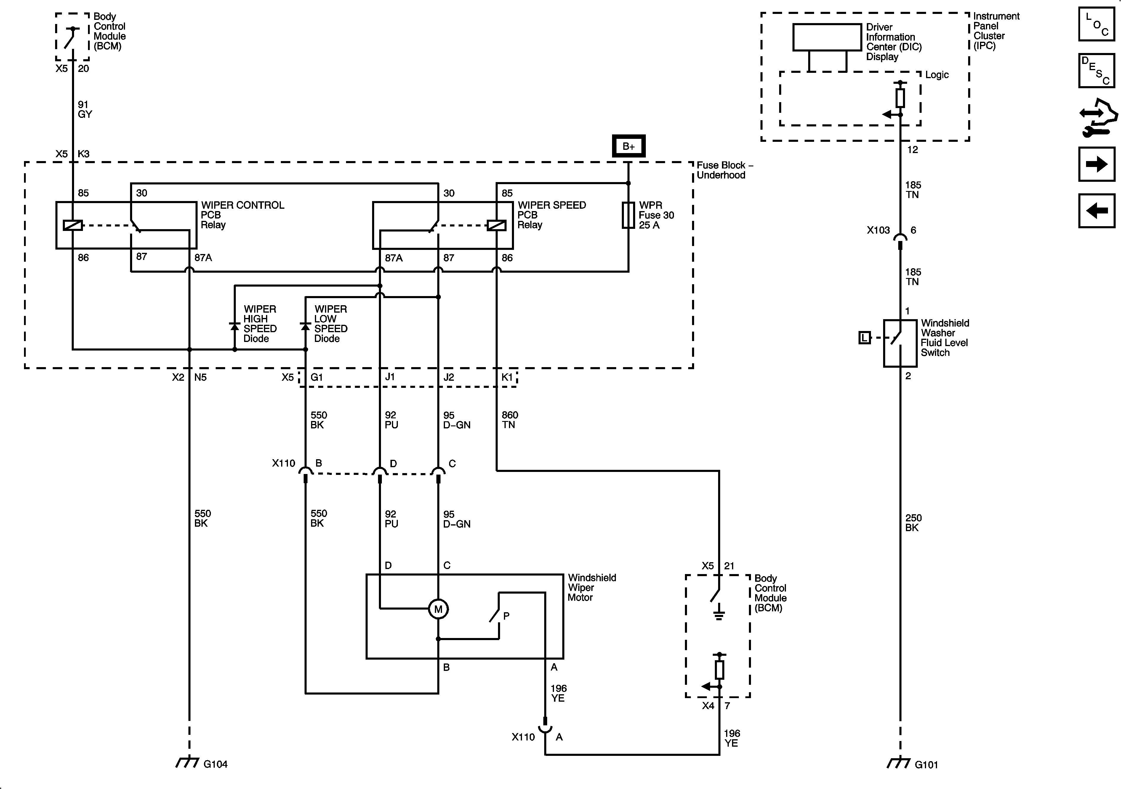
Figure 1:

Wiper Controls


Object Number: 2097156  Size: FS
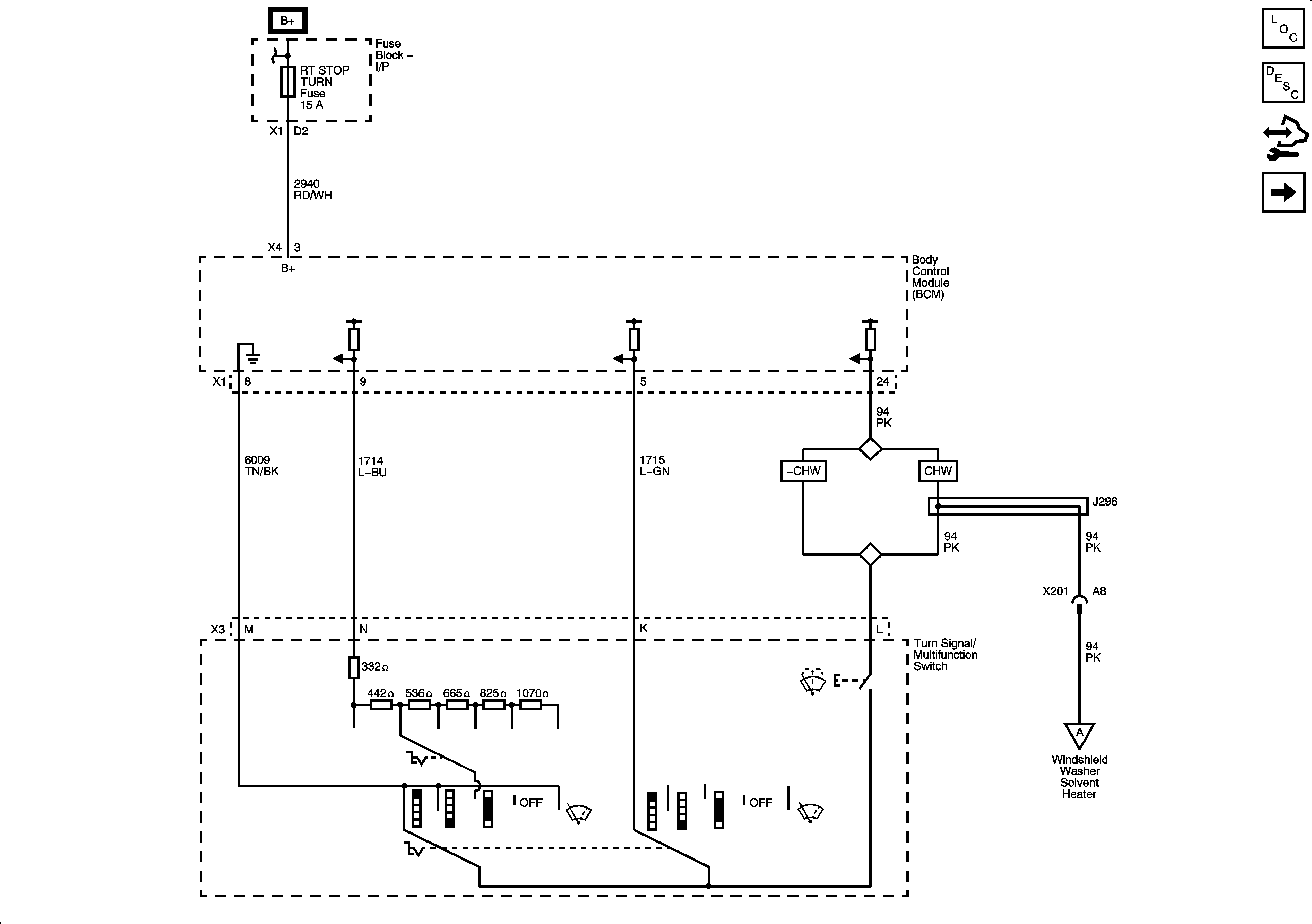
Figure 2:

Wiper and Washer Motor Control


Object Number: 2097157  Size: FS
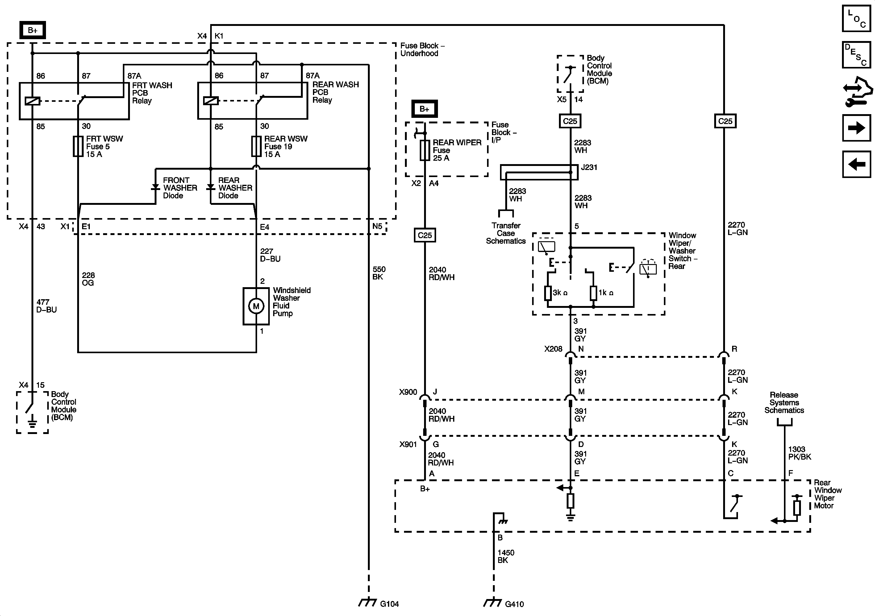
Figure 3:

Rear Wiper and Washer


Object Number: 2097158  Size: FS