GM Service Manual Online
For 1990-2009 cars only

Object Number: 2046776  Size: MF

Callout

Component Name

Warning: Refer to SIR Warning in the Preface section.

Preliminary Procedures

  1. Disable the supplemental inflatable restraint (SIR) system. Refer to SIR Disabling and Enabling.
  2. Remove the front door trim panel. Refer to Front Side Door Trim Panel Replacement.
  3. Remove the side door check link bolt. Refer to Door Check Link Replacement

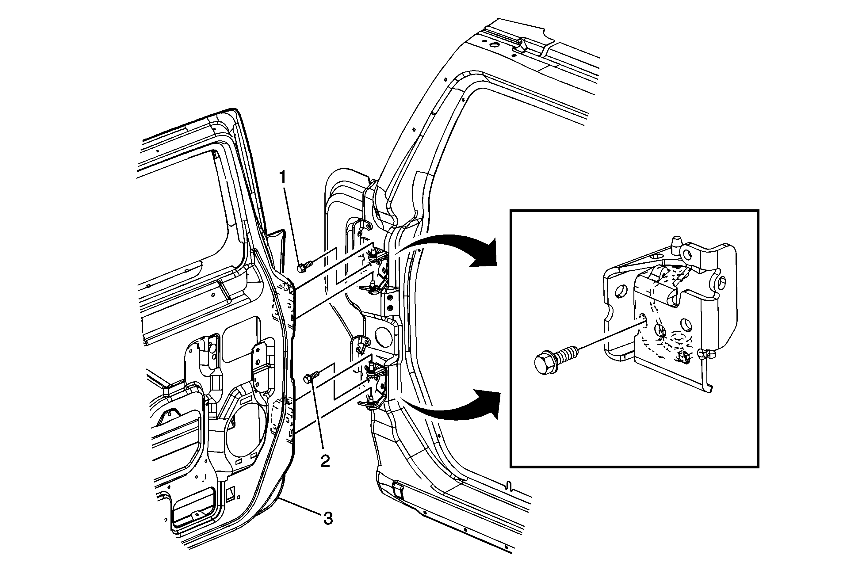
1

Front Side Door Hinge Upper Bolt (Qty: 2)

Caution: Refer to Fastener Caution in the Preface section.

Procedure

  1. Remove the water deflector.
  2. Support the door before removing the hinge bolts.
  3. Disconnect the electrical connector, if equipped.
  4. With the aid of an assistant, remove the door.

Tighten
35 N·m (26 lb ft)

2

Front Side Door Hinge Lower Bolt (Qty: 2)

Tighten
35 N·m (26 lb ft)

3

Front Side Door Assembly

Procedure

When replacing the door it is necessary to transfer all of the internal components.