GM Service Manual Online
For 1990-2009 cars only

Special Tools

J 24319-B Steering Linkage and Tie Rod Puller

Removal Procedure

  1. Turn the steering wheel to the straight forward position, support it from movement, and remove the ignition key.
  2. Place drain pans under the vehicle as needed.
  3. Remove the engine protection shield. Refer to Engine Protection Shield Replacement.
  4. Caution: Refer to Power Steering Hose Disconnected Caution in the Preface section.


    Object Number: 1830728  Size: SH
  5. Disconnect the power steering cooler hose from the steering gear and discard the O-ring seal.

  6. Object Number: 1830917  Size: SH
  7. Disconnect the power steering gear inlet hose from the steering gear and discard the O-ring seal.

  8. Object Number: 1830922  Size: SH
  9. Remove the steering shaft coupling bolt and disconnect the steering shaft coupling from the steering gear.

  10. Object Number: 832396  Size: SH
  11. Separate the pitman arm from the relay rod using puller J 24319-B .

  12. Object Number: 1864181  Size: SH
  13. Remove the pitman arm nut (1) and discard it.

  14. Object Number: 793263  Size: SH
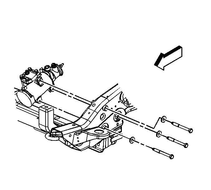
  15. Remove the steering gear bolts.
  16. Remove the steering gear from the vehicle.
  17. Transfer any parts as needed.

Installation Procedure

    Caution: Refer to Fastener Caution in the Preface section.


    Object Number: 793263  Size: SH

    Note: Start all of the steering gear bolts by hand and fully seat them before finalizing the torque.

  1. Position the steering gear to the frame and install the steering gear bolts.
  2. Tighten
    Tighten the bolts to 150 N·m (111 lb ft).


    Object Number: 1864181  Size: SH
  3. Connect the pitman arm to the relay rod.
  4. Install the new pitman arm nut (1).
  5. Tighten
    Tighten the nut to 62 N·m (46 lb ft).


    Object Number: 1830922  Size: SH
  6. Position the steering shaft coupling to the steering gear.
  7. Install the steering shaft coupling bolt.
  8. Tighten
    Tighten the bolt to 47 N·m (35 lb ft).


    Object Number: 1830917  Size: SH
  9. Using a new O-ring seal, connect the power steering gear inlet hose to the steering gear.
  10. Tighten
    Tighten the fitting to 28 N·m (21 lb ft).


    Object Number: 1830728  Size: SH
  11. Using a new O-ring seal, connect the power steering cooler pipe/hose to the steering gear.
  12. Tighten
    Tighten the fitting to 28 N·m (21 lb ft).

  13. Clean any excess power steering fluid from the vehicle and remove any drain pans as needed.
  14. Install the engine protection shield. Refer to Engine Protection Shield Replacement.
  15. Fill and bleed the power steering system. Refer to Power Steering System Bleeding.