GM Service Manual Online
For 1990-2009 cars only
Makes
🢒
HUMMER
🢒
2009
🢒
H2
🢒
Power and Signal Distribution
🢒
Data Communications
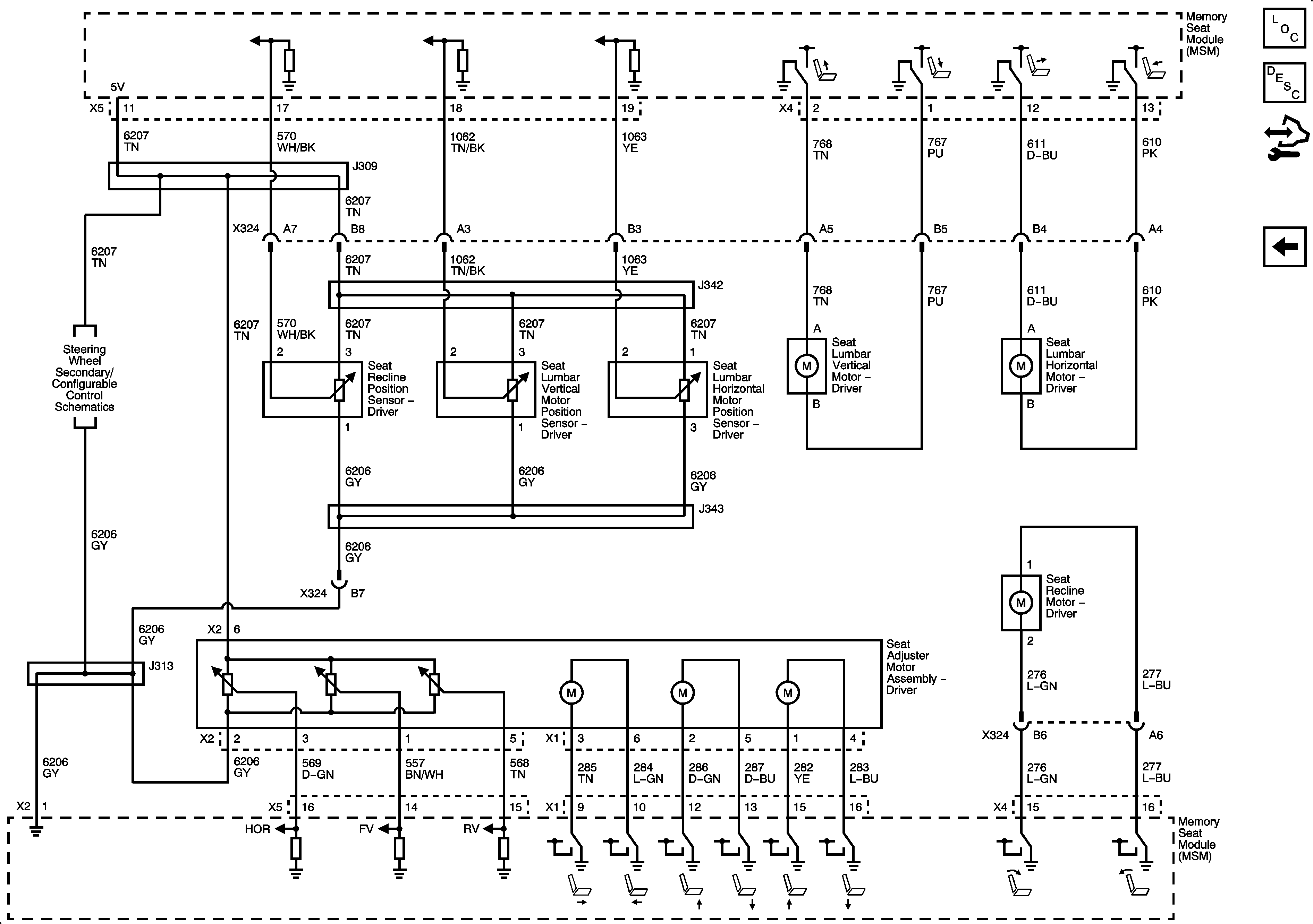
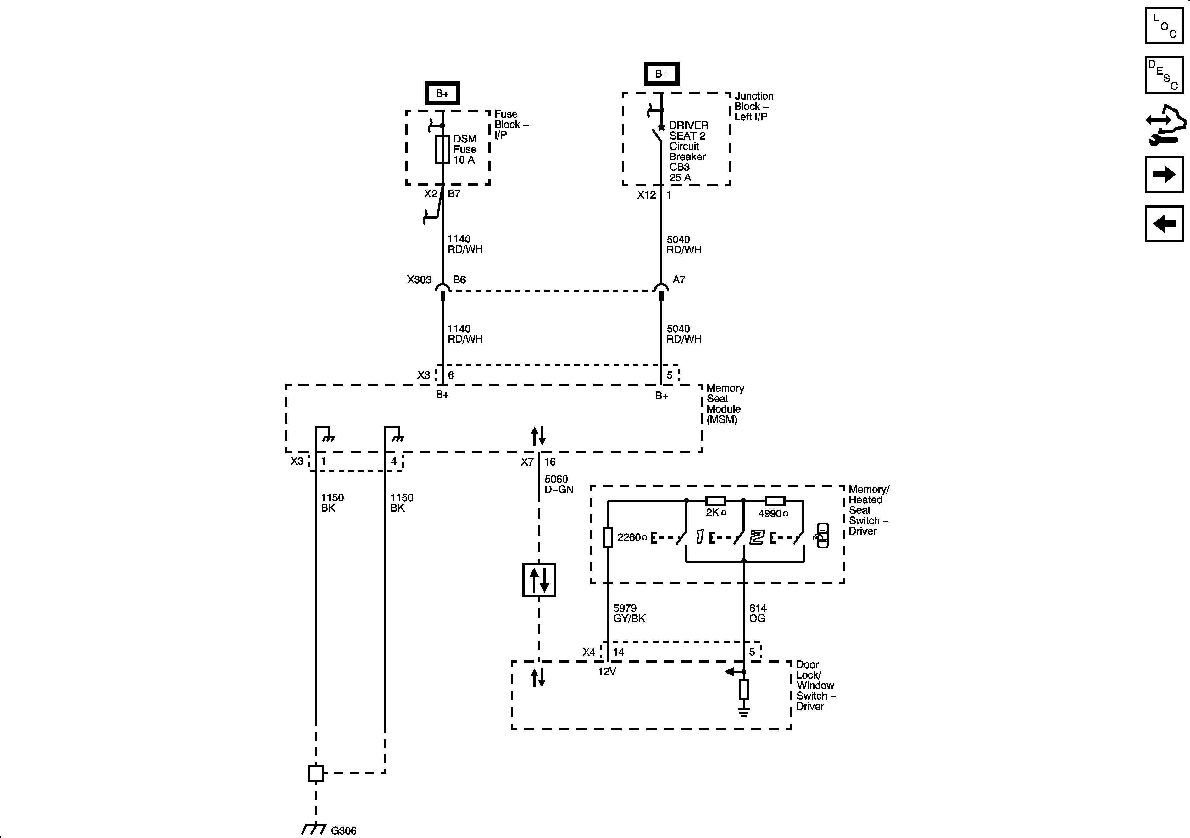
🢒 Driver Seat Schematics
Figure
1:
Module Power, Ground, Serial Data Memory Switch
Figure
2:
Seat Adjuster Switches
Figure
3:
Motors and Position Sensors