GM Service Manual Online
For 1990-2009 cars only
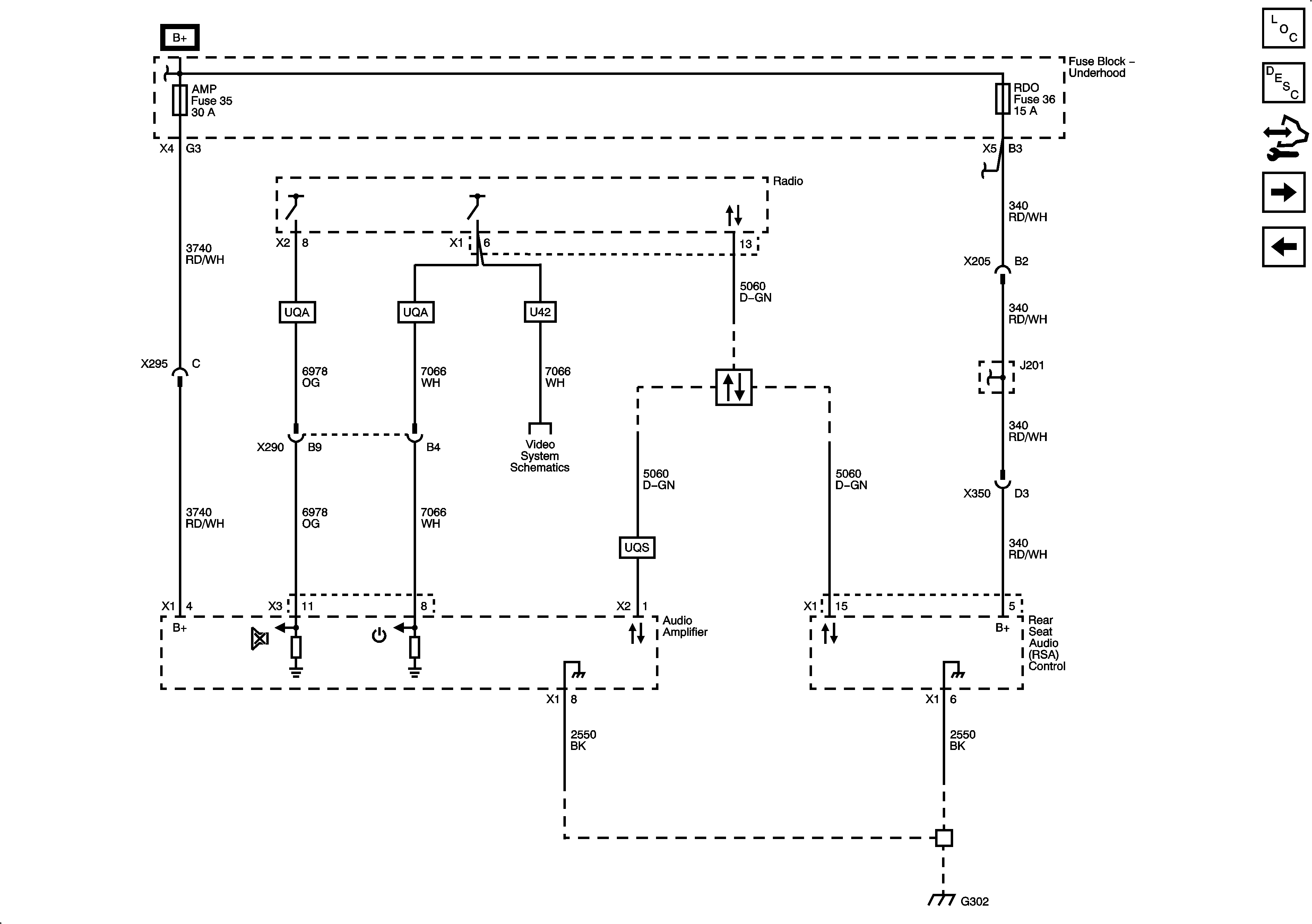
Figure 1:

Radio Power, Ground and Serial Data


Object Number: 2097164  Size: FS
Figure 2:

Amplifier and Rear Seat Audio


Object Number: 2097165  Size: FS
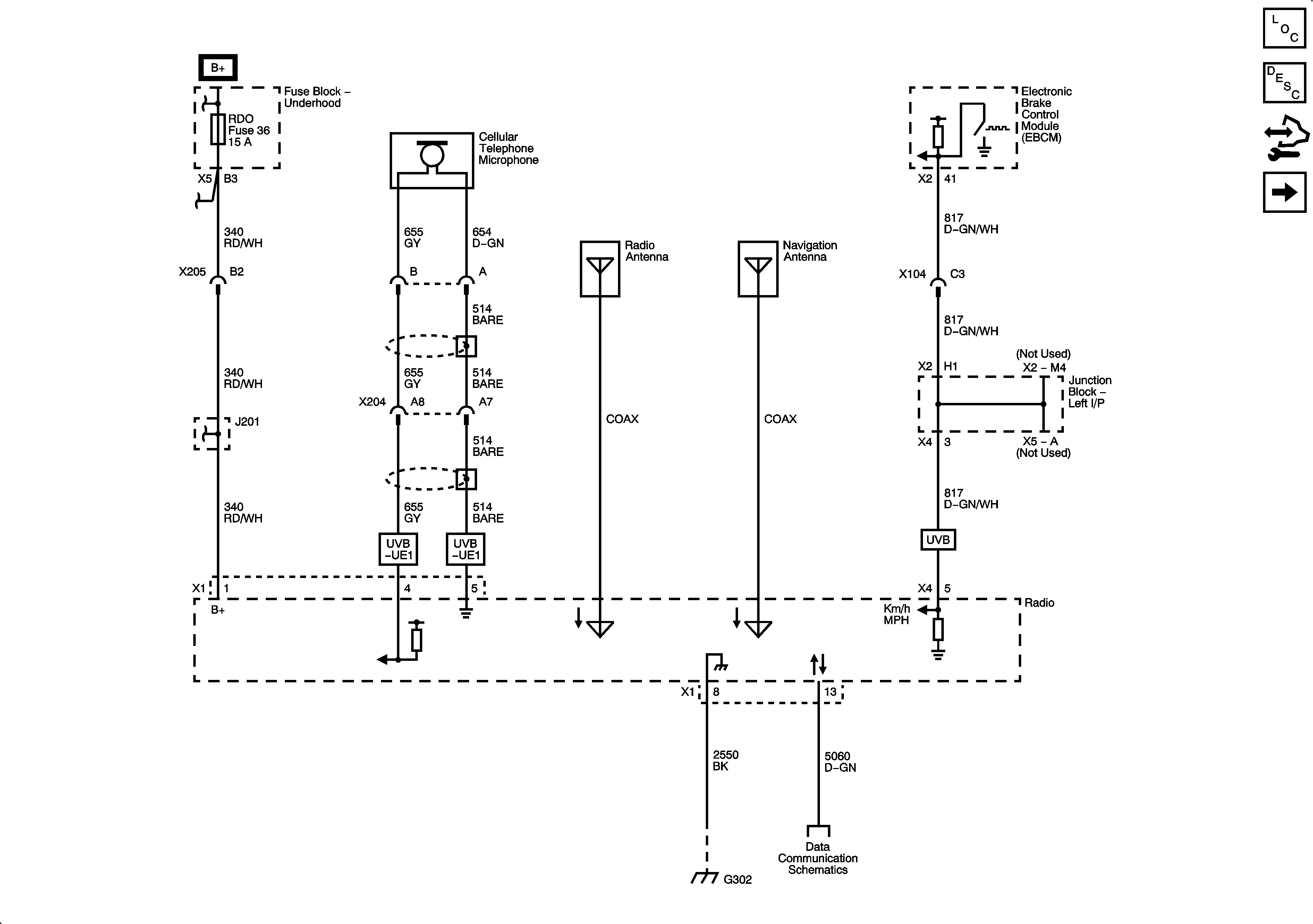
Figure 3:

Amplifier Inputs


Object Number: 2097166  Size: FS
Figure 4:

Front Speakers UQS


Object Number: 2097167  Size: FS
Figure 5:

Right Speakers UQS


Object Number: 2097168  Size: FS
Figure 6:

Right Speakers UQA


Object Number: 2097169  Size: FS
Figure 7:

Digital Radio Receiver U2K


Object Number: 2097170  Size: FS
Figure 8:

Amplifier Inputs UQS


Object Number: 2097171  Size: FS