GM Service Manual Online
For 1990-2009 cars only
Makes
🢒
HUMMER
🢒
2009
🢒
H2
🢒
Power and Signal Distribution
🢒
Data Communications
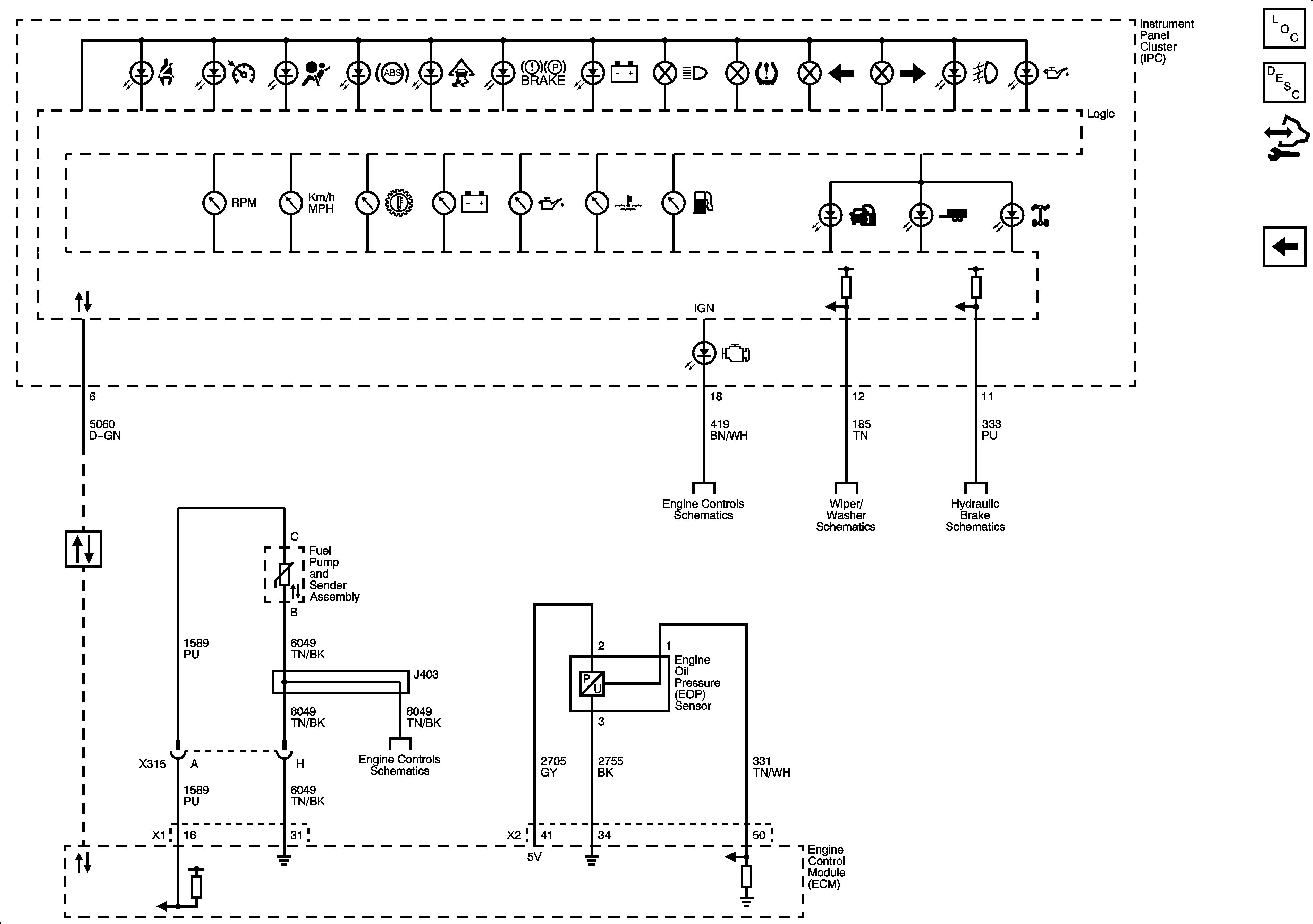
🢒 Instrument Cluster Schematics
Figure
1:
Power, Ground and Driver Information Switch
Figure
2:
Indicators