GM Service Manual Online
For 1990-2009 cars only
Figure 1:

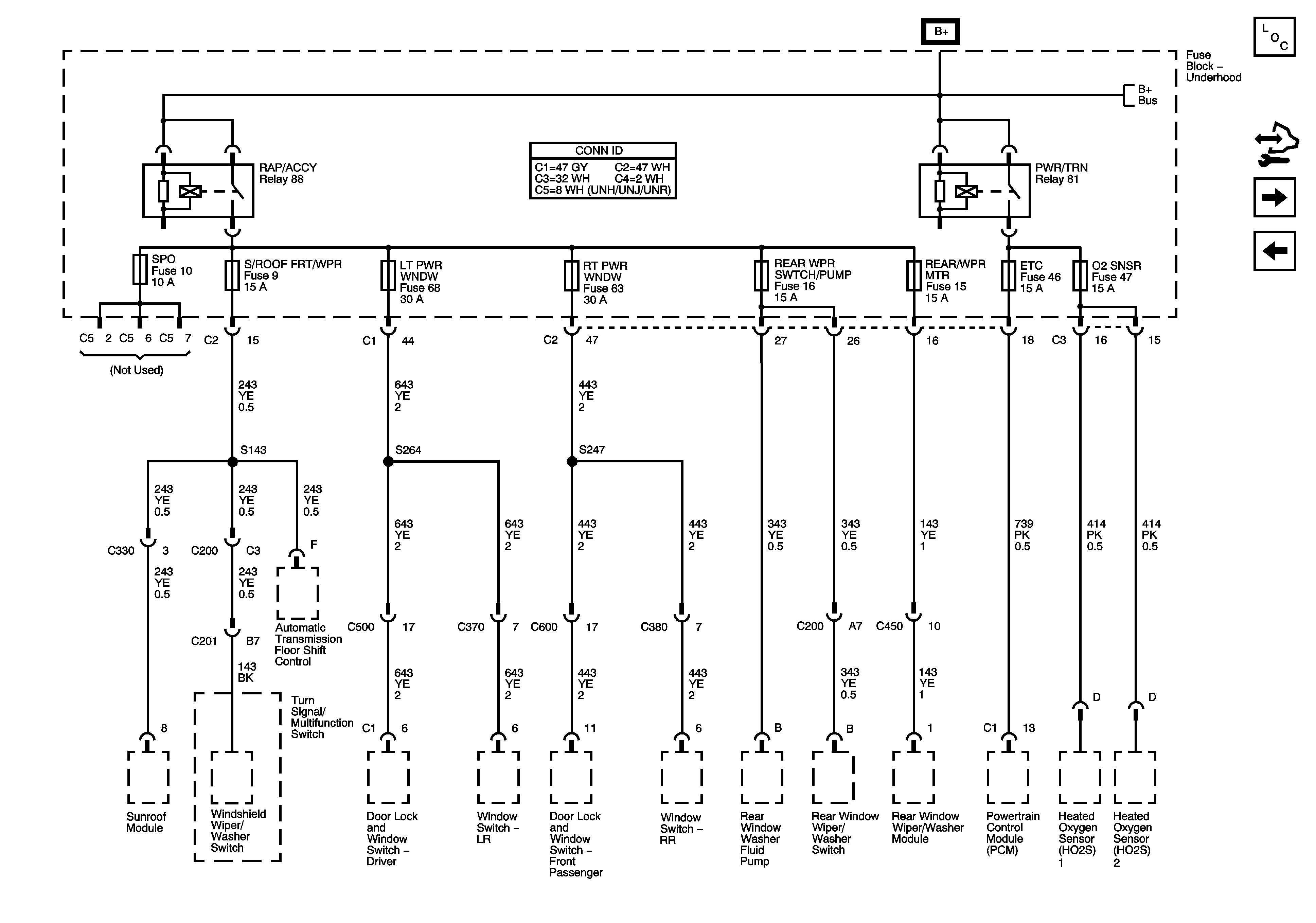
B+ Bus - Underhood Fuse Block - 1 of 2


Object Number: 1566844  Size: FS
Master Electrical Component List
Control Module References
B+ Bus - Underhood Fuse Block - 2 of 2
B+ Bus - Underhood Fuse Block - 2 of 2
Figure 2:

B+ Bus - Underhood Fuse Block - 2 of 2


Object Number: 1566846  Size: FS
Master Electrical Component List
Control Module References
ABS/VSES1-SOL, ABS/VSES2-MTR, AUX PWR 1, AUX PWR 2, CLSTR, CNSTR VENT, PCM-B, RDO, STOP, and TCCM Fuses
B+ Bus - Underhood Fuse Block - 1 of 2
B+ Bus - Underhood Fuse Block - 1 of 2
Figure 3:

ABS/VES1-SOL, ABS/VES2-MTR, AUX PWR 1, AUX PWR 2, CLSTR, CNSTR VENT, PCM-B, RDO, STOP, and TCCM Fuses


Object Number: 1566850  Size: FS
Master Electrical Component List
Control Module References
B+ Bus - Underhood Fuse Block - 2 of 2
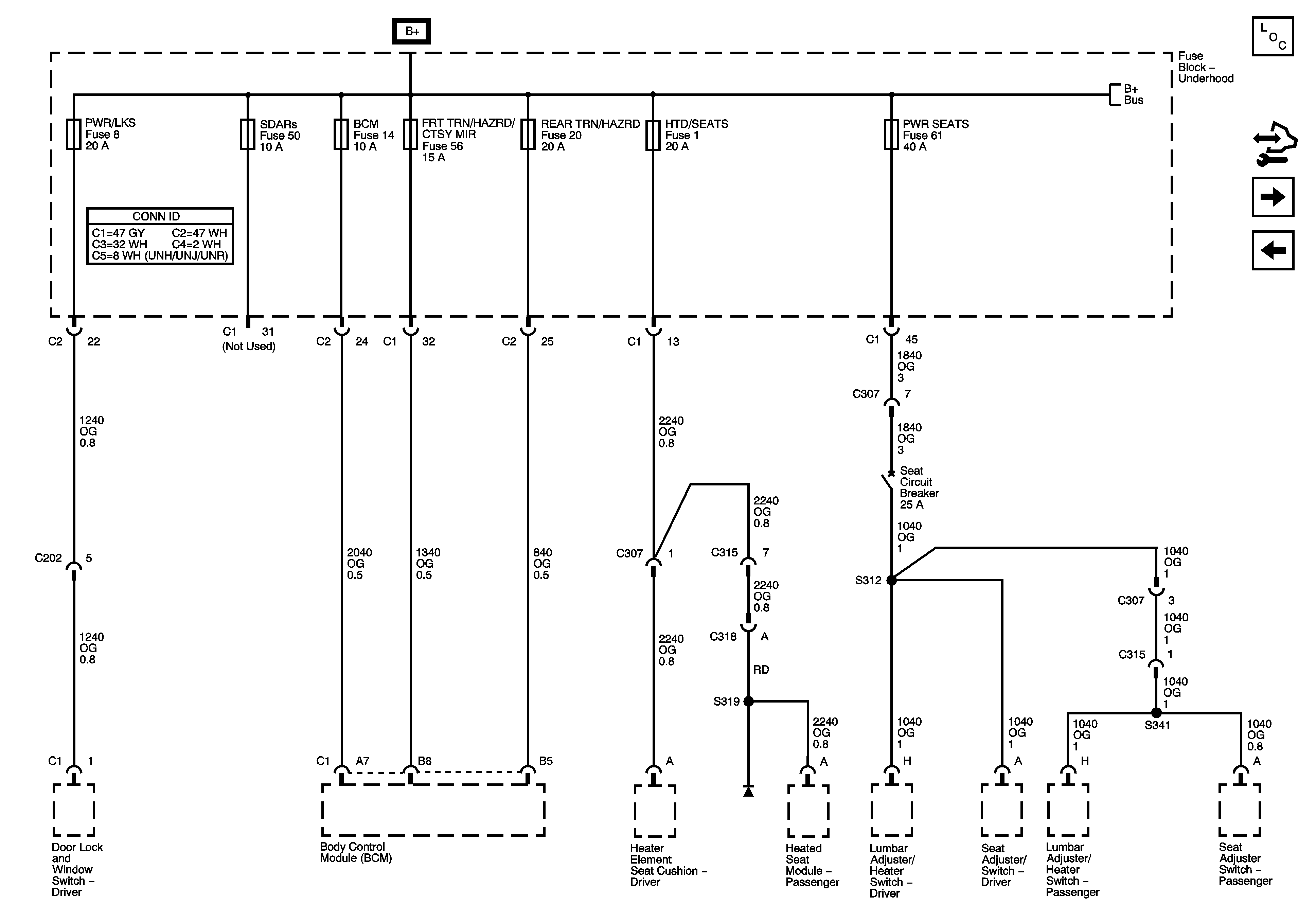
BCM, FRT TRN/HAZRD/CTSY MIR, HTD/SEATS, PWR/LKS, PWR SEATS, REAR TRN/HAZRD, and SDARs Fuses
B+ Bus - Underhood Fuse Block - 1 of 2
Figure 4:

BCM, FRT TRN/HAZRD/CTSY MIR, HTD/SEATS, PWR/LKS, PWR SEATS, REAR TRN/HAZRD, and SDARs Fuses


Object Number: 1566856  Size: FS
Master Electrical Component List
Control Module References
ABS/VSES1-SOL, ABS/VSES2-MTR, AUX PWR 1, AUX PWR 2, CLSTR, CNSTR VENT, PCM-B, RDO, STOP, and TCCM Fuses
AIR CMPRSR, AMP, E-BRAKE, GRILLE GUARD, MEGAFUSE, PWR S/ROOF, ROOF LP, and TRLR B+ Fuses
B+ Bus - Underhood Fuse Block - 1 of 2
Figure 5:

AIR CMPRSR, AMP, E-BRAKE, GRILLE GUARD, MEGAFUSE, PWR S/ROOF, ROOF LP, and TRLR B+ Fuses


Object Number: 1566859  Size: FS
Master Electrical Component List
Control Module References
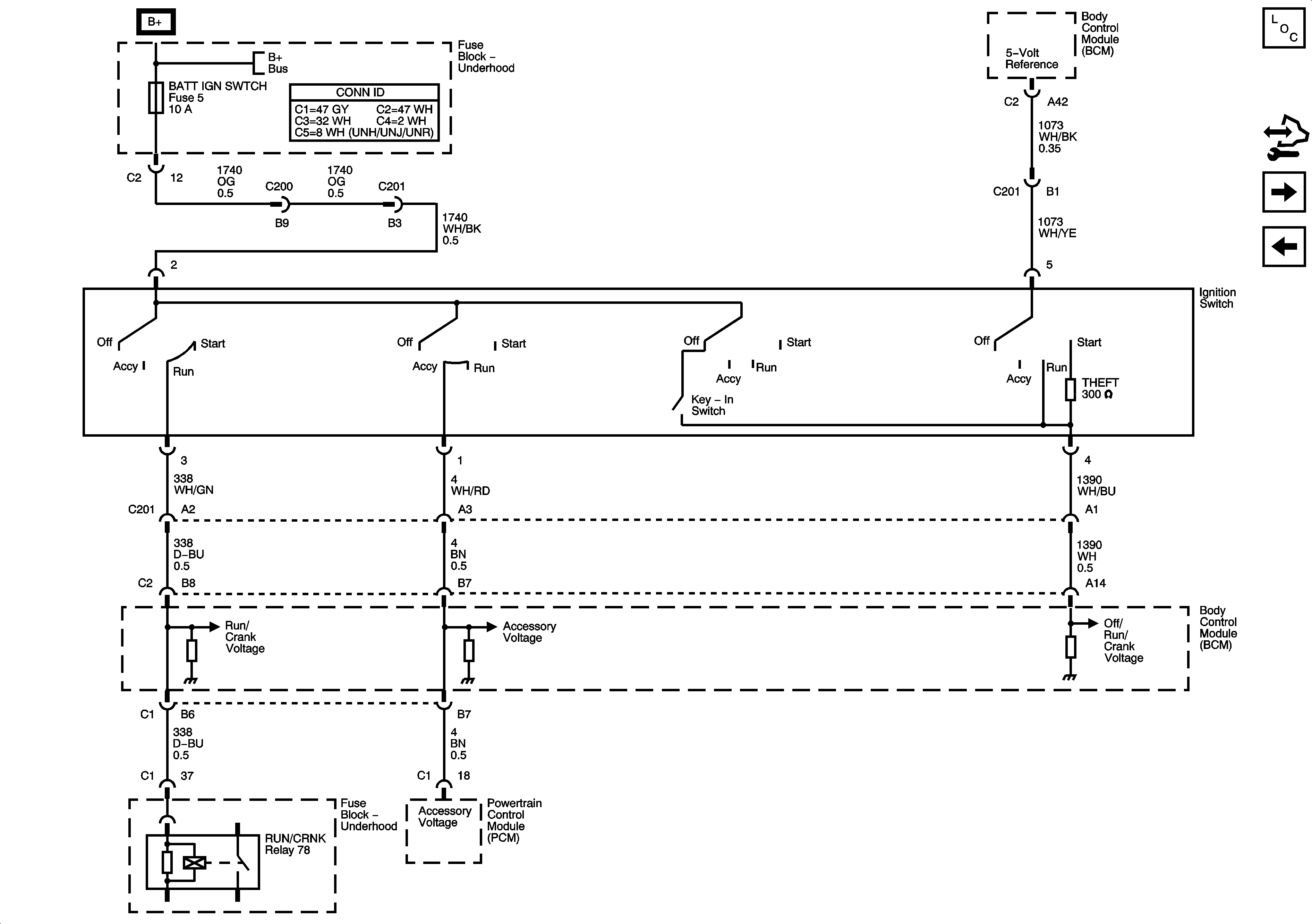
Ignition Switch and BATT IGN SWTCH Fuse
BCM, FRT TRN/HAZRD/CTSY MIR, HTD/SEATS, PWR/LKS, PWR SEATS, REAR TRN/HAZRD, and SDARs Fuses
B+ Bus - Underhood Fuse Block - 1 of 2
Figure 6:

Ignition Switch and BATT IGN SWTCH Fuse


Object Number: 1566863  Size: FS
Master Electrical Component List
Control Module References
RUN/CRNK Relay Bus - 1 of 3, AIRBAG, CRUISE/MISC, and TRANS Fuses
AIR CMPRSR, AMP, E-BRAKE, GRILLE GUARD, MEGAFUSE, PWR S/ROOF, ROOF LP, and TRLR B+ Fuses
B+ Bus - Underhood Fuse Block - 1 of 2
Figure 7:

RUN/CRNK Relay Bus - 1 of 3, AIRBAG, CRUISE/MISC, and TRANS Fuses


Object Number: 1566866  Size: FS
Master Electrical Component List
Control Module References
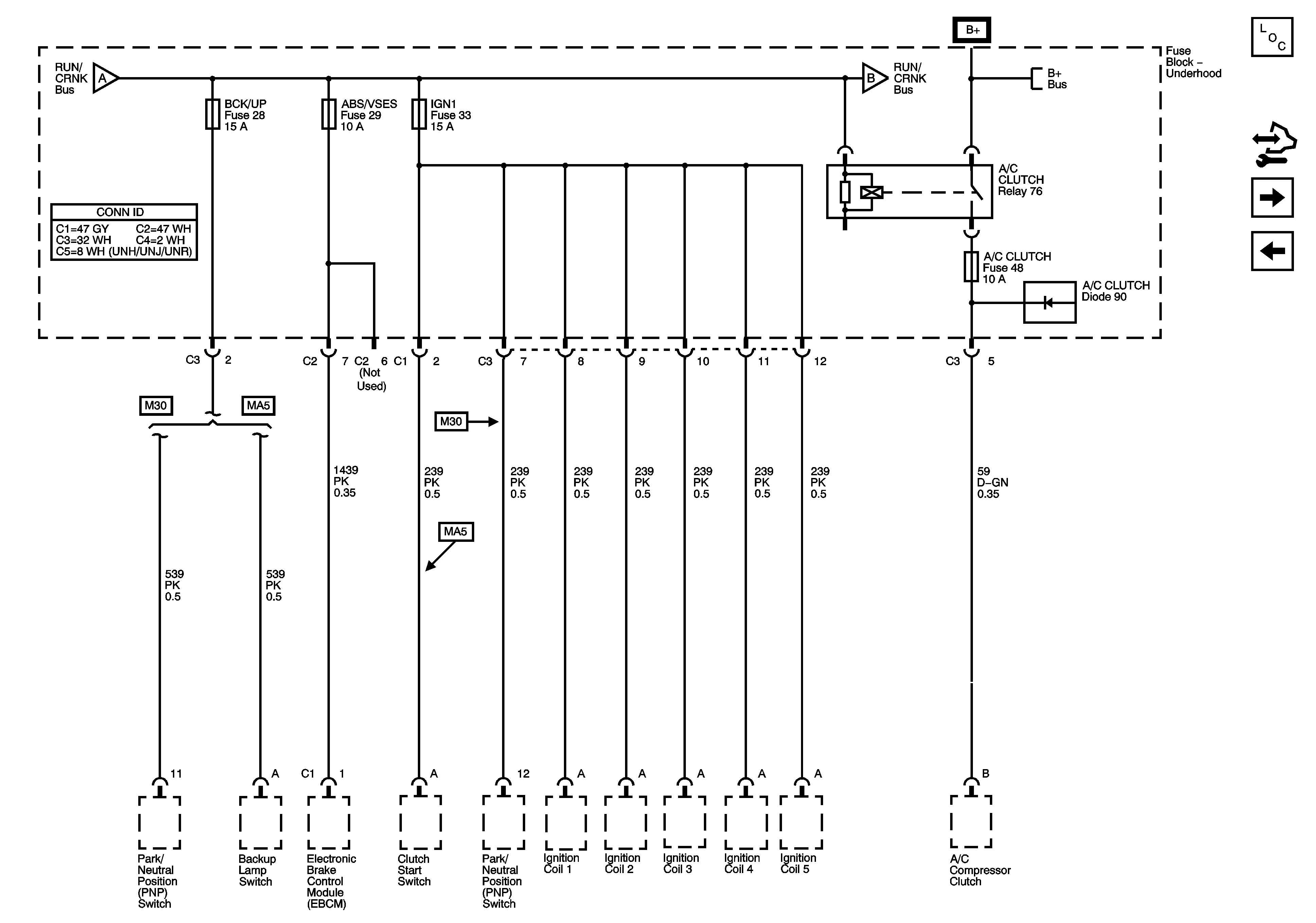
RUN/CRNK Relay Bus - 2 of 3, ABS/VSES, A/C CLUTCH, BCK/UP, and IGN1 Fuses
Ignition Switch and BATT IGN SWTCH Fuse
B+ Bus - Underhood Fuse Block - 1 of 2
RUN/CRNK Relay Bus - 2 of 3, ABS/VSES, A/C CLUTCH, BCK/UP, and IGN1 Fuses
Power and Grounding Schematic Icons
Figure 8:

RUN/CRNK Relay Bus - 2 of 3, ABS/VSES, A/C CLUTCH, BCK/UP, and IGN1 Fuses


Object Number: 1566873  Size: FS
Master Electrical Component List
Control Module References
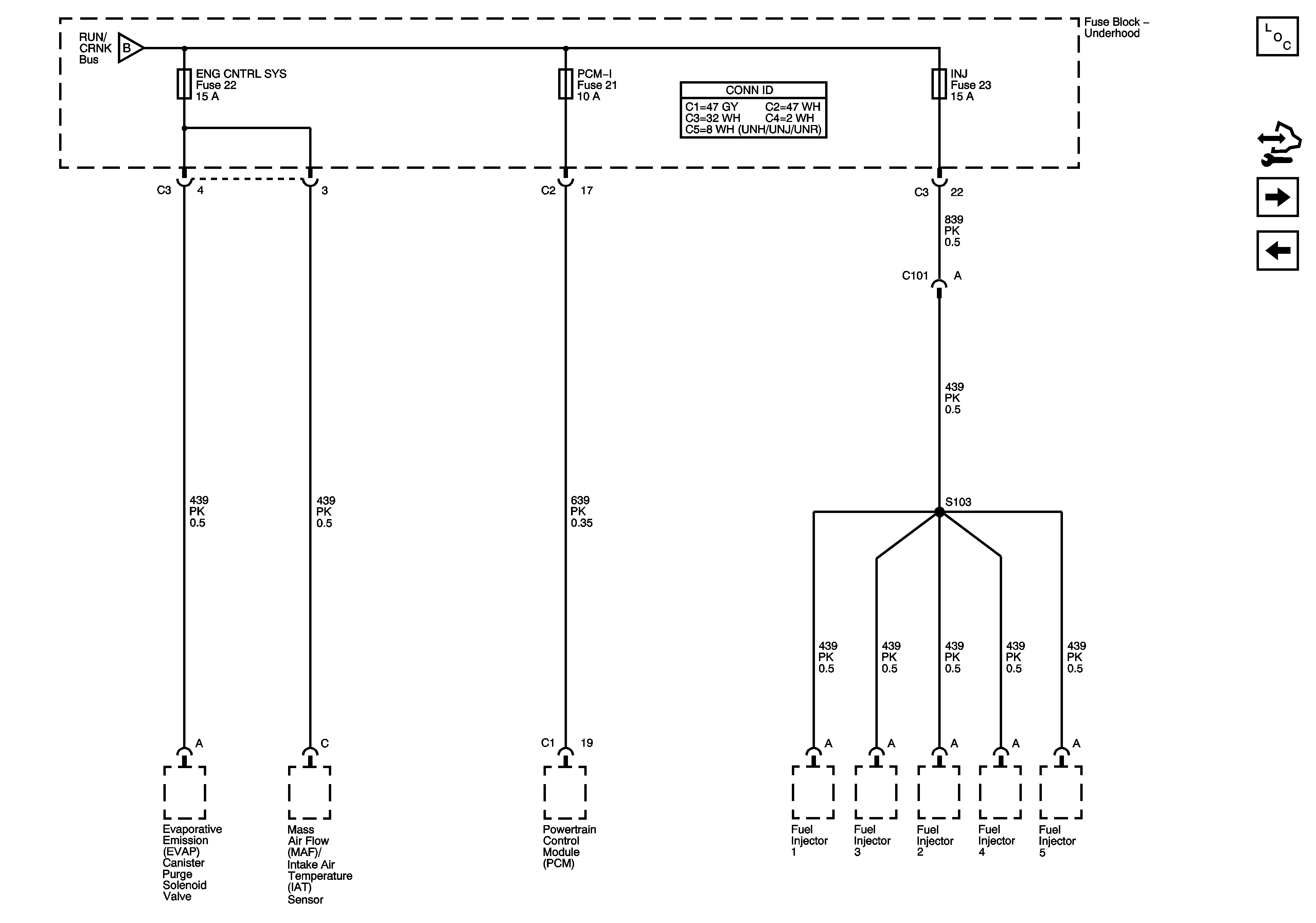
RUN/CRNK Relay Bus - 3 of 3, ENG CNTRL SYS, INJ, and PCM-I Fuses
RUN/CRNK Relay Bus - 1 of 3, AIRBAG, CRUISE/MISC, and TRANS Fuses
RUN/CRNK Relay Bus - 1 of 3, AIRBAG, CRUISE/MISC, and TRANS Fuses
RUN/CRNK Relay Bus - 3 of 3, ENG CNTRL SYS, INJ, and PCM-I Fuses
B+ Bus - Underhood Fuse Block - 1 of 2
Figure 9:

RUN/CRNK Relay Bus - 3 of 3, ENG CNTRL SYS, INJ, and PCM-I Fuses


Object Number: 1566877  Size: FS
Master Electrical Component List
Control Module References
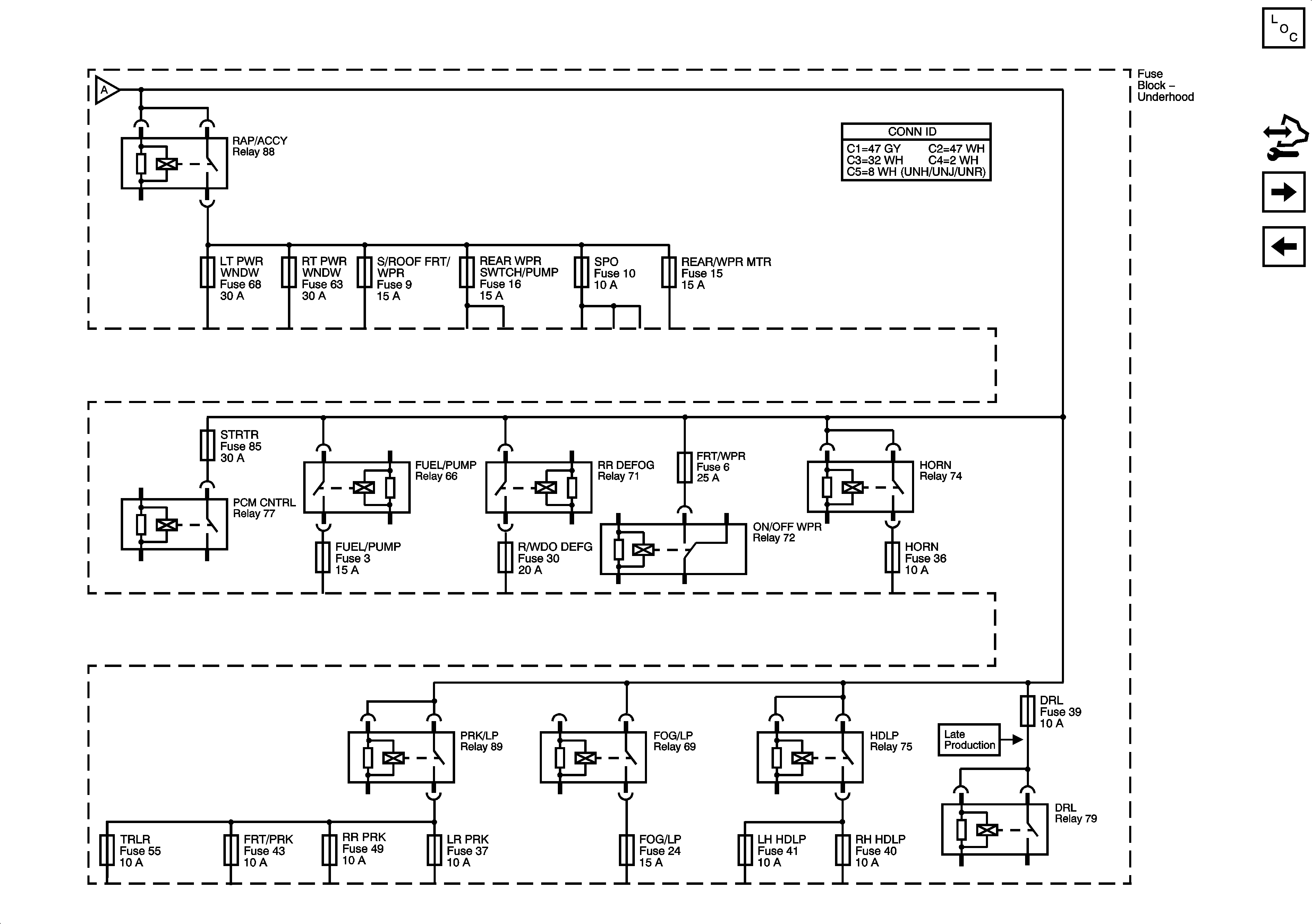
ETC, LH PWR WNDW, OXY SENSOR, PWR SNRF/WPR/SW, REAR WPR, RH PWR WNDW, RR WSH PMP, and SPO OUTPUT Fuses
RUN/CRNK Relay Bus - 2 of 3, ABS/VSES, A/C CLUTCH, BCK/UP, and IGN1 Fuses
RUN/CRNK Relay Bus - 2 of 3, ABS/VSES, A/C CLUTCH, BCK/UP, and IGN1 Fuses
Figure 10:

ETC, LT PWR WNDW, O2 SNSR, REAR/WPR MTR, REAR WPR SWTCH/PUMP, RT PWR WNDW, SPO, and S/ROOF FRT/WPR Fuses


Object Number: 1566879  Size: FS
Master Electrical Component List
Control Module References
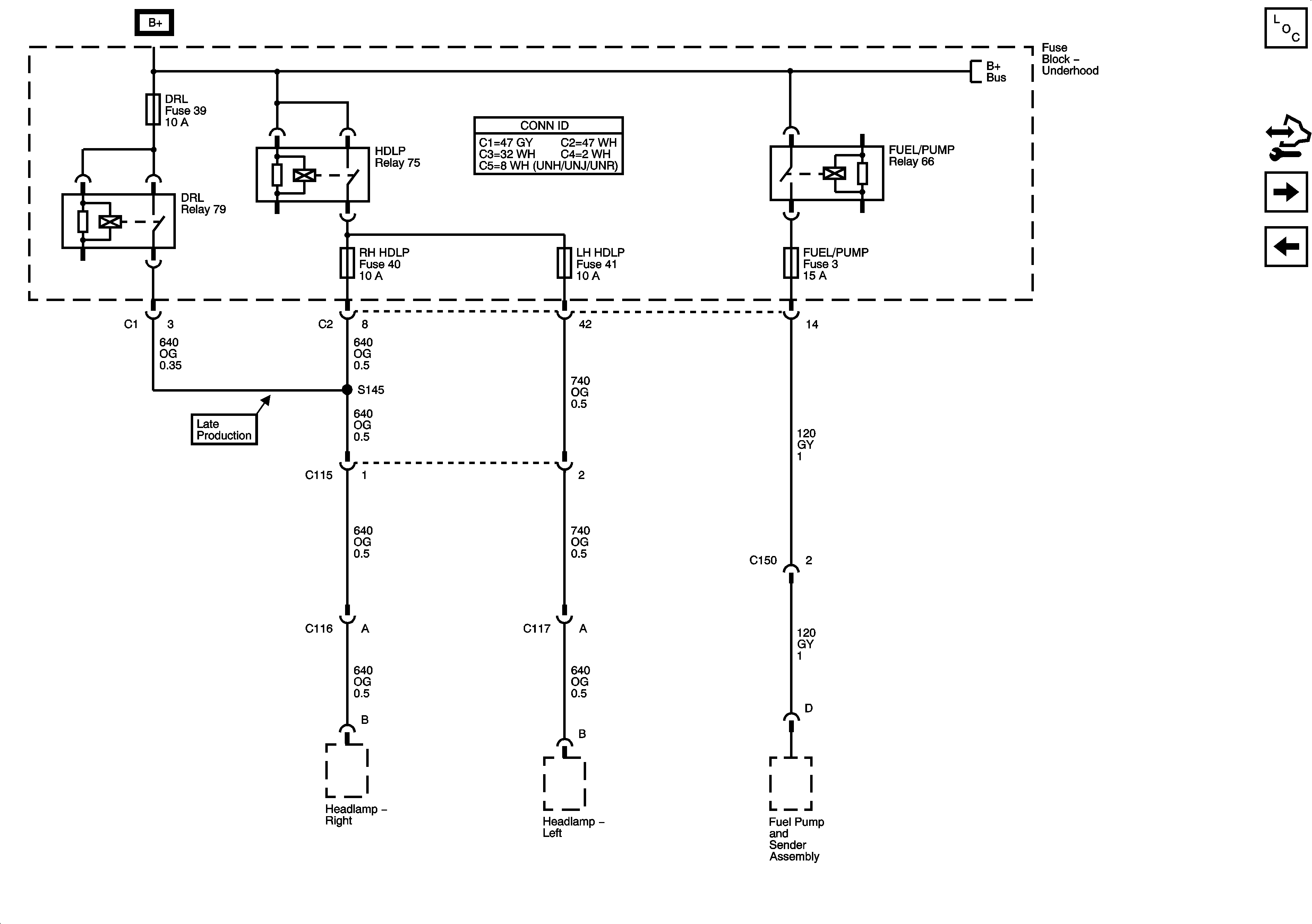
FUEL/PUMP, LH HDLP, and RH HDLP Fuses
RUN/CRNK Relay Bus - 3 of 3, ENG CNTRL SYS, INJ, and PCM-I Fuses
B+ Bus - Underhood Fuse Block - 1 of 2
Figure 11:

FUEL/PUMP, LH HDLP, and RH HDLP Fuses


Object Number: 1566884  Size: FS
Master Electrical Component List
Control Module References
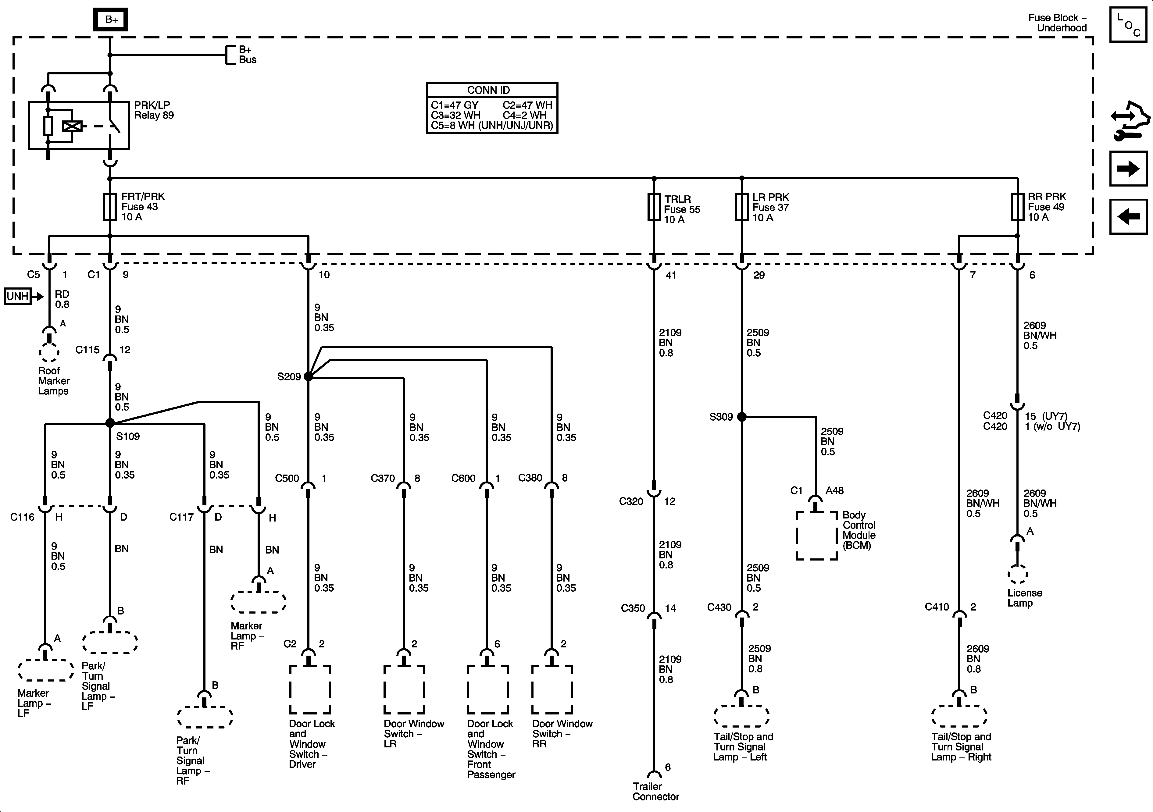
FRT/PRK, LR PRK, RR PRK, and TRLR Fuses
ETC, LH PWR WNDW, OXY SENSOR, PWR SNRF/WPR/SW, REAR WPR, RH PWR WNDW, RR WSH PMP, and SPO OUTPUT Fuses
B+ Bus - Underhood Fuse Block - 2 of 2
Figure 12:

FRT/PRK, LR PRK, RR PRK, and TRLR Fuses


Object Number: 1566887  Size: FS
Master Electrical Component List
Control Module References
HVAC BLWR, HVAC CNTRL HD, PWR HTR SWTCH, TCCM SWTCH, and VSES/ABS Fuses
FUEL/PUMP, LH HDLP, and RH HDLP Fuses
B+ Bus - Underhood Fuse Block - 2 of 2
Figure 13:

HVAC BLWR, HVAC CNTRL HD, PWR HTR SWTCH, TCCM SWTCH, and VSES/ABS Fuses


Object Number: 1566890  Size: FS
Master Electrical Component List
Control Module References
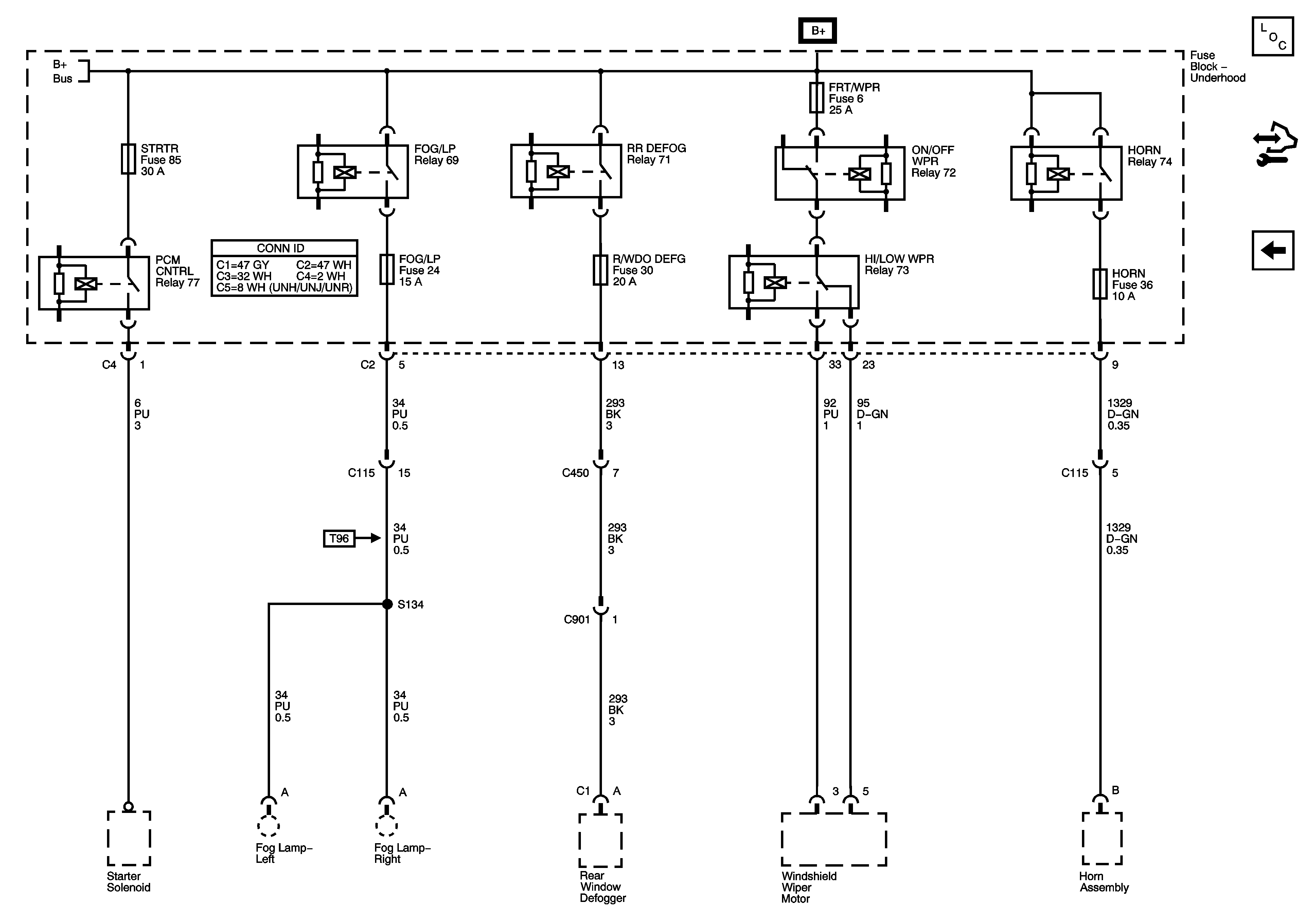
FOG/LP, FRT/WPR, HORN, R/WDO DEFG, and STRTR Fuses
FRT/PRK, LR PRK, RR PRK, and TRLR Fuses
B+ Bus - Underhood Fuse Block - 1 of 2
Figure 14:

FOG/LP, FRT/WPR, HORN, R/WDO DEFG, and STRTR Fuses


Object Number: 1566893  Size: FS
Master Electrical Component List
Control Module References
HVAC BLWR, HVAC CNTRL HD, PWR HTR SWTCH, TCCM SWTCH, and VSES/ABS Fuses
B+ Bus - Underhood Fuse Block - 2 of 2