GM Service Manual Online
For 1990-2009 cars only
Makes
🢒
HUMMER
🢒
2006
🢒
H3
🢒
Body
🢒
Wiring Systems
🢒 Retained Accessory Power (RAP) Schematics
Master Electrical Component List
Control Module References
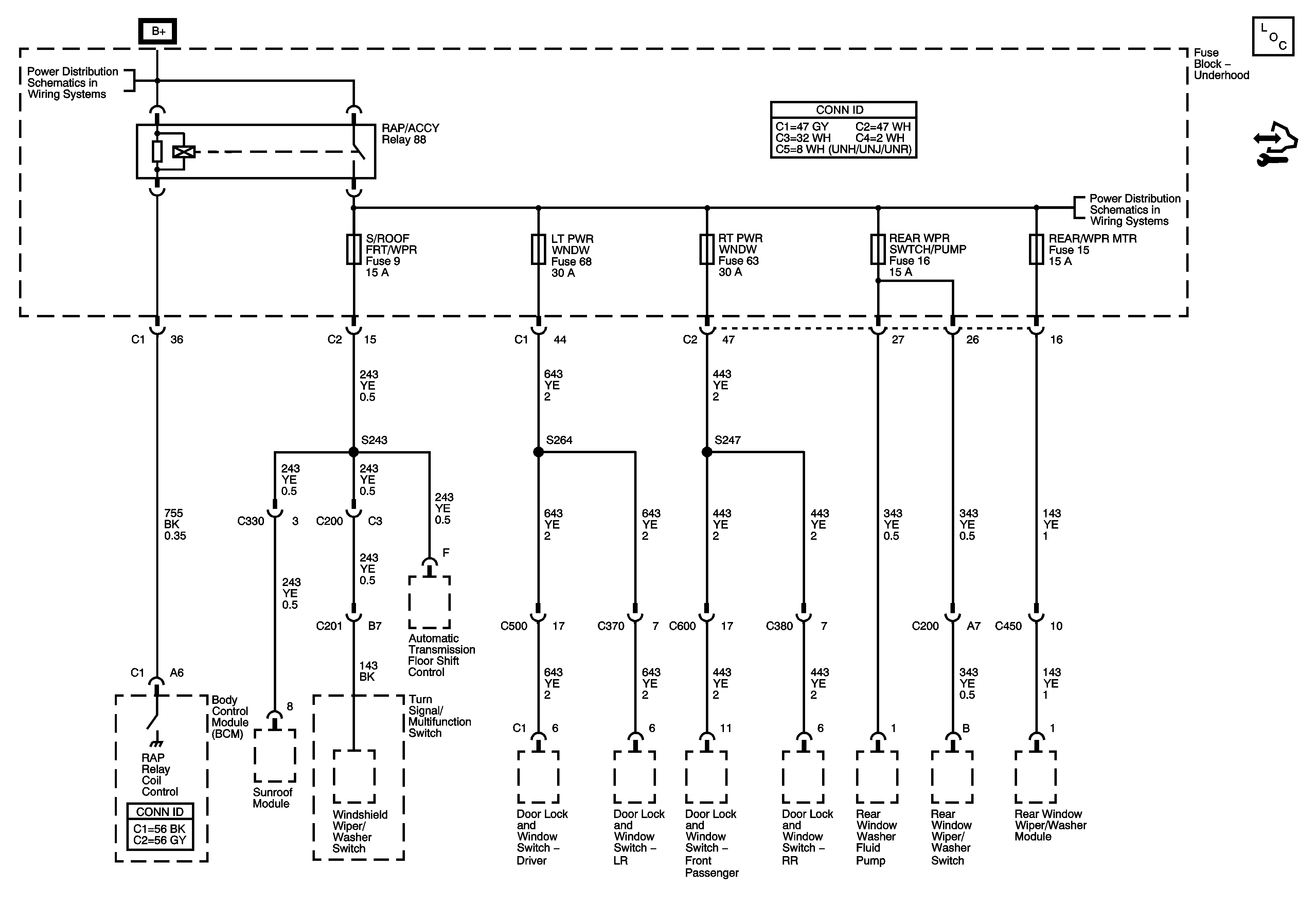
B+ Bus - Underhood Fuse Block - 2 of 2
ETC, LH PWR WNDW, OXY SENSOR, PWR SNRF/WPR/SW, REAR WPR, RH PWR WNDW, RR WSH PMP, and SPO OUTPUT Fuses