GM Service Manual Online
For 1990-2009 cars only

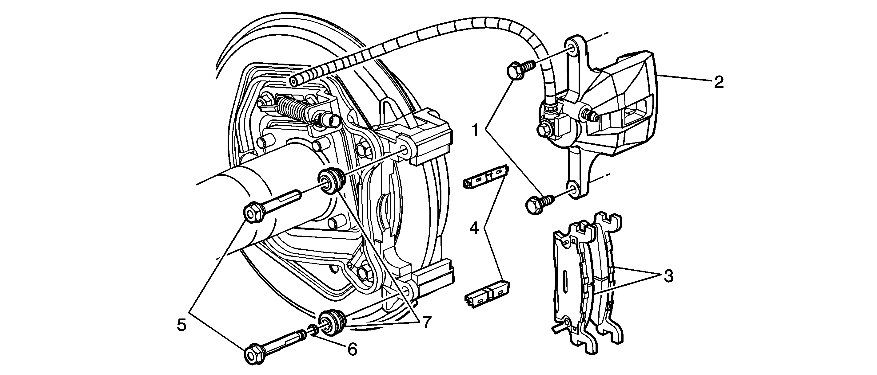
Object Number: 1560800  Size: SF

Callout

Component Name

Caution: Refer to Brake Dust Caution in the Preface section.

Notice: Refer to Fastener Notice in the Preface section.

Notice: Refer to Brake Caliper Notice in the Preface section.

Fastener Tightening Specifications: Refer to Fastener Tightening Specifications .

Preliminary Procedure

  1. Raise and support the vehicle. Refer to Lifting and Jacking the Vehicle .
  2. Remove the tire and wheel. Refer to Tire and Wheel Removal and Installation .

1

Rear Brake Caliper Guide Pin Bolt (Qty: 2)

Tip
DO NOT reuse the brake caliper bracket bolts. Replace with NEW bolts.

Tighten
36 N·m (27 lb ft)

2

Rear Disc Brake Caliper

Tip
Do NOT disconnect the hydraulic brake flexible hose from the caliper.

3

Rear Disc Brake Pad (Qty: 2)

4

Rear Disc Brake Caliper Bracket Retainer (Qty: 2)

5

Rear Disc Brake Caliper Guide Pin (Qty: 2)

6

Rear Brake Caliper Guide Pin Seal

7

Rear Brake Caliper Guide Pin Boot (Qty: 2)