GM Service Manual Online
For 1990-2009 cars only
Figure 1:

I/P Harness Components


Object Number: 1550590  Size: LF
(1)Headlamp Switch
(2)Instrument Panel Cluster (IPC)
(3)Hazard Switch
(4)Accessory Switch
(5)Radio
(6)Ambient Light Sensor
(7)Inflatable Restraint I/P Module
(8)HVAC Control Module
(9)Auxiliary Power Outlets - Front
(10)Rear Window Wiper/Washer Switch
(11)Inflatable Restraint Steering Wheel Module
(12)Turn Signal/Multifunction Switch
Figure 2:

Lower Left Side of I/P


Object Number: 1554750  Size: LF
(1)Clutch Start Switch (MA5)
(2)Accelerator Pedal Position (APP) Sensor
(3)Steering Wheel Position Sensor (JL4)
(4)TCC Brake/Cruise Release Switch
(5)Stop Lamp Switch
(6)Park Brake Switch
(7)Clutch Release Switch (MA5)
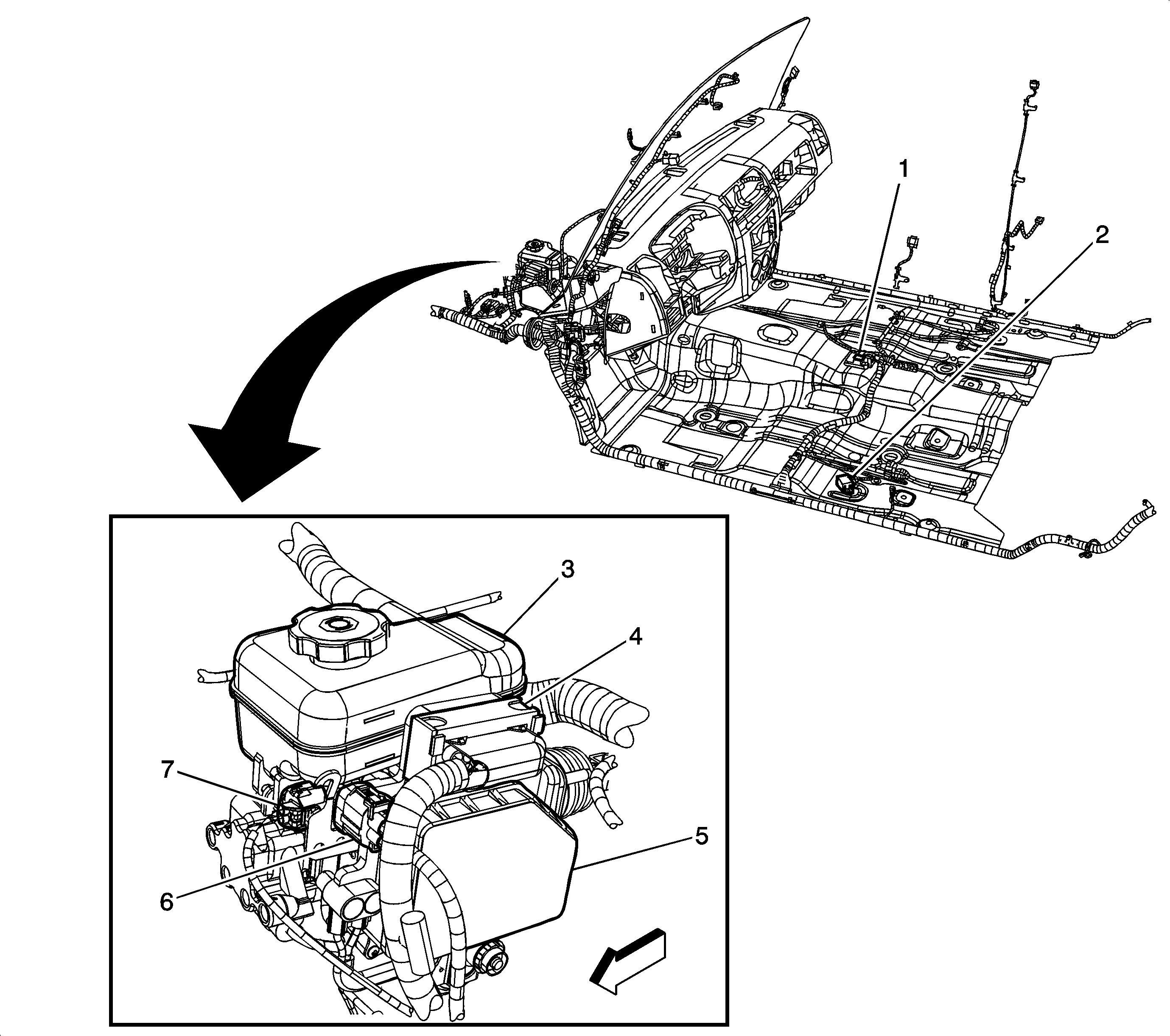
Figure 3:

Brake Components


Object Number: 1554782  Size: LF
(1)Inflatable Restraint Vehicle Rollover Sensor (ASF)
(2)Yaw Rate/Lateral and Longitudinal Accelerometer Sensor (JL4)
(3)Brake Fluid Reservoir
(4)Electronic Brake Control Module (EBCM) C2
(5)Electronic Brake Control Module (EBCM)
(6)Electronic Brake Control Module (EBCM) C1
(7)Brake Fluid Level Switch
Figure 4:

Brake Components (w/o JL4)


Object Number: 1554782  Size: LF
(1)Inflatable Restraint Rollover Sensor
(2)Longitudinal Accelerometer Sensor (w/o JL4)
(3)Brake Fluid Reservoir
(4)Electronic Brake Control Module (EBCM) C2
(5)Electronic Brake Control Module (EBCM)
(6)Electronic Brake Control Module (EBCM) C1
(7)Brake Fluid Level Switch
Figure 5:

Wheel Speed Sensors


Object Number: 1554749  Size: LF
(1)Wheel Speed Sensor (WSS) - RF
(2)Wheel Speed Sensor (WSS) - RF Connector
(3)Wheel Speed Sensor (WSS) - RR
(4)Wheel Speed Sensor (WSS) - RR Connector
(5)Wheel Speed Sensor (WSS) - LR
(6)Wheel Speed Sensor (WSS) - LR Connector
(7)Wheel Speed Sensor (WSS) - LF
(8)Wheel Speed Sensor (WSS) - LF Connector