GM Service Manual Online
For 1990-2009 cars only

Removal Procedure

  1. Raise and suitably support the vehicle. Refer to Lifting and Jacking the Vehicle .
  2. Remove the left front wheel and tire assembly. Refer to Tire and Wheel Removal and Installation .
  3. Remove the engine shield, if equipped. Refer to Engine Shield Replacement .
  4. Remove the lower intermediate steering shaft. Refer to Lower Intermediate Steering Shaft Replacement .
  5. Support the engine using a jack stand and a block of wood.

  6. Object Number: 1560027  Size: SH
  7. Remove the left engine mount-to-frame bracket through bolt.
  8. Loosen the right side through bolt.
  9. Raise the engine using the jack stand; the engine will tilt to one side.

  10. Object Number: 1560032  Size: SH
  11. Remove the engine mount bolts.
  12. Remove the engine mount. You will need to articulate the mount in order to remove the mount.

Installation Procedure

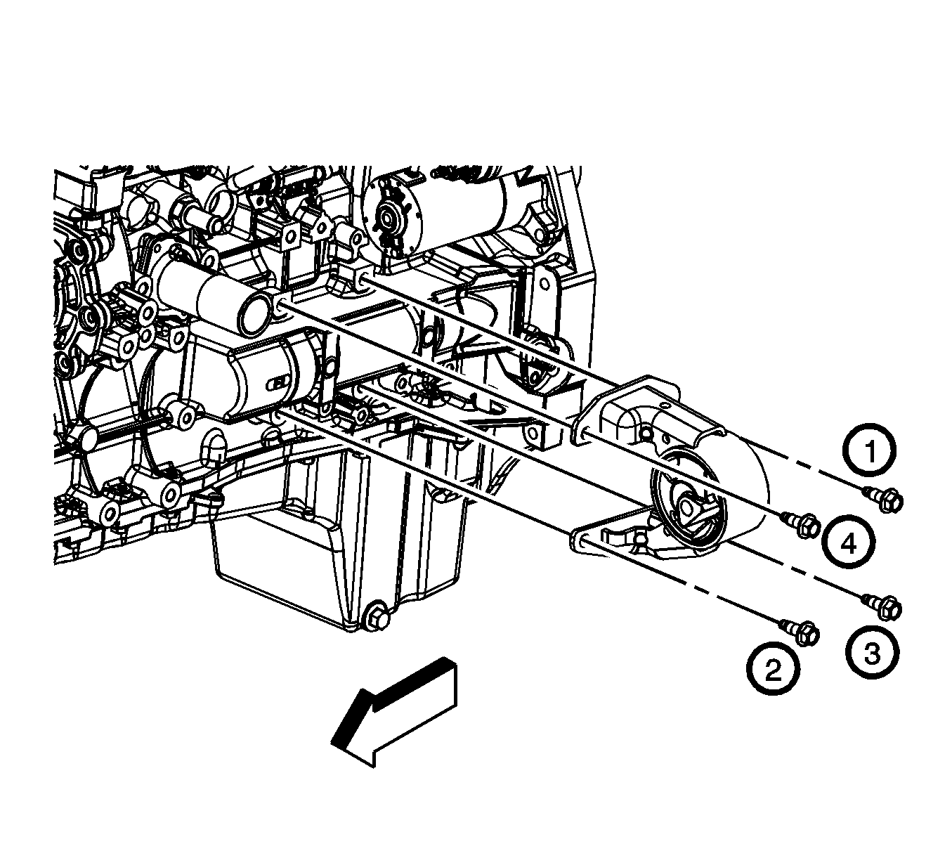
  1. Install the engine mount. You will need to articulate the mount in order to install the mount.

  2. Object Number: 1560032  Size: SH
  3. Install the engine mount bolts until snug, following the installation sequence.
  4. Notice: Refer to Fastener Notice in the Preface section.

  5. Tighten the bolts.
  6. Tighten
    Tighten the bolts to 50 N·m (37 lb ft).

    Lower the engine.


    Object Number: 1560027  Size: SH
  7. Install the left engine mount-to-frame bracket through bolt.
  8. Tighten
    Tighten both of the engine mount-to-frame bracket bolts to 85 N·m (63 lb ft).

  9. Remove the jack stand.
  10. Install the lower intermediate steering shaft. Refer to Lower Intermediate Steering Shaft Replacement .
  11. Install the engine shield, if equipped. Refer to Engine Shield Replacement .
  12. Install the wheel and tire assembly. Refer to Tire and Wheel Removal and Installation .
  13. Lower the vehicle.