GM Service Manual Online
For 1990-2009 cars only
Makes
🢒
HUMMER
🢒
2006
🢒
H3
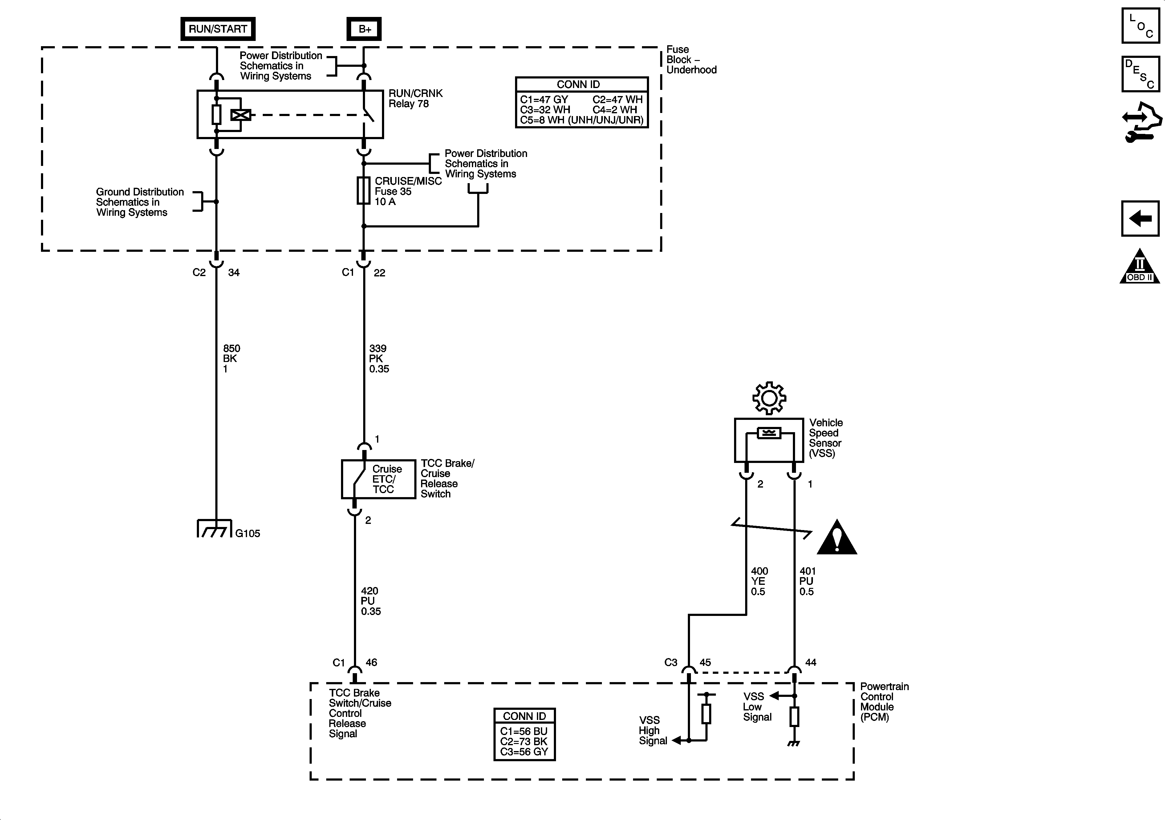
🢒 TCC Brake/Cruise Release Switch and Vehicle Speed Sensor
TCC Brake/Cruise Release Switch and Vehicle Speed Sensor
TCC Brake/Cruise Release Switch and Vehicle Speed Sensor
Master Electrical Component List
Electronic Component Description
Control Module References
Switches
Automatic Transmission Schematic Icons
B+ Bus - Underhood Fuse Block - 1 of 2
G105
RUN/CRNK Relay Bus - 1 of 3, AIRBAG, CRUISE/MISC, and TRANS Fuses
G105
Automatic Transmission Schematic Icons