GM Service Manual Online
For 1990-2009 cars only
Makes
🢒
HUMMER
🢒
2006
🢒
H3
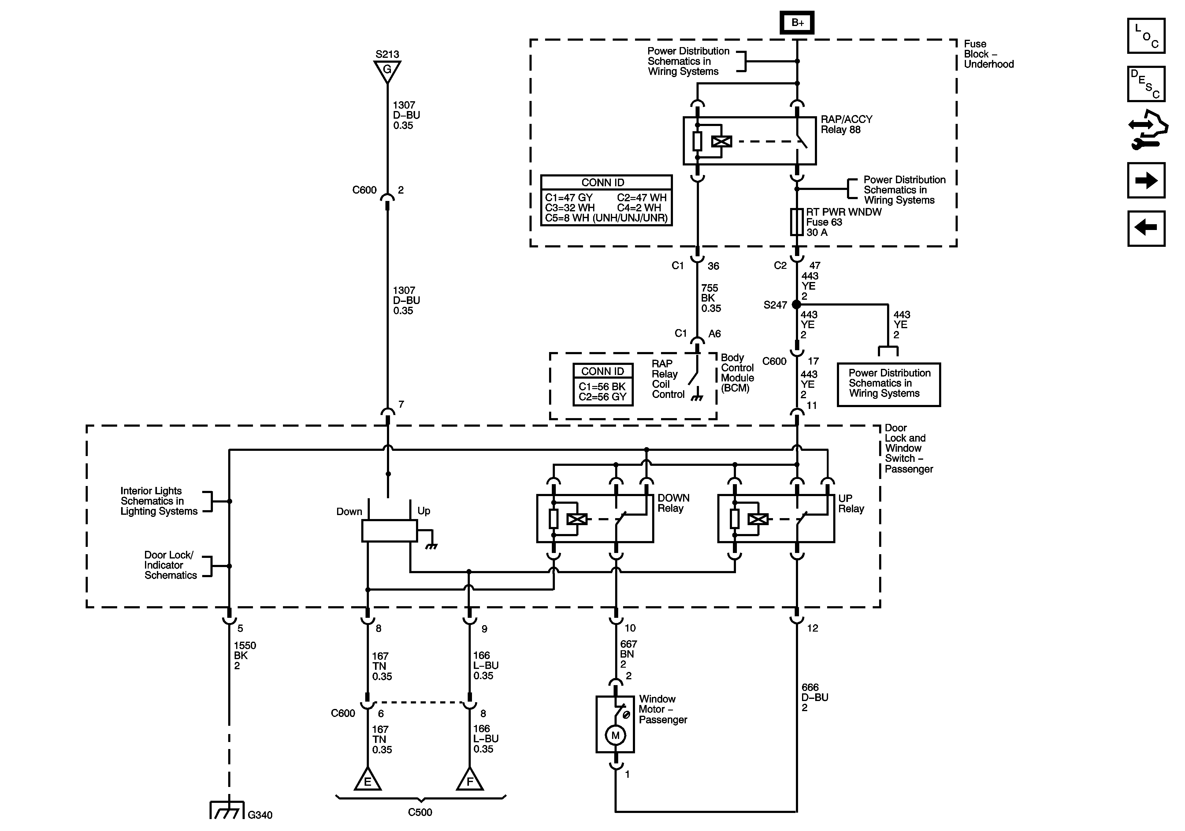
🢒 Front Passenger Door
Front Passenger Door
Front Passenger Door
Master Electrical Component List
Power Windows Description and Operation
Control Module References
Rear Doors
Driver Door
Driver Door
B+ Bus - Underhood Fuse Block - 1 of 2
ETC, LH PWR WNDW, OXY SENSOR, PWR SNRF/WPR/SW, REAR WPR, RH PWR WNDW, RR WSH PMP, and SPO OUTPUT Fuses
ETC, LH PWR WNDW, OXY SENSOR, PWR SNRF/WPR/SW, REAR WPR, RH PWR WNDW, RR WSH PMP, and SPO OUTPUT Fuses
Door Lock and Window Switches
Power Door Locks
G340 and G345
Driver Door