GM Service Manual Online
For 1990-2009 cars only
Makes
🢒
HUMMER
🢒
2006
🢒
H3
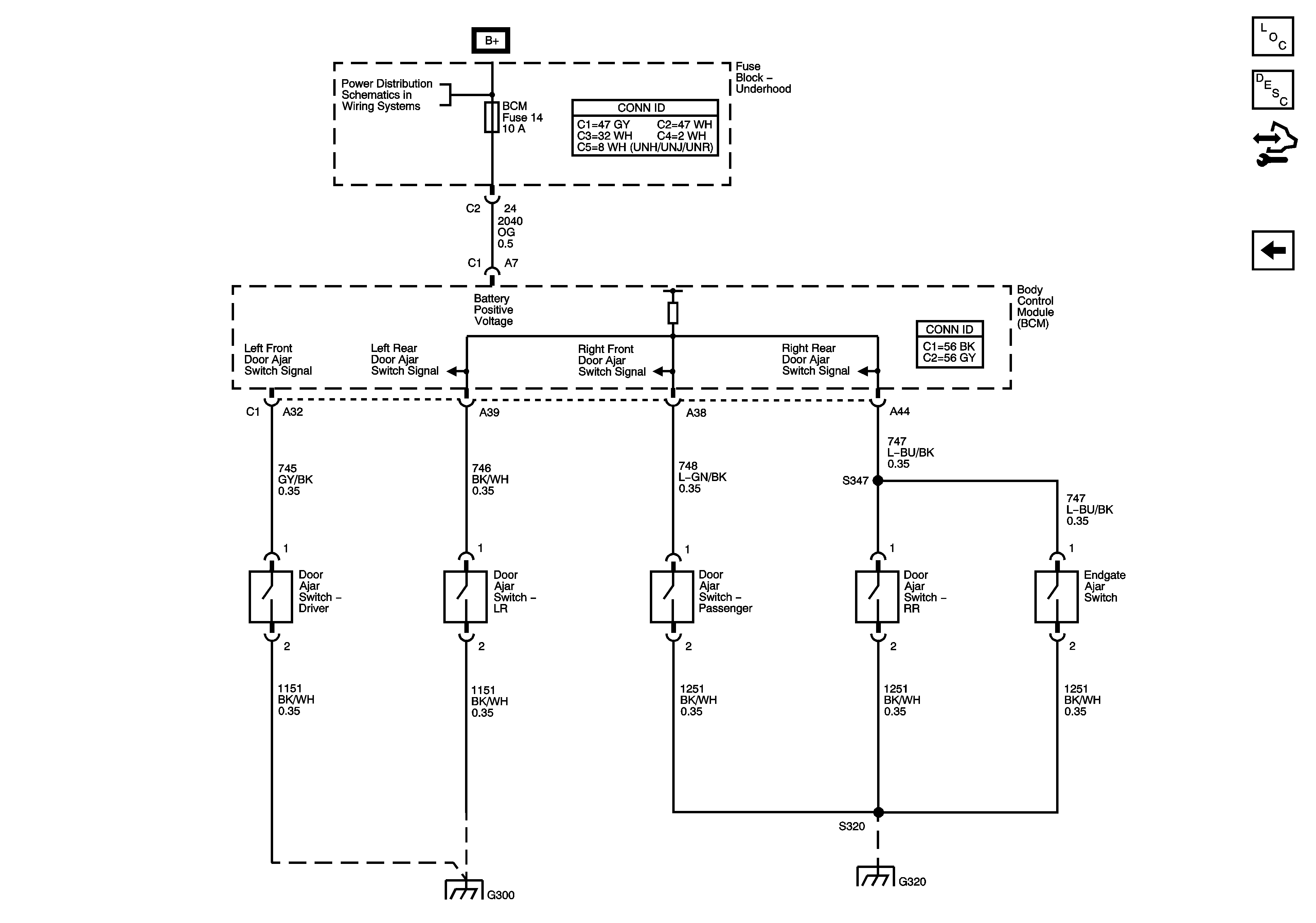
🢒 Door Jamb Switches
Door Jamb Switches
Door Jamb Switches
Master Electrical Component List
Exterior Lighting Systems Description and Operation
Control Module References
Door Lock and Window Switches
B+ Bus - Underhood Fuse Block - 1 of 2
G300, G310, and G320
G300, G310, and G320