GM Service Manual Online
For 1990-2009 cars only
Makes
🢒
HUMMER
🢒
2006
🢒
H3
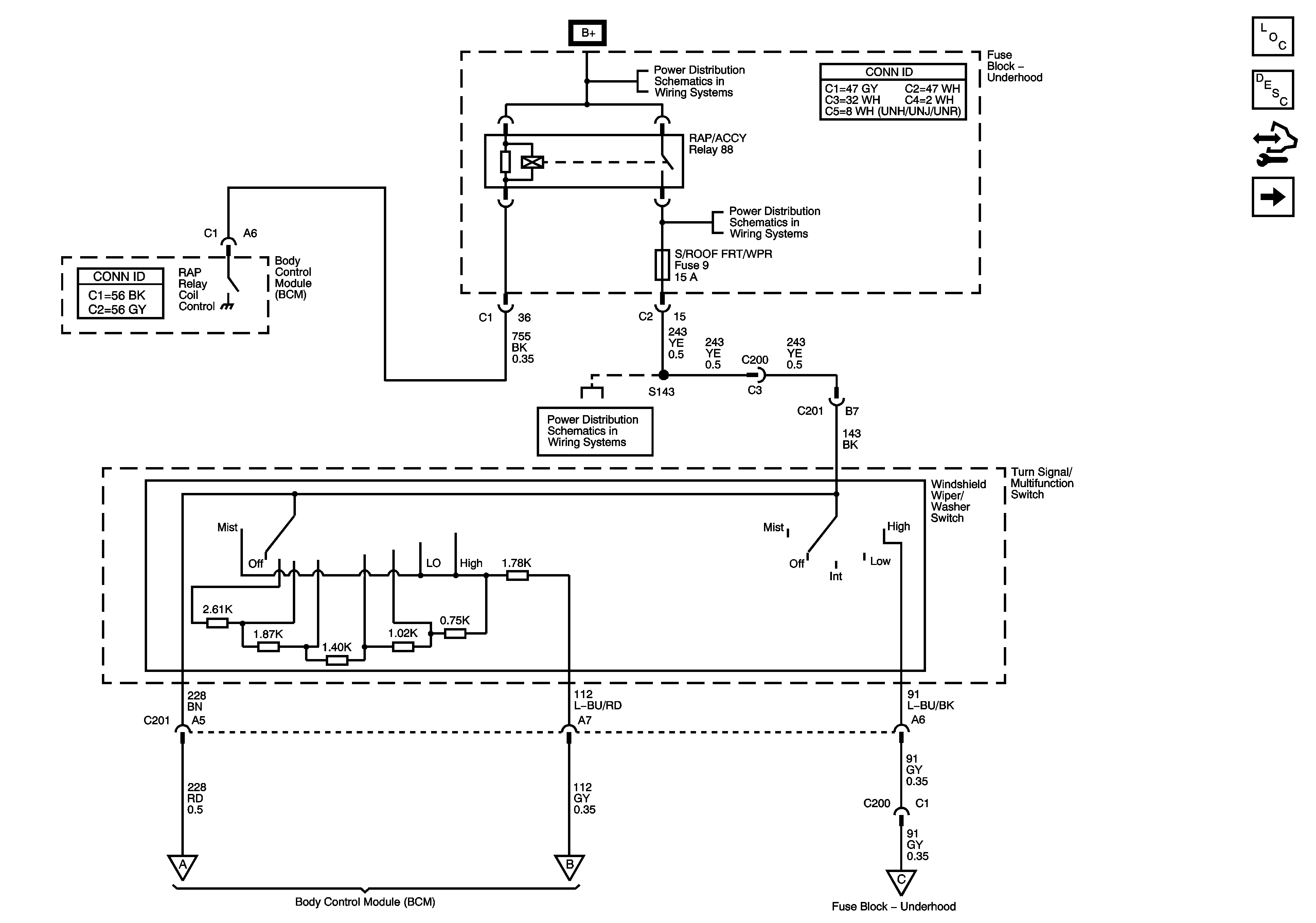
🢒 Windshield Wiper/Washer Switch
Windshield Wiper/Washer Switch
Windshield Wiper/Washer Switch
Master Electrical Component List
Wiper/Washer System Description and Operation
Control Module References
Windshield Washer Fluid Pump and Windshield Wiper Motor
B+ Bus - Underhood Fuse Block - 2 of 2
ETC, LH PWR WNDW, OXY SENSOR, PWR SNRF/WPR/SW, REAR WPR, RH PWR WNDW, RR WSH PMP, and SPO OUTPUT Fuses
Windshield Washer Fluid Pump and Windshield Wiper Motor
Windshield Washer Fluid Pump and Windshield Wiper Motor
Windshield Washer Fluid Pump and Windshield Wiper Motor
ETC, LH PWR WNDW, OXY SENSOR, PWR SNRF/WPR/SW, REAR WPR, RH PWR WNDW, RR WSH PMP, and SPO OUTPUT Fuses