GM Service Manual Online
For 1990-2009 cars only

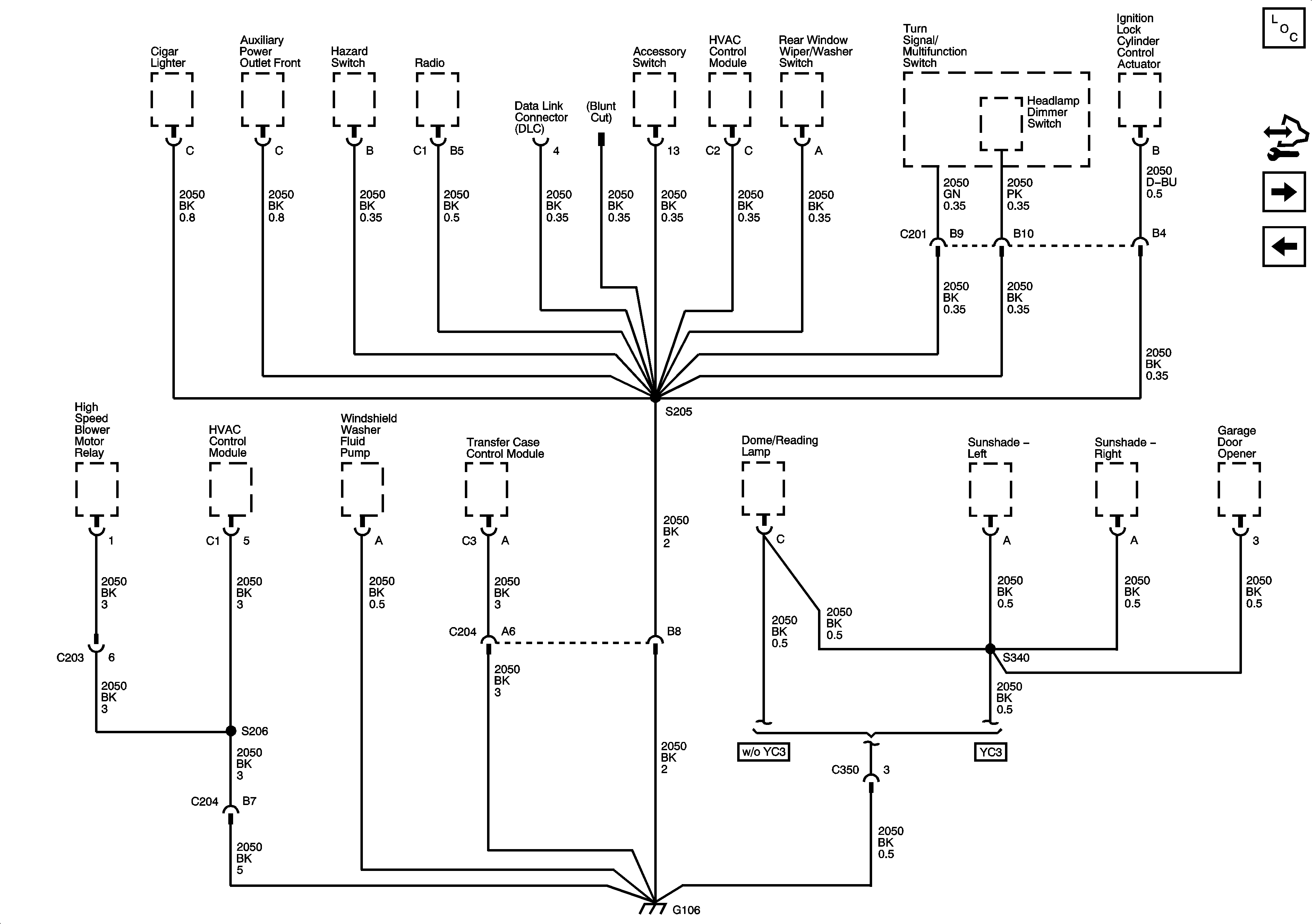
G106

G106


Object Number: 1566907  Size: FS
Master Electrical Component List
Control Module References
G300, G310, and G320
G105