GM Service Manual Online
For 1990-2009 cars only

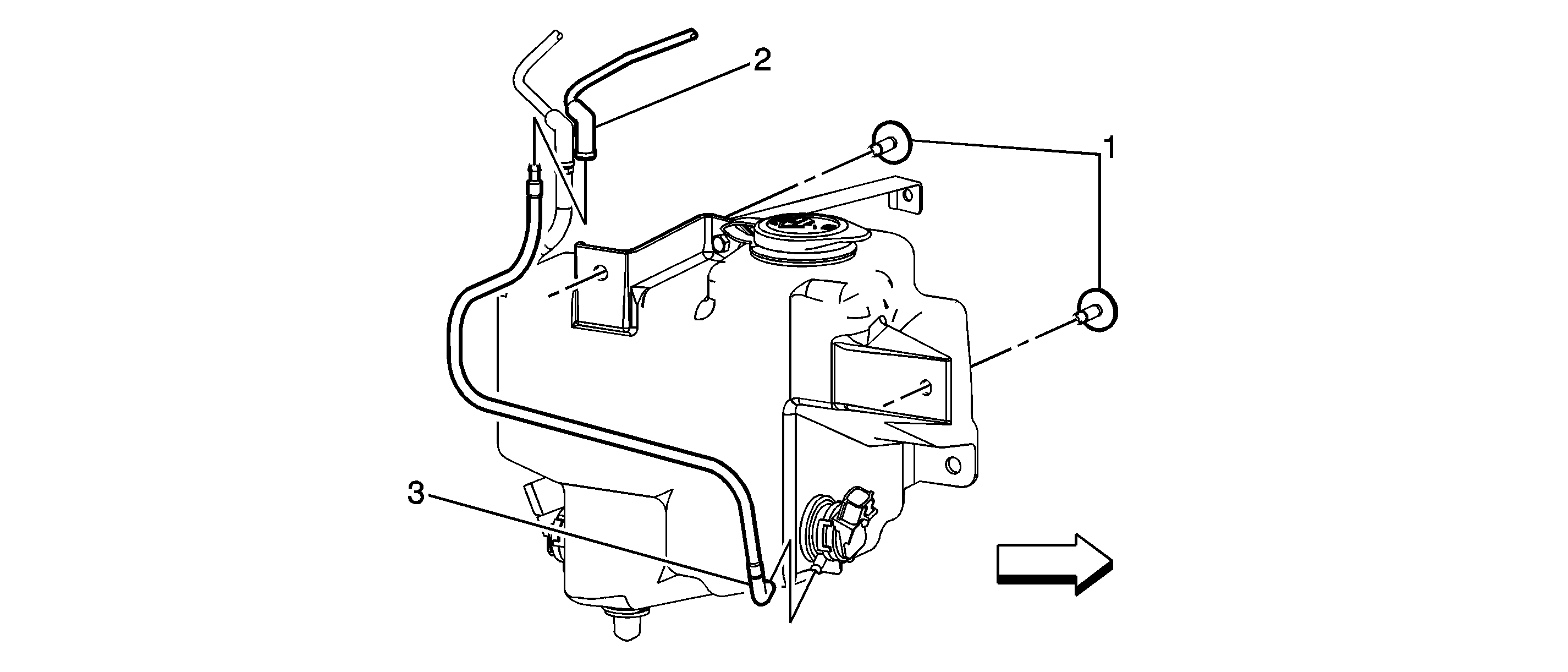
Windshield Washer Solvent Container Hose Replacement Front Hose


Object Number: 1566610  Size: SF

Callout

Component Name

Notice: Refer to Fastener Notice in the Preface section.

Fastener Tightening Specifications: Refer to Fastener Tightening Specifications .

Preliminary Procedure

  1. Remove the air cleaner assembly. Refer to Air Cleaner Assembly Replacement .
  2. Remove the coolant recovery reservoir. Refer to Coolant Recovery Reservoir Replacement .

1

Windshield Washer Solvent Container Bolts

Tighten
9 N·m (80 lb in)

2

Air Inlet Panel Front Washer Hose

Tip
Disconnect the hose at the plenum.

3

Front Window Washer Solvent Container Hose Assembly

Tip
Disconnect the hose elbow from the rear washer pump spout.

Windshield Washer Solvent Container Hose Replacement Rear Hose


Object Number: 1566608  Size: SF

Callout

Component Name

Notice: Refer to Fastener Notice in the Preface section.

Fastener Tightening Specifications: Refer to Fastener Tightening Specifications .

Preliminary Procedure

  1. Remove the air cleaner assembly. Refer to Air Cleaner Assembly Replacement .
  2. Remove the coolant recovery reservoir. Refer to Coolant Recovery Reservoir Replacement .

1

Windshield Washer Solvent Container Bolts

Tighten
9 N·m (80 lb in)

2

Air Inlet Panel Rear Washer Hose

Tip
Disconnect the hose at the plenum.

3

Rear Window Washer Solvent Container Hose Assembly

Tip
Disconnect the hose elbow from the rear washer pump spout.