GM Service Manual Online
For 1990-2009 cars only

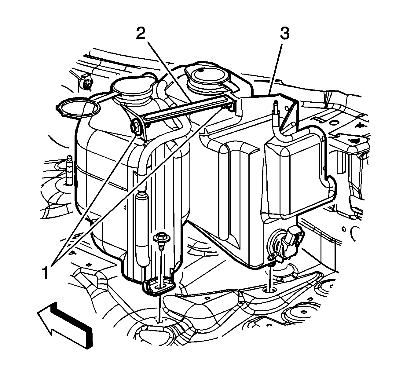
Windshield Washer Solvent Container Replacement Prior to VIN 78135604

Removal Procedure


    Object Number: 1896331  Size: SH
  1. Remove the air cleaner assembly. Refer to Air Cleaner Assembly Replacement
  2. Remove the washer container to front wheelhouse upper extension bolts (1).
  3. Disconnect the coolant overflow hose (2) from the wheelhouse upper extension retainer clips.
  4. Pinch the coolant hose to prevent coolant loss and remove the hose.

  5. Object Number: 1896338  Size: SH
  6. Remove the lower coolant reservoir bolt.
  7. Disconnect both washer pump electrical connectors.
  8. Disconnect both washer pump jumper hoses from the air inlet grille panel connections.
  9. Lift the washer/coolant reservoir assembly from the lower inner fender assembly.
  10. Remove the bracket bolts (1) and the bracket (2) from the two containers and discard.

Installation Procedure


    Object Number: 1896991  Size: SH
  1. Open the black conduit and cut off the front washer pump electrical harness connector.
  2. Splice in the new front washer pump electrical connector harness. Refer to Wiring Repairs .
  3. Open the black conduit and cut off the rear washer pump electrical harness connector.
  4. Splice in the new rear washer pump electrical connector harness.
  5. Install the new front and rear washer pumps to the washer container.
  6. Position the new windshield washer/coolant recovery reservoir assembly to the lower inner fender assembly.
  7. Connect both new washer pump electrical connectors to the front and rear washer pumps.
  8. Secure the jumper hoses to the washer pumps.
  9. Connect both washer pump jumper hoses to the air inlet grille panel hose connections.
  10. Notice: Refer to Fastener Notice in the Preface section.

  11. Install the 2 washer container to front wheelhouse upper extension bolts (1).
  12. Tighten
    9 N·m (80 lb in)


    Object Number: 1896988  Size: SH
  13. Install the coolant recovery reservoir bolt (1).
  14. Tighten
    9 N·m (80 lb in)

  15. Install the new coolant reservoir overflow hose and secure the plastic retaining clips on the front upper wheelhouse extension.
  16. Refill the windshield washer solvent container.
  17. Fill and top off the engine coolant reservoir.
  18. Install the air cleaner assembly. Refer to Air Cleaner Assembly Replacement .
  19. Verify the operation of the windshield wiper washer system.
  20. Inspect for any fluid leakage.

Windshield Washer Solvent Container Replacement Base


Object Number: 1563192  Size: MF

Callout

Component Name

Preliminary Procedure

  1. Remove the air cleaner assembly. Refer to Air Cleaner Assembly Replacement .
  2. Remove the coolant recovery reservoir. Refer to Coolant Recovery Reservoir Replacement .

1

Washer Solvent Container Bolt (Qty: 2)

Notice: Refer to Fastener Notice in the Preface section.

Tighten
9 N·m (80 lb in)

2

Washer Solvent Container Cap

3

Washer Solvent/Coolant Recovery Tank Bracket Bolt

Tighten
9 N·m (80 lb in)

4

Washer Solvent/Coolant Recovery Tank Bracket

5

Washer Container Rear Washer Pump Hose

6

Front Washer Pump with Grommet

7

Washer Container Front Washer Pump Hose

8

Rear Washer Pump with Grommet

Windshield Washer Solvent Container Replacement Post VIN 78135604


Object Number: 1897657  Size: SF

Callout

Component Name

Preliminary Procedure

Remove the air cleaner assembly. Refer to Air Cleaner Assembly Replacement .

1

Windshield Washer Solvent Container Assembly Bolt (Qty: 2)

Notice: Refer to Fastener Notice in the Preface section.

Procedure

  1. Roll the container assembly forward.
  2. Disconnect both washer pump electrical connectors.
  3. Disconnect both washer pump jumper hoses at the air inlet grille panel connections. (if equipped)
  4. Contain any lost washer solvent fluid in a clean suitable container.
  5. Disconnect and secure the coolant container overflow hose.
  6. Transfer all parts as needed.

Tighten
9 N·m (80 lb in)

2

Windshield Washer Solvent Container Assembly