GM Service Manual Online
For 1990-2009 cars only

Tools Required

    • J 2619-01 Slide Hammer
    • J 3289-20 Holding Fixture
    • J 6125-1B Slide Hammer with Adapter
    • J 8614-01 Flange and Pulley Holding Tool
    • J 22912-B Rear Pinion and Axle Bearing Remover
    • J 23129 Universal Seal Remover
    • J 23907 Slide Hammer with Bearing Adapter
    • J 29369-1 Bushing and Bearing Remover
    • J 45278 Seal Remover
    • J 45358 Case Spreader
    • J 45380 Transfer Case Rear Bushing Remover and Installer
    • J 45548 Mainshaft Support Bushing/Bearing Remover
    • J 45759 Assembly Fixture

    Object Number: 1549462  Size: SH
  1. Using the adapter studs, attach the J 45759 to the transfer case. All of the transfer case disassembly procedures can be performed with the case mounted to the J 45759 .

  2. Object Number: 1549463  Size: SH
  3. Mount the J 3289-20  (1) to a sturdy workbench.
  4. Install the J 45759  (2) into J 3289-20  (1) and secure with pivot pin.

  5. Object Number: 1549464  Size: SH
  6. Remove the drain plug and the fill plug. Ensure all transfer case fluid is drained out of the transfer case.

  7. Object Number: 1549473  Size: SH
  8. Remove the encoder motor bracket bolt (2).
  9. Remove the encoder motor mounting bolts (1).
  10. Remove the encoder motor assembly (3).

  11. Object Number: 819577  Size: SH
  12. Remove the rear vehicle speed sensor (VSS) and the O-ring seal.
  13. Notice: Refer to Transfer Case Seal Removal Notice in the Preface section.


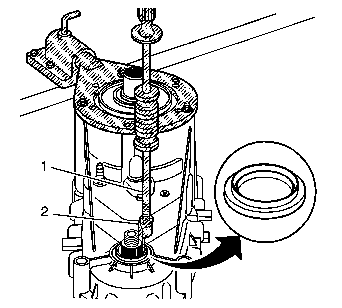
    Object Number: 1549474  Size: SH
  14. Using the J 2619-01  (1) and the J 45278 (2), remove the rear output shaft seal.

  15. Object Number: 1549465  Size: SH
  16. Install the J 8614-01 to the front output shaft flange.
  17. Hold the J 8614-01 and loosen the front output shaft flange nut.

  18. Object Number: 1549466  Size: SH
  19. Remove the front output shaft flange nut (1).
  20. Remove the front output shaft flange washer (2).
  21. Remove the front output shaft flange seal (3).
  22. Remove the front output shaft flange (4).

  23. Object Number: 1549472  Size: SH
  24. Using the J 6125-1B  (1) and the J 23129  (2), remove the front output shaft seal.

  25. Object Number: 1549476  Size: SH
  26. Remove the transfer case retaining bolts and washers.
  27. Mark the location of the brackets.

    Notice: Refer to Machined Surface Damage Notice in the Preface section.


    Object Number: 1565140  Size: SH
  28. Using the J 45358 between the tabs on the case halves, shear the sealer that is holding the case halves together.
  29. Using pry bars at each side of the case, remove the case from the locating pins.

  30. Object Number: 1549478  Size: SH
  31. Remove the rear case half from the front case half. The rear output shaft is removed with the rear case half.

  32. Object Number: 1549480  Size: SH
  33. Remove the shift fork shaft spring.

  34. Object Number: 1549481  Size: SH
  35. Remove the rear output sun gear.

  36. Object Number: 1549483  Size: SH
  37. Remove the rear output shaft thrust washer.

  38. Object Number: 1549484  Size: SH
  39. Remove the planetary differential assembly.

  40. Object Number: 1549485  Size: SH
  41. Remove the front output sun gear.

  42. Object Number: 1549488  Size: SH

    Important: If the chain and sprockets are to be used again, mark the relationship of the chain to the sprockets in order to mark the wear patterns.

  43. Remove the chain with the drive sprocket and driven sprocket.

  44. Object Number: 1549490  Size: SH
  45. Remove the lockup shift collar assembly and lockup mode shift fork.

  46. Object Number: 1565141  Size: SH
  47. Remove the lockup mode shift fork from the lockup shift collar assembly.

  48. Object Number: 1565142  Size: SH
  49. Disassemble the lockup shift collar assembly, if necessary.
  50. 29.1. Remove the retainer ring from the sleeve.
    29.2. Remove the hub.
    29.3. Remove the spring.

    Object Number: 1549492  Size: SH
  51. Remove the inner lockup hub.

  52. Object Number: 1549497  Size: SH
  53. Remove the upper thrust washer.

  54. Object Number: 1549494  Size: SH
  55. Remove the magnet.

  56. Object Number: 1549498  Size: SH
  57. Remove the center bearing support.

  58. Object Number: 1549499  Size: SH
  59. Remove the lower thrust washer.

  60. Object Number: 1549500  Size: SH
  61. Using a pair of needle-nose pliers, spread the snap ring in order to remove the bearing from the support, if necessary.

  62. Object Number: 1549502  Size: SH
  63. Remove the oil pump assembly with the hose and screen.

  64. Object Number: 1565144  Size: SH
  65. Disconnect the oil pump hose from the oil pump screen.
  66. Disconnect the oil pump hose from the oil pump.

  67. Object Number: 1549504  Size: SH
  68. Remove the shift fork shaft.

  69. Object Number: 1549506  Size: SH

    Notice: In order to prevent component damage, properly remove and install the shift cam and shaft assembly. When removing or installing the shift cam and shaft assembly, keep the shaft straight and do not tilt. Tilting the shift cam and shaft assembly in the transfer case housing will break the tip on the end of the shaft.

  70. Remove the shift cam and shaft assembly.
  71. 40.1. Rotate the high/low shift fork roller from the shift cam.
    40.2. Lift straight up on the shift cam and shaft assembly.

    Object Number: 1549511  Size: SH
  72. Remove the mainshaft.

  73. Object Number: 1549514  Size: SH
  74. Remove the high/low range sleeve with the high/low range shift fork.

  75. Object Number: 1565145  Size: SH
  76. Remove the range shift fork from the range shift sleeve.

  77. Object Number: 1549515  Size: SH
  78. Remove the input shaft needle thrust bearing.

  79. Object Number: 1549516  Size: SH
  80. Remove the 4494 (1) or the 4493 (2) high/low planetary carrier.

  81. Object Number: 1549517  Size: SH
  82. Inspect the 4494 (1) or the 4493 (2) mainshaft front support bearing (3) for being faulty. Refer to Transfer Case Cleaning and Inspection .
  83. Using a brass drift and a hammer, remove the mainshaft front support bearing (3) from the planetary carrier assembly.

  84. Object Number: 1549518  Size: SH
  85. Remove the front output shaft assembly.

  86. Object Number: 849322  Size: SH
  87. Using a hammer and a suitable punch, remove the input shaft seal.

  88. Object Number: 1593936  Size: SH
  89. Using a hammer and a brass drift, remove the input gear bearing from the front case half.

  90. Object Number: 819623  Size: SH
  91. Using a brass drift, remove the front output shaft bearing from the front case half.

  92. Object Number: 1565146  Size: SH
  93. Remove the ring gear retaining ring.

  94. Object Number: 1565148  Size: SH
  95. Remove the ring gear from the front case half.

  96. Object Number: 1565149  Size: SH
  97. If necessary, remove the vent from the front case half.

  98. Object Number: 1549519  Size: SH
  99. Using the J 45380 , remove the rear output shaft bushing.

  100. Object Number: 1565150  Size: SH
  101. Remove the rear output shaft from the rear case half.
  102. 56.1. Spread the rear output shaft rear bearing outer retaining ring.
    56.2. Using a soft-face hammer, tap on the end of the rear output shaft.

    Object Number: 1565151  Size: SH
  103. Using a hydraulic press and the J 22912-B , remove the speed sensor tone wheel.
  104. Do not use the speed sensor tone wheel again.


    Object Number: 1565152  Size: SH
  105. Remove the rear output shaft bearing retaining ring.

  106. Object Number: 1565153  Size: SH
  107. Using a hydraulic press, remove the rear output shaft bearing.

  108. Object Number: 1565154  Size: SH
  109. Inspect the mainshaft rear support bushing, in the rear output shaft, for being faulty. Refer to Transfer Case Cleaning and Inspection .
  110. Using the J 2619-01  (1) and the J 45548  (2), remove the mainshaft rear support bushing from the rear output shaft.

  111. Object Number: 1565155  Size: SH
  112. Using the J 29369-1  (1) and the J 23907  (2), remove the front output shaft rear bearing from the rear case.

  113. Object Number: 1565156  Size: SH
  114. Remove the shift shaft seal by prying it out of the case.