Callout | Component Name |
|---|---|
|
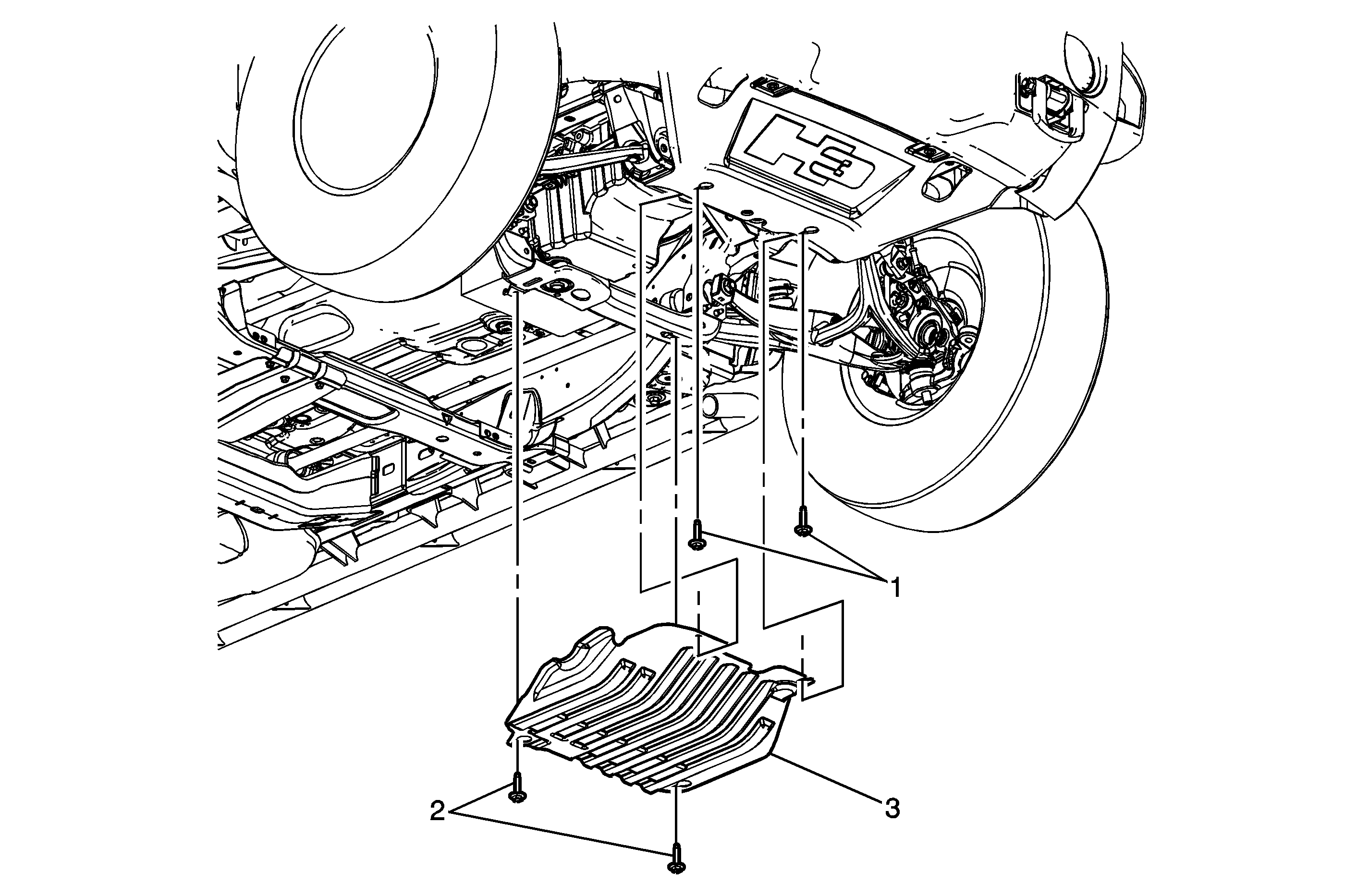
Notice: Refer to Fastener Notice in the Preface section. Fastener Tightening Specifications: Refer to Fastener Tightening Specifications . Preliminary ProcedureRaise the vehicle. Refer to Lifting and Jacking the Vehicle . | |
1 | Bolts, Oil Pan Skid Plate (Qty: 2) Tighten |
2 | Bolts, Oil Pan Skid Plate (Qty: 2) Tighten |
3 | Plate, Oil Pan Skid |