GM Service Manual Online
For 1990-2009 cars only

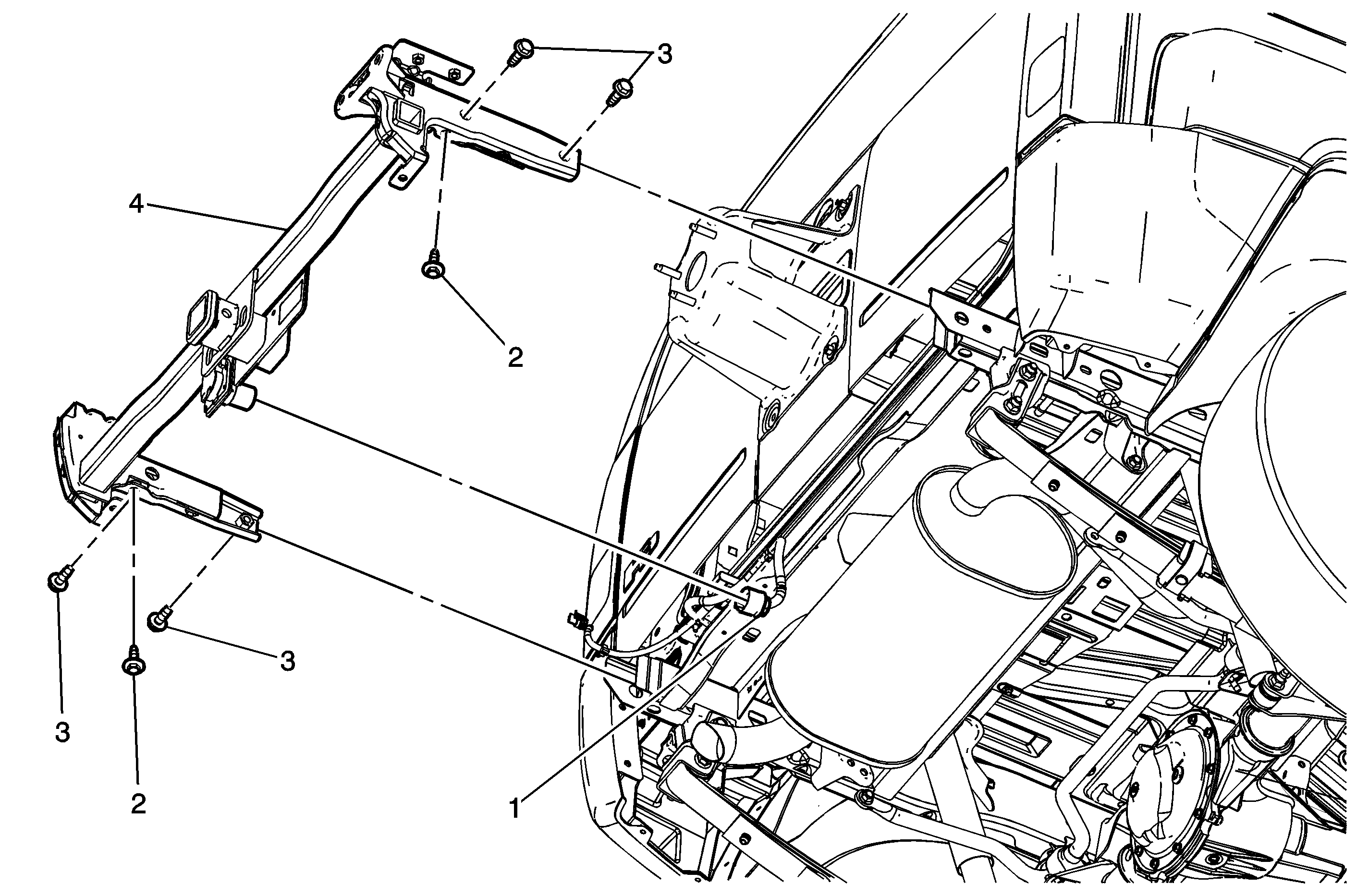
Object Number: 1560068  Size: MF

Callout

Component Name

Preliminary Procedure

Remove rear bumper. Refer to Rear Bumper Impact Bar Replacement .

1

Trailer Wire Connector

2

Trailer Hitch Bolts (Qty: 2)

Notice: Refer to Fastener Notice in the Preface section.

Tighten
100 N·m (74 lb ft)

3

Trailer Hitch Bolts (Qty: 4)

Tighten
160 N·m (118 lb ft)

4

Trailer Hitch