GM Service Manual Online
For 1990-2009 cars only
Makes
🢒
HUMMER
🢒
2007
🢒
H3
🢒
Seats
🢒
Power Seats
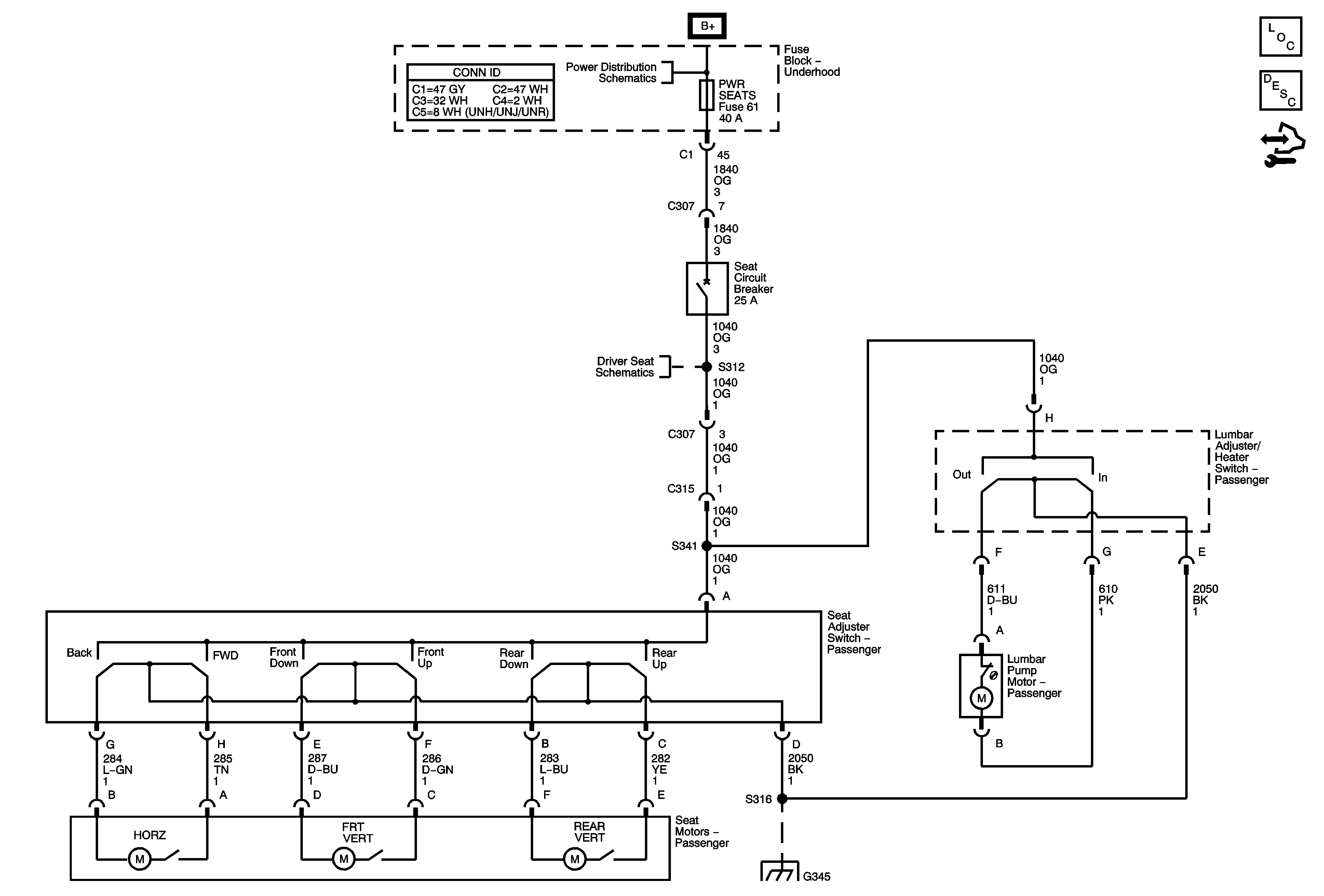
🢒 Passenger Seat Schematics
Master Electrical Component List
Heated Seats Description and Operation
Control Module References
B+ Bus - Underhood Fuse Block - 1 of 2
Driver Seat Schematics
G340 and G345