GM Service Manual Online
For 1990-2009 cars only
Makes
🢒
HUMMER
🢒
2007
🢒
H3
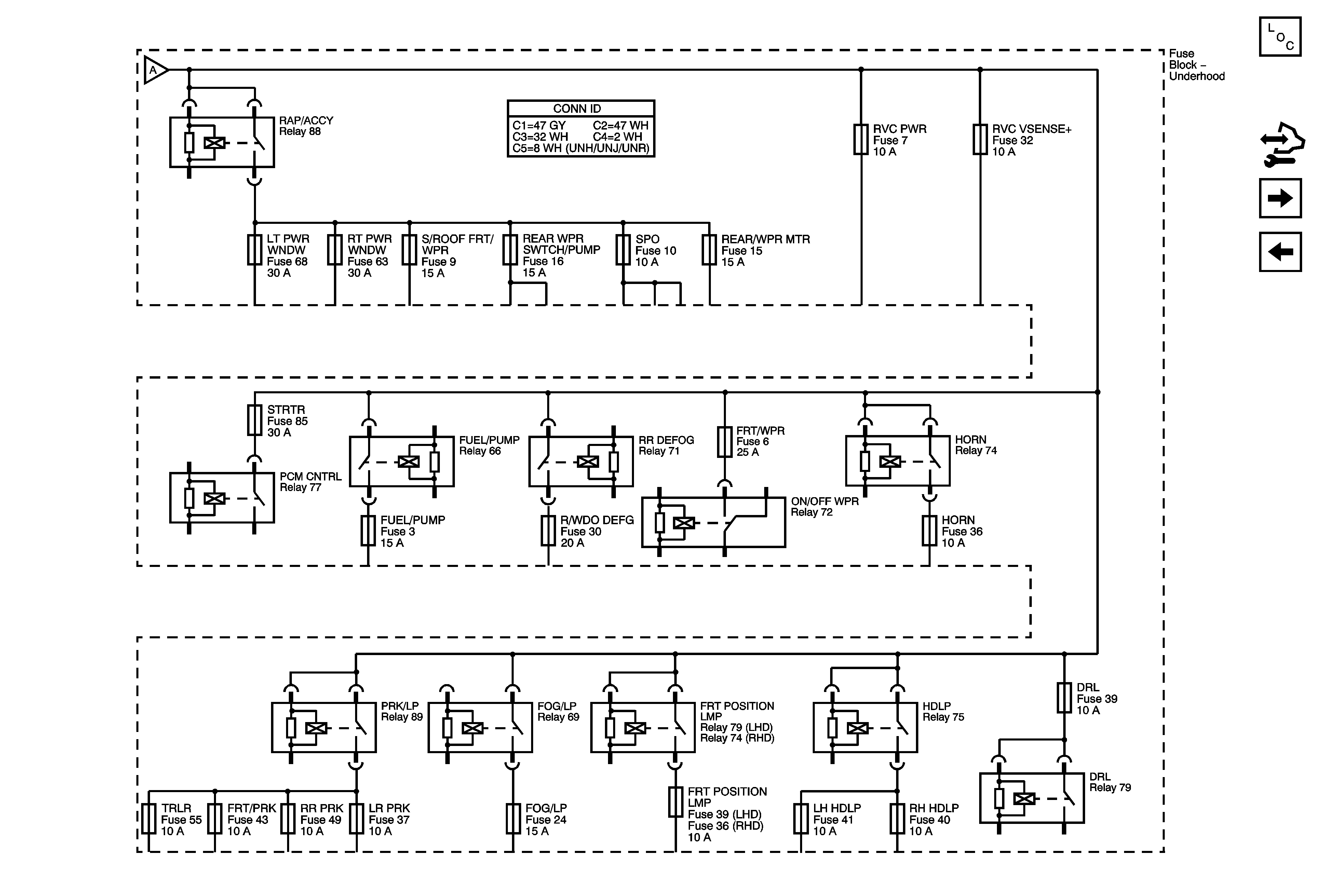
🢒 B+ Bus - Underhood Fuse Block - 2 of 2
B+ Bus - Underhood Fuse Block - 2 of 2
B+ Bus - Underhood Fuse Block - 2 of 2
Master Electrical Component List
Control Module References
ABS/VSES1-SOL, ABS/VSES2-MTR, AUX PWR 1, AUX PWR 2, CLSTR, CNSTR VENT, PCM-B, RDO, STOP, and TCCM Fuses
B+ Bus - Underhood Fuse Block - 1 of 2
B+ Bus - Underhood Fuse Block - 1 of 2