GM Service Manual Online
For 1990-2009 cars only

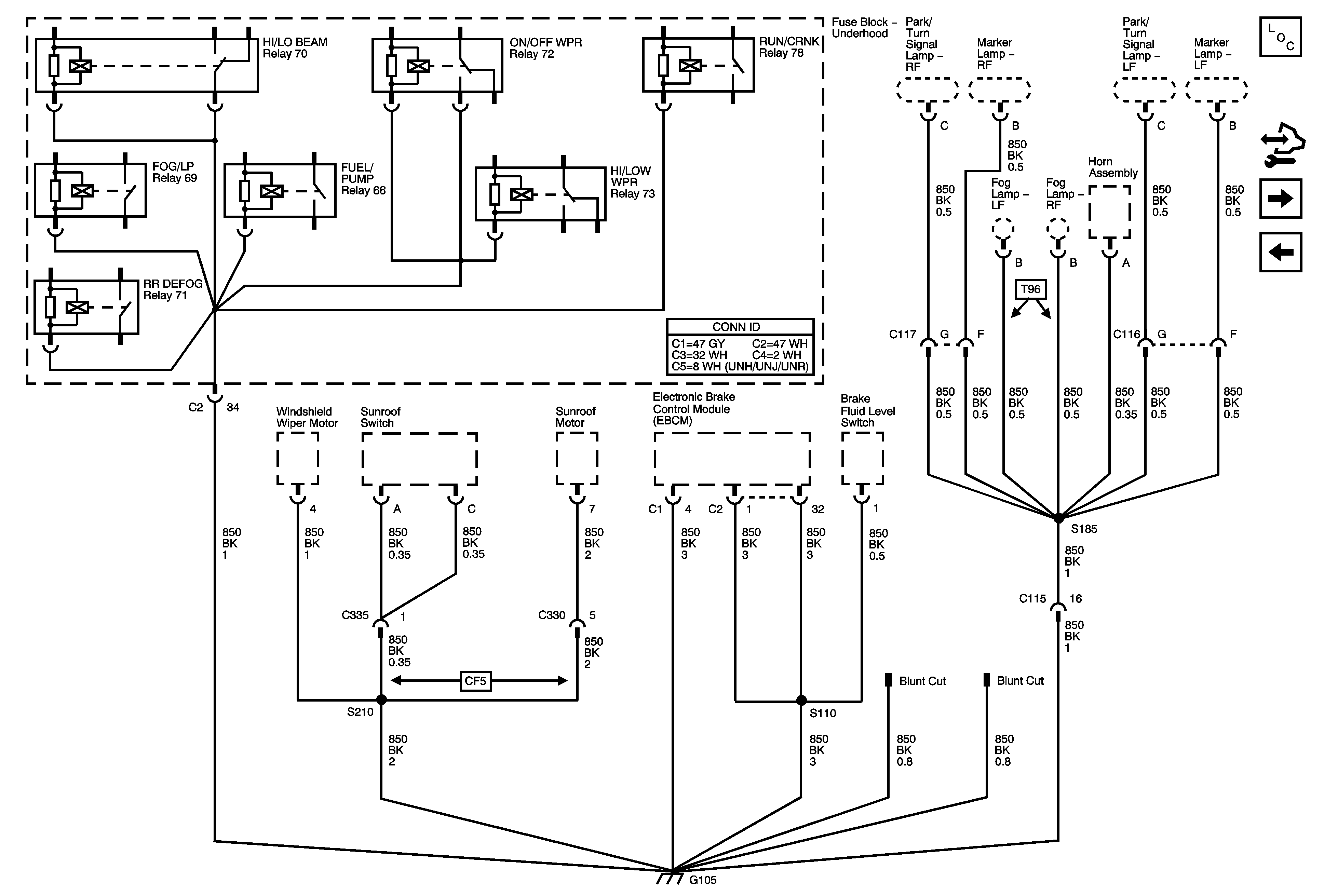
G105

G105


Object Number: 1776717  Size: FS
Master Electrical Component List
Control Module References
G106
G100, G102, G103, G104, G110, and G120