GM Service Manual Online
For 1990-2009 cars only
Makes
🢒
HUMMER
🢒
2007
🢒
H3
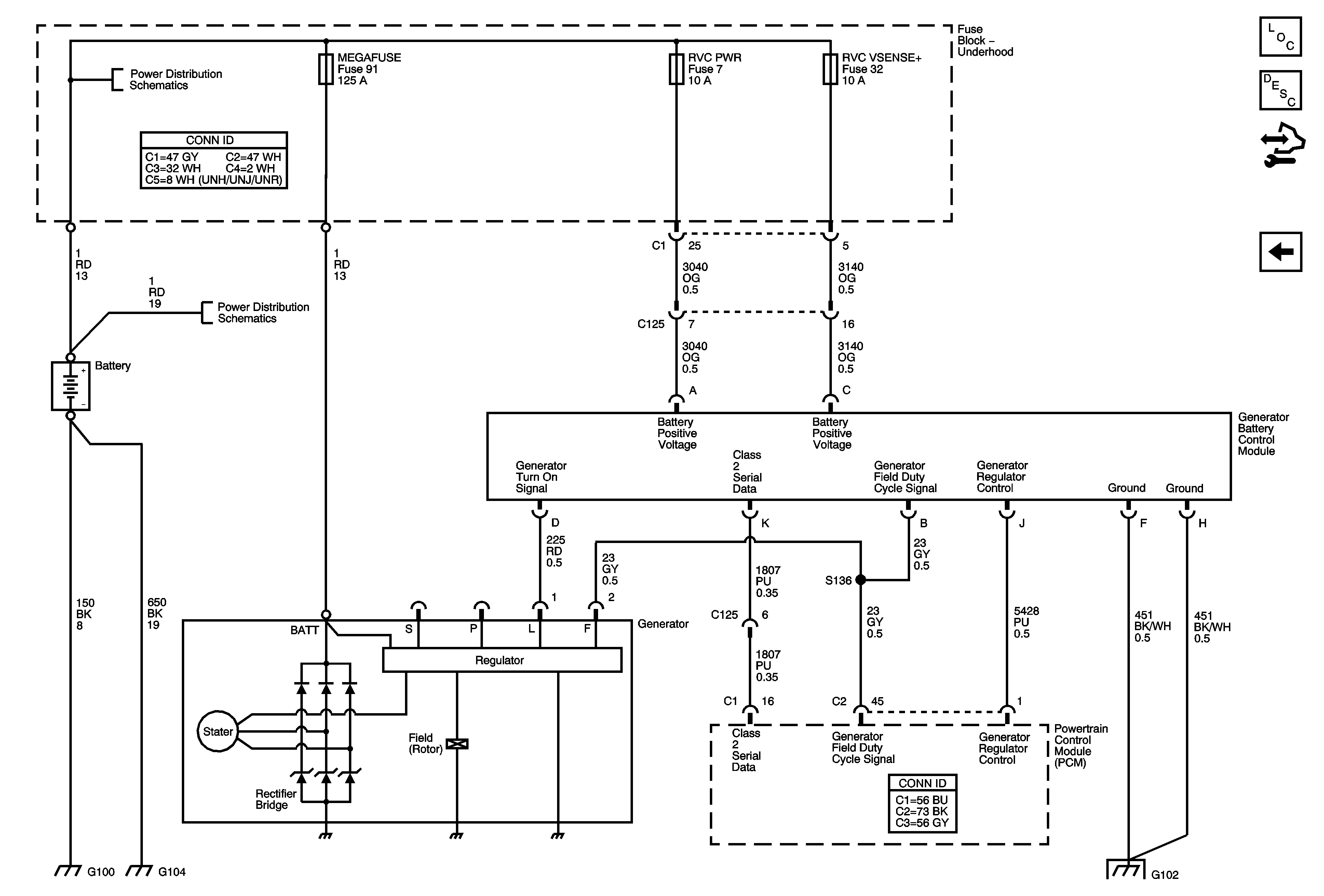
🢒 Charging System
Charging System
Charging System
Master Electrical Component List
Charging System Description and Operation
Control Module References
Starting System - M30
B+ Bus - Underhood Fuse Block - 1 of 2
B+ Bus - Underhood Fuse Block - 1 of 2
G100, G102, G103, G104, G110, and G120