GM Service Manual Online
For 1990-2009 cars only
Makes
🢒
HUMMER
🢒
2007
🢒
H3
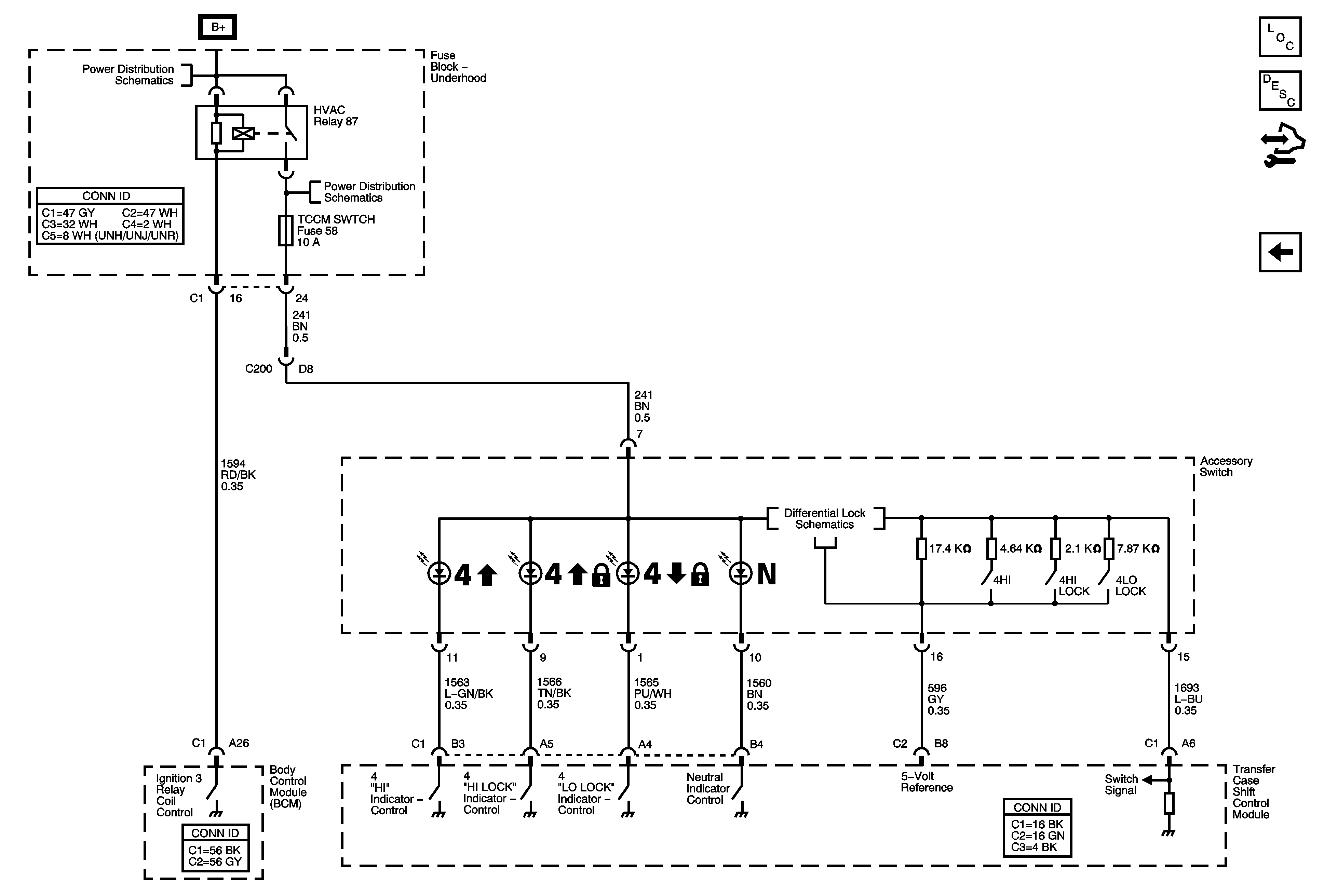
🢒 Shift Control Switch Inputs
Shift Control Switch Inputs
Shift Control Switch Inputs
Master Electrical Component List
Transfer Case Description and Operation
Control Module References
Power, Ground, Serial Data, Indicator, VSS and Encoder Motor
B+ Bus - Underhood Fuse Block - 1 of 2
HVAC BLWR, HVAC CNTRL HD, PWR HTR SWTCH, TCCM SWTCH, and VSES/ABS Fuses
Differential Lock Schematics