GM Service Manual Online
For 1990-2009 cars only

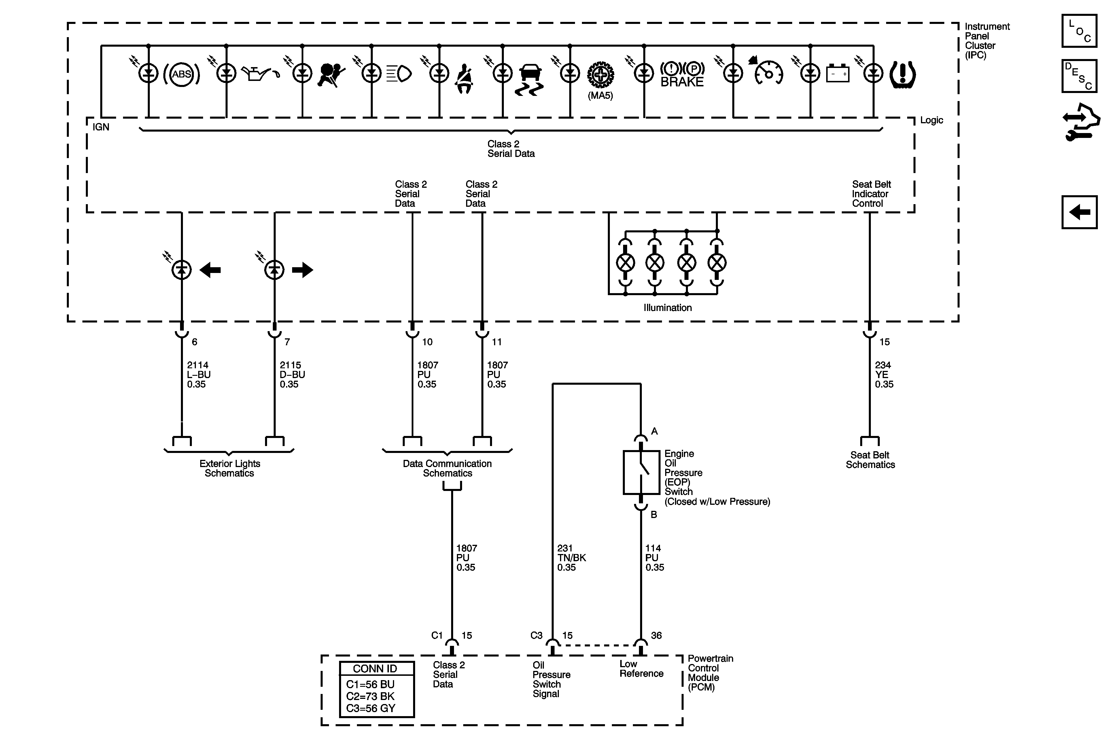
Indicators

Indicators


Object Number: 1778056  Size: FS
Master Electrical Component List
Instrument Cluster Description and Operation
Control Module References
Gages
Turn Signal/Stop Lamps
Data Link Connector (DLC) Schematics
Seat Belt Schematics