GM Service Manual Online
For 1990-2009 cars only
Makes
🢒
HUMMER
🢒
2007
🢒
H3
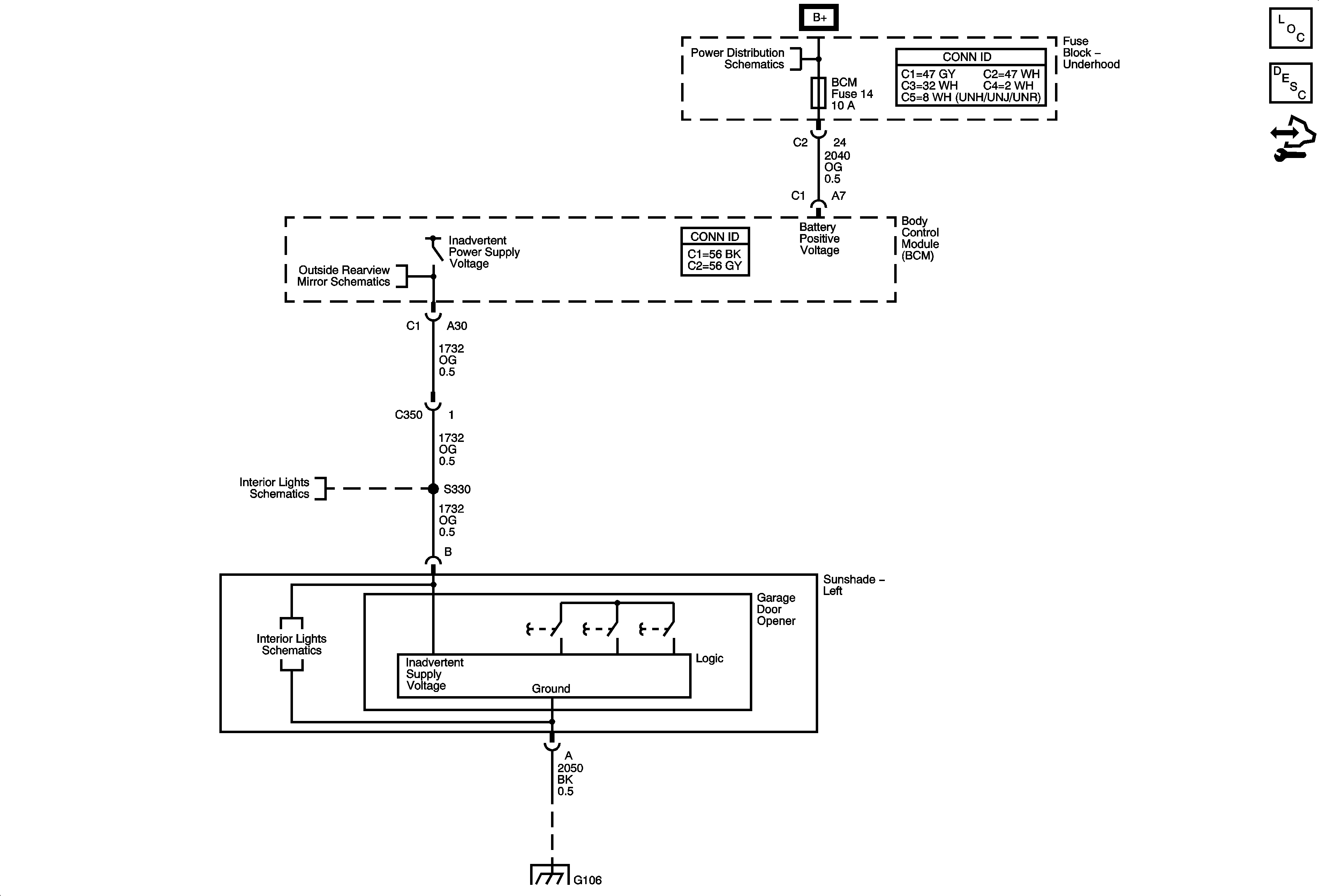
🢒 Garage Door Opener Schematic
Garage Door Opener Schematic
Garage Door Opener
Master Electrical Component List
Garage Door Opener Description and Operation
Control Module References
B+ Bus - Underhood Fuse Block - 1 of 2
Outside Rearview Mirror Schematics
Dome Lamp, Footwell Courtesy Lamps, and Vanity Mirror Lamps
Dome Lamp, Footwell Courtesy Lamps, and Vanity Mirror Lamps
G106