GM Service Manual Online
For 1990-2009 cars only
Makes
🢒
HUMMER
🢒
2007
🢒
H3
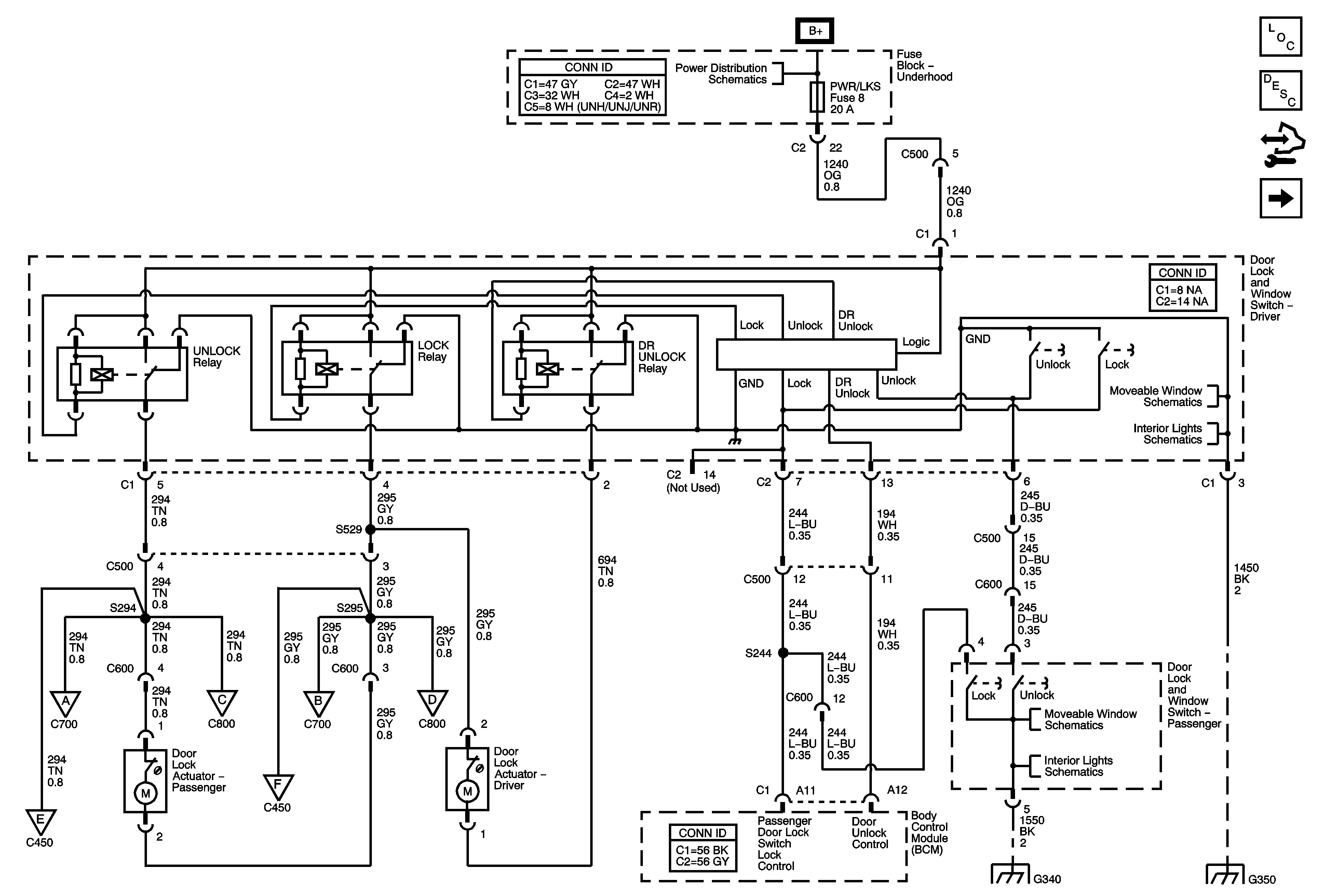
🢒 Power Door Locks
Power Door Locks
Power Door Locks
Master Electrical Component List
Power Door Locks Description and Operation
Control Module References
Rear Door Lock and Endgate Actuators
B+ Bus - Underhood Fuse Block - 1 of 2
Driver Door
Door Lock and Window Switches
Rear Door Lock and Endgate Actuators
Rear Door Lock and Endgate Actuators
Rear Door Lock and Endgate Actuators
Rear Door Lock and Endgate Actuators
Rear Door Lock and Endgate Actuators
Rear Door Lock and Endgate Actuators
Front Passenger Door
Door Lock and Window Switches
G340 and G345
G350