GM Service Manual Online
For 1990-2009 cars only
Figure 1:

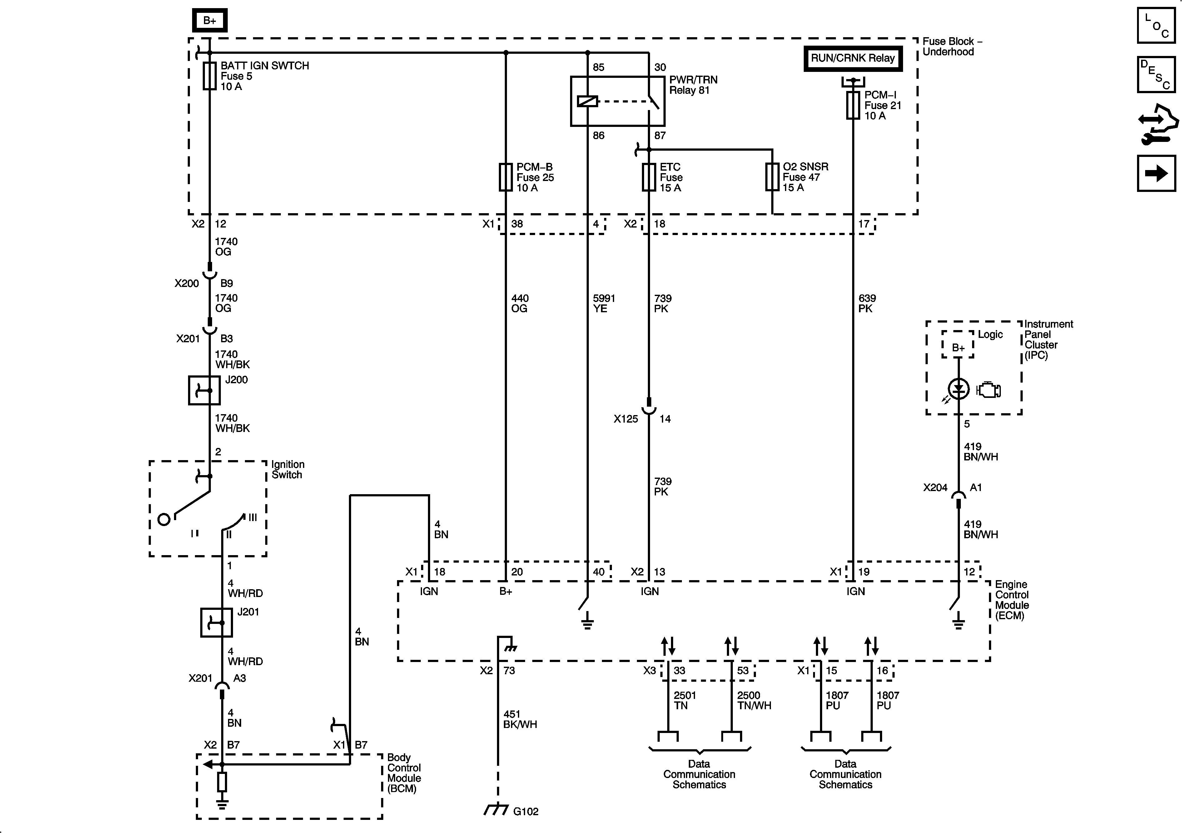
Module Power, Ground, Serial Data and MIL


Object Number: 1911879  Size: FS
Master Electrical Component List
Engine Control Module Description
Control Module References
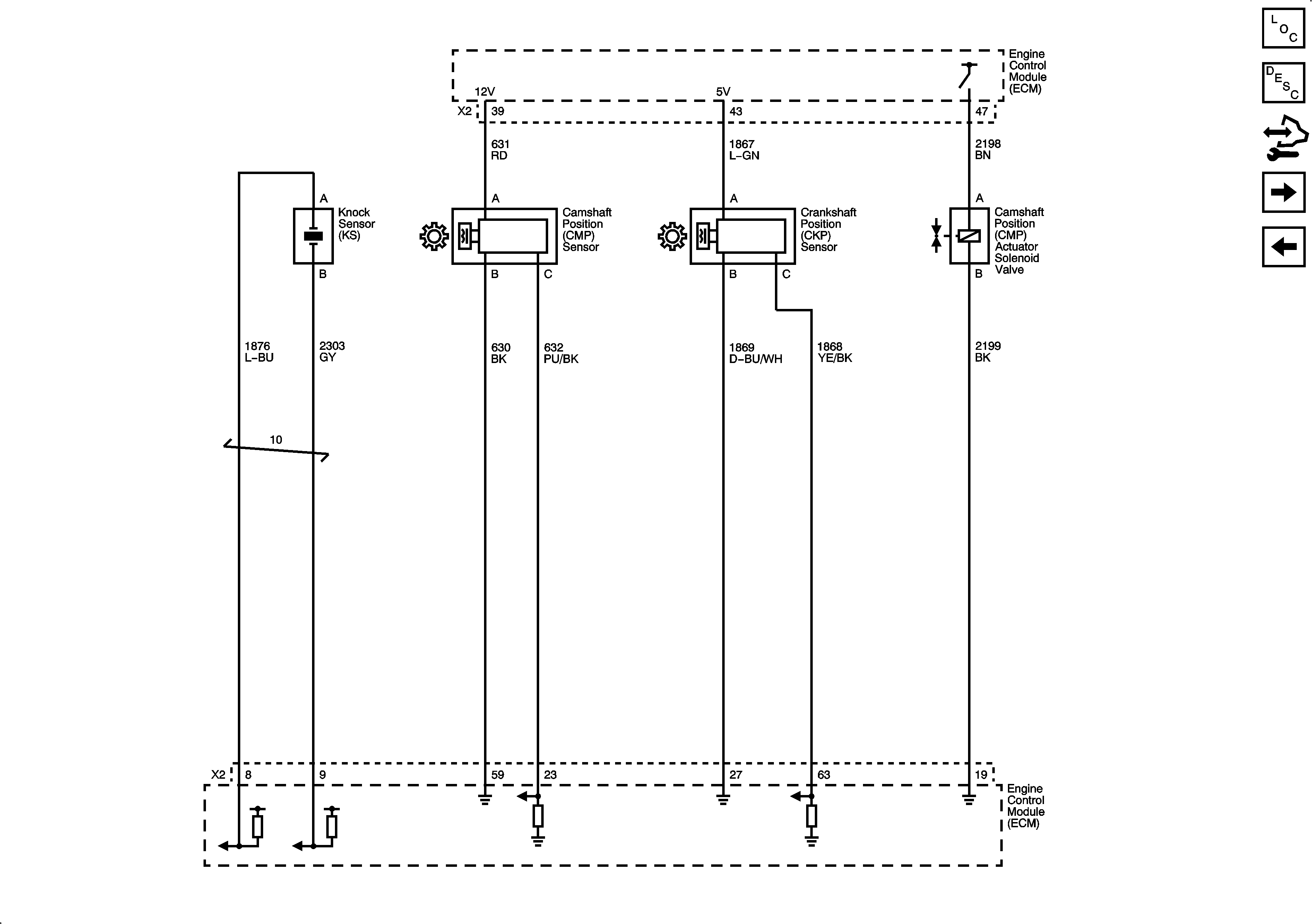
Engine Data Sensors - 5-Volt and Low Reference
Figure 2:

Engine Data Sensors - 5-Volt and Low Reference


Object Number: 1911882  Size: FS
Master Electrical Component List
Engine Control Module Description
Control Module References
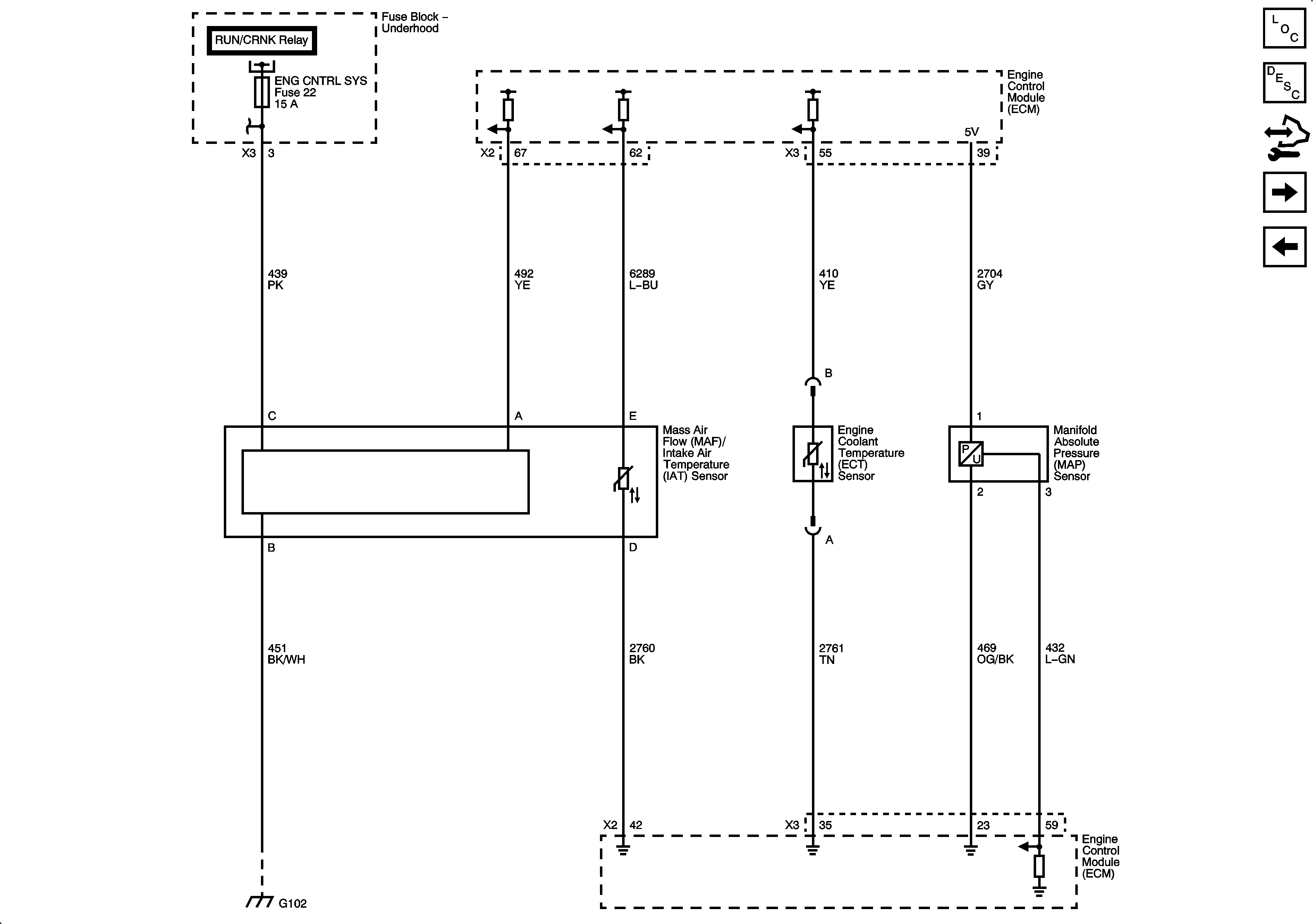
Engine Data Sensors - Pressure and Temperature
Module Power, Ground, Serial Data and MIL
Figure 3:

Engine Data Sensors - Pressure and Temperature


Object Number: 1911884  Size: FS
Master Electrical Component List
Engine Control Module Description
Control Module References
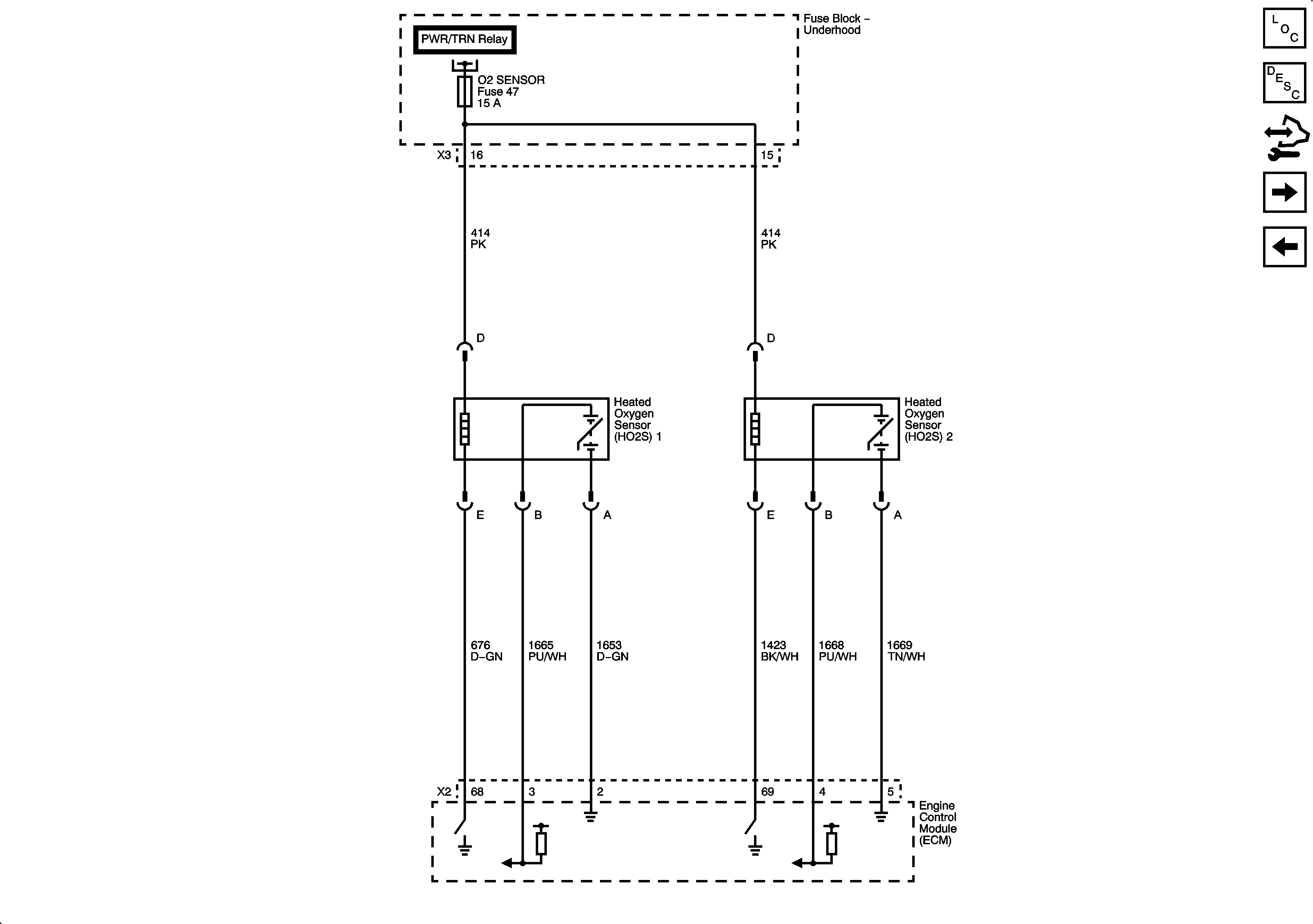
Engine Data Sensors - HO2S
Engine Data Sensors - 5-Volt and Low Reference
Figure 4:

Engine Data Sensors - HO2S


Object Number: 1911885  Size: FS
Master Electrical Component List
Engine Control Module Description
Control Module References
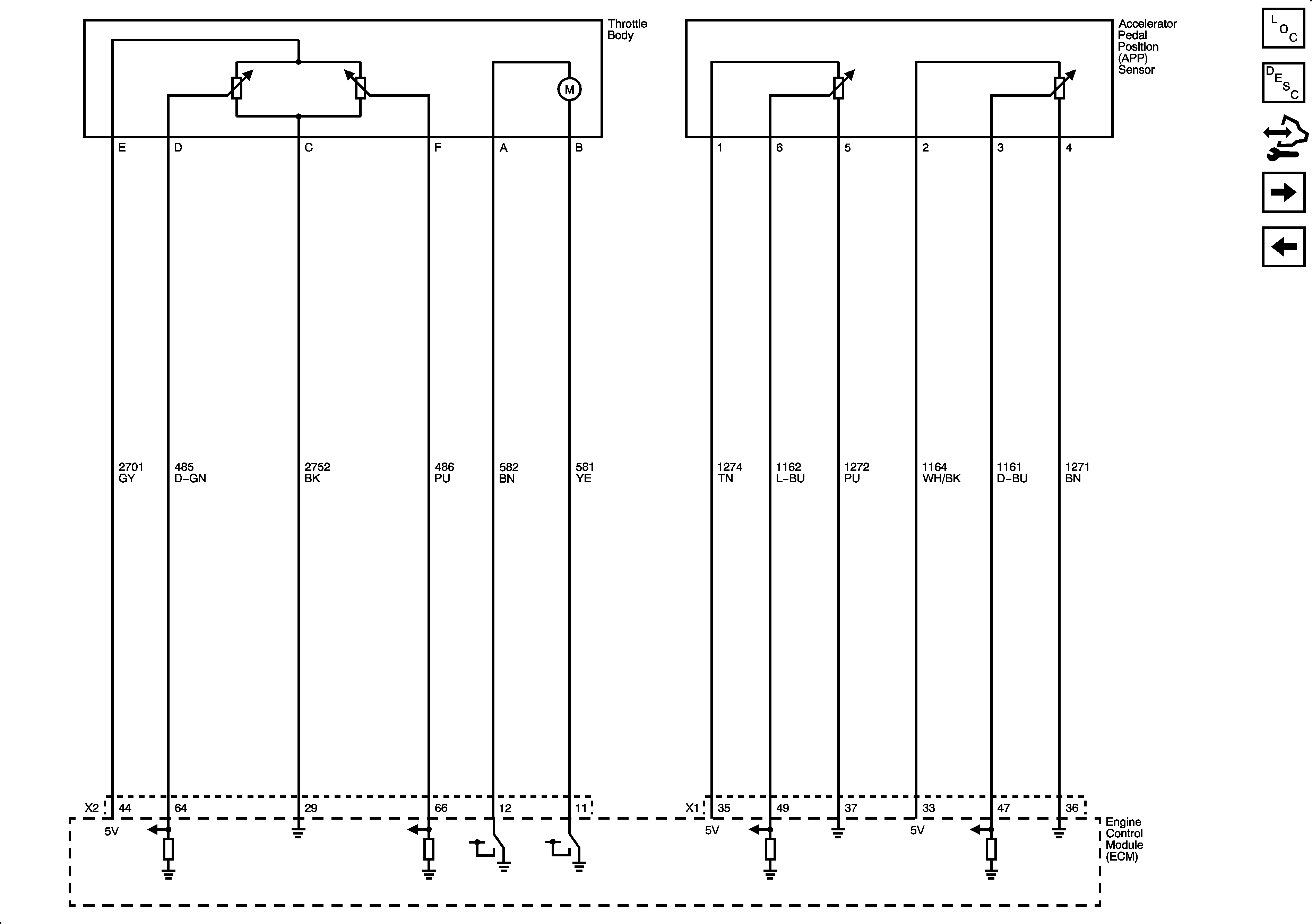
Engine Data Sensors - Throttle Controls
Engine Data Sensors - Pressure and Temperature
Figure 5:

Engine Data Sensors - Throttle Controls


Object Number: 1923573  Size: FS
Master Electrical Component List
Engine Control Module Description
Control Module References
Ignition Controls - Sensors
Engine Data Sensors - HO2S
Figure 6:

Ignition Controls - Sensors


Object Number: 1911889  Size: FS
Master Electrical Component List
Engine Control Module Description
Control Module References
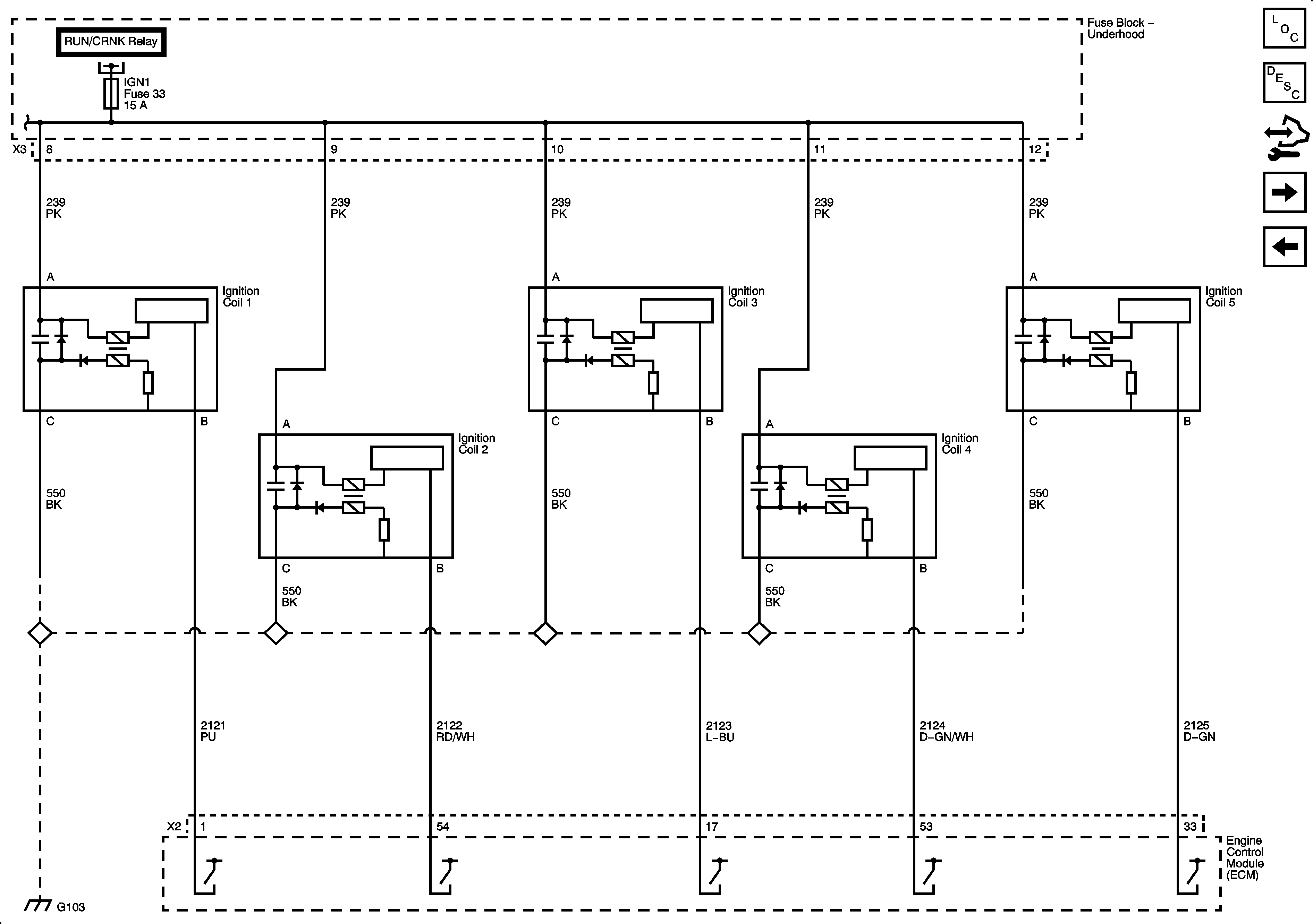
Ignition Controls - Ignition System Coils
Engine Data Sensors - Throttle Controls
Figure 7:

Ignition Controls - Ignition System Coils


Object Number: 1911890  Size: FS
Master Electrical Component List
Engine Control Module Description
Control Module References
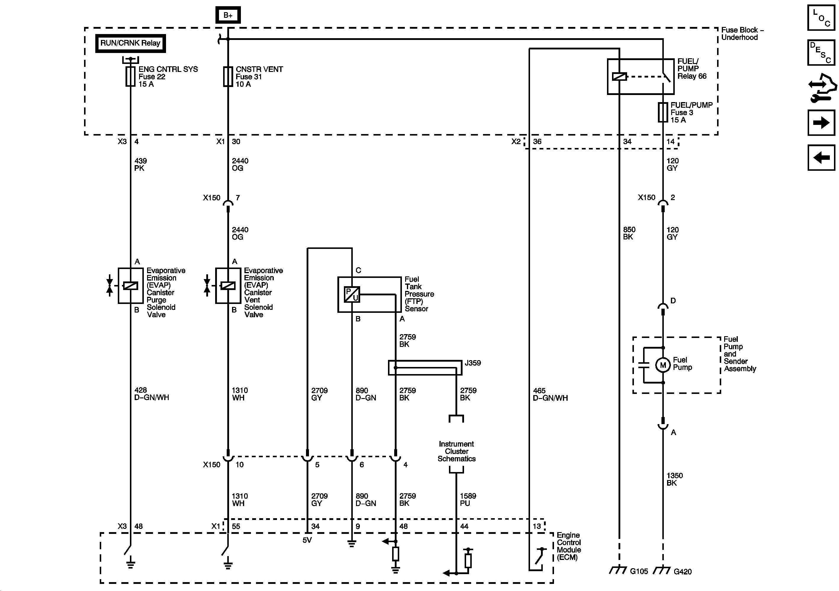
Fuel Controls - EVAP and Fuel Pump Controls
Ignition Controls - Sensors
Figure 8:

Fuel Controls - EVAP and Fuel Pump Controls


Object Number: 1911893  Size: FS
Master Electrical Component List
Engine Control Module Description
Control Module References
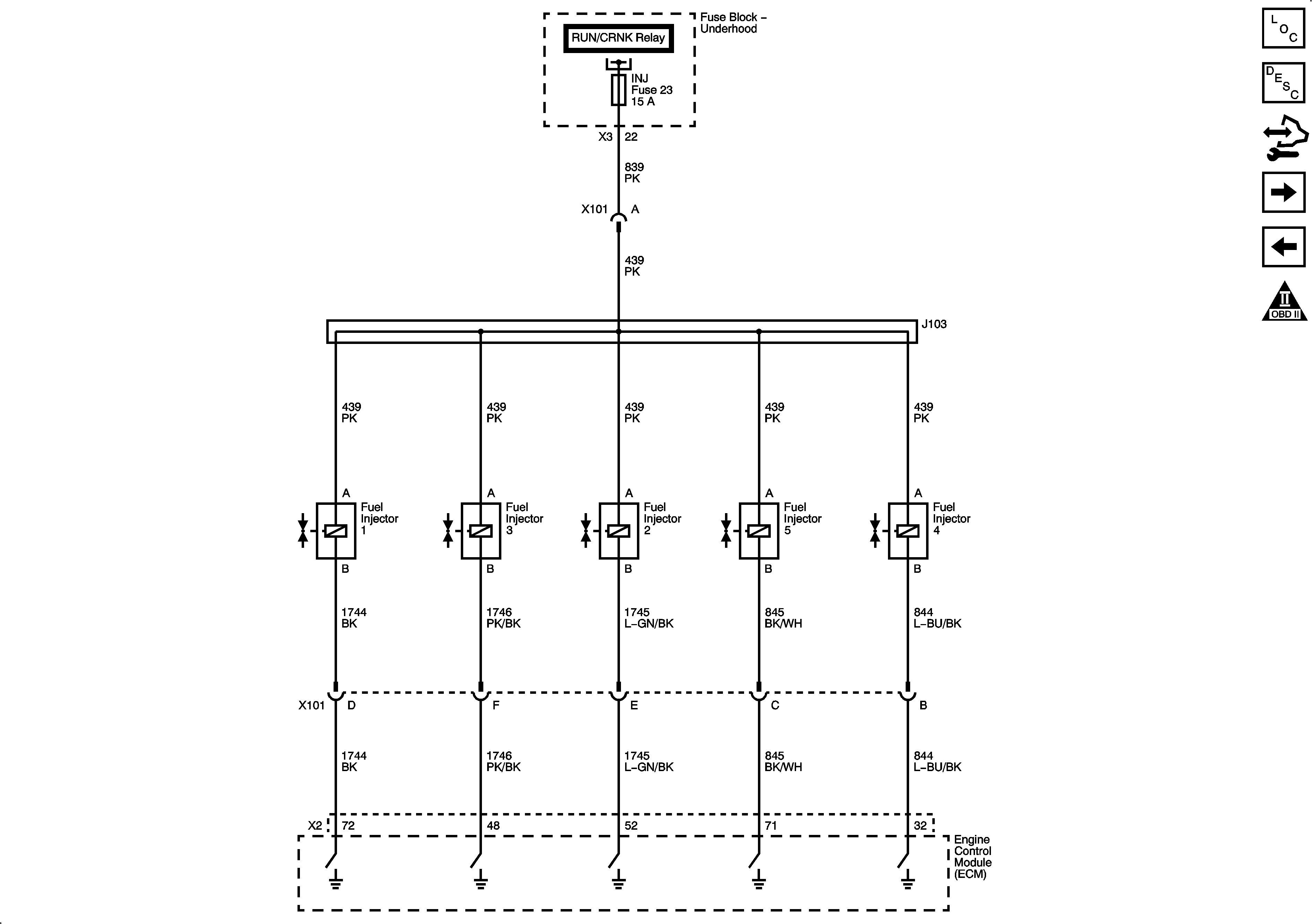
Fuel Controls - Fuel Injectors
Ignition Controls - Ignition System Coils
Figure 9:

Fuel Controls - Fuel Injectors


Object Number: 1911896  Size: FS
Master Electrical Component List
Engine Control Module Description
Control Module References
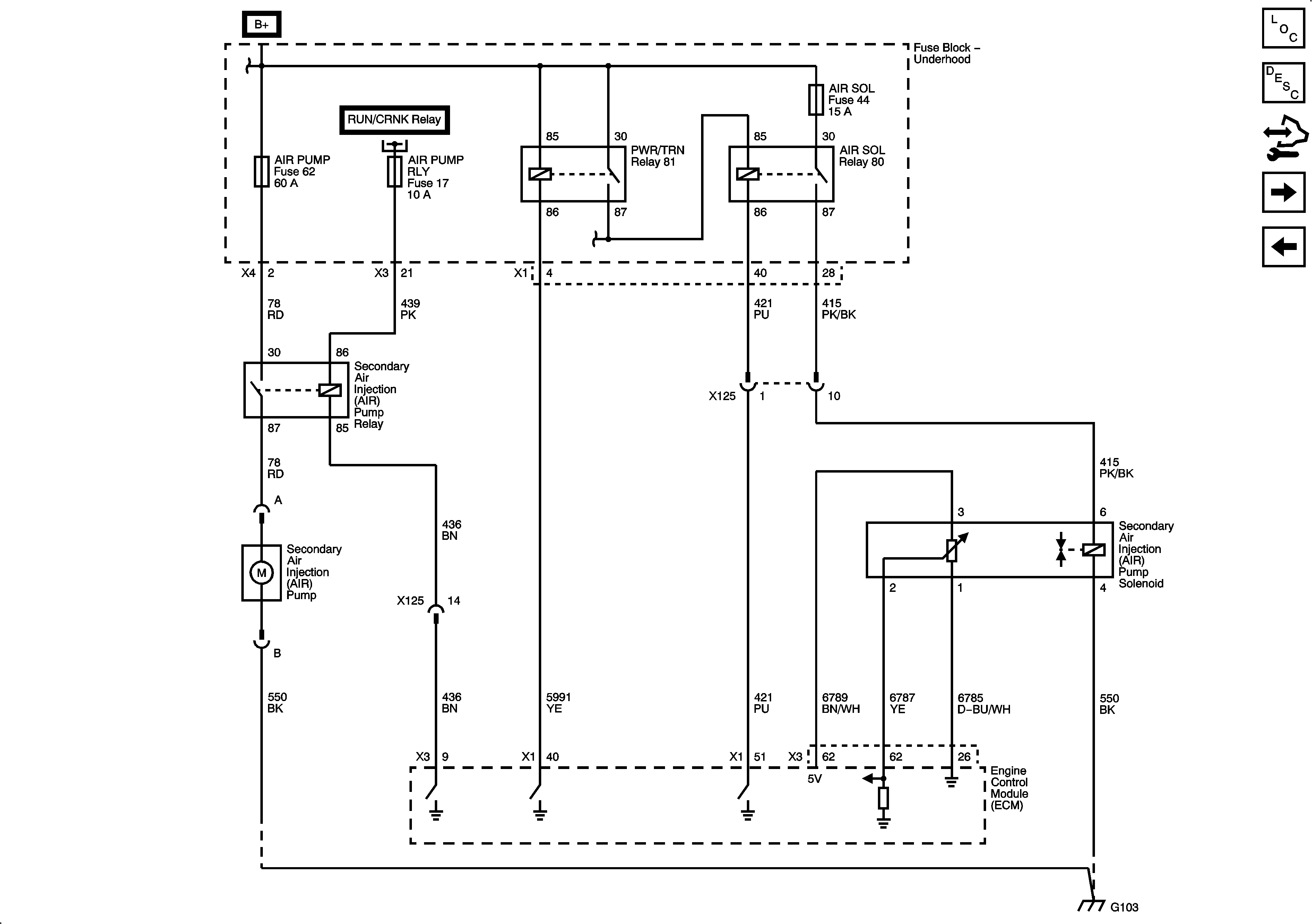
Device Controls - Secondary AIR Injection - K18
Fuel Controls - EVAP and Fuel Pump Controls
Figure 10:

Device Controls - Secondary AIR Injection - K18


Object Number: 1911899  Size: FS
Master Electrical Component List
Engine Control Module Description
Control Module References
Controlled/Monitored Subsystem References
Fuel Controls - Fuel Injectors
Figure 11:

Controlled/Monitored Subsystem References


Object Number: 1911901  Size: FS
Master Electrical Component List
Engine Control Module Description
Control Module References
Device Controls - Secondary AIR Injection - K18