GM Service Manual Online
For 1990-2009 cars only
Figure 1:

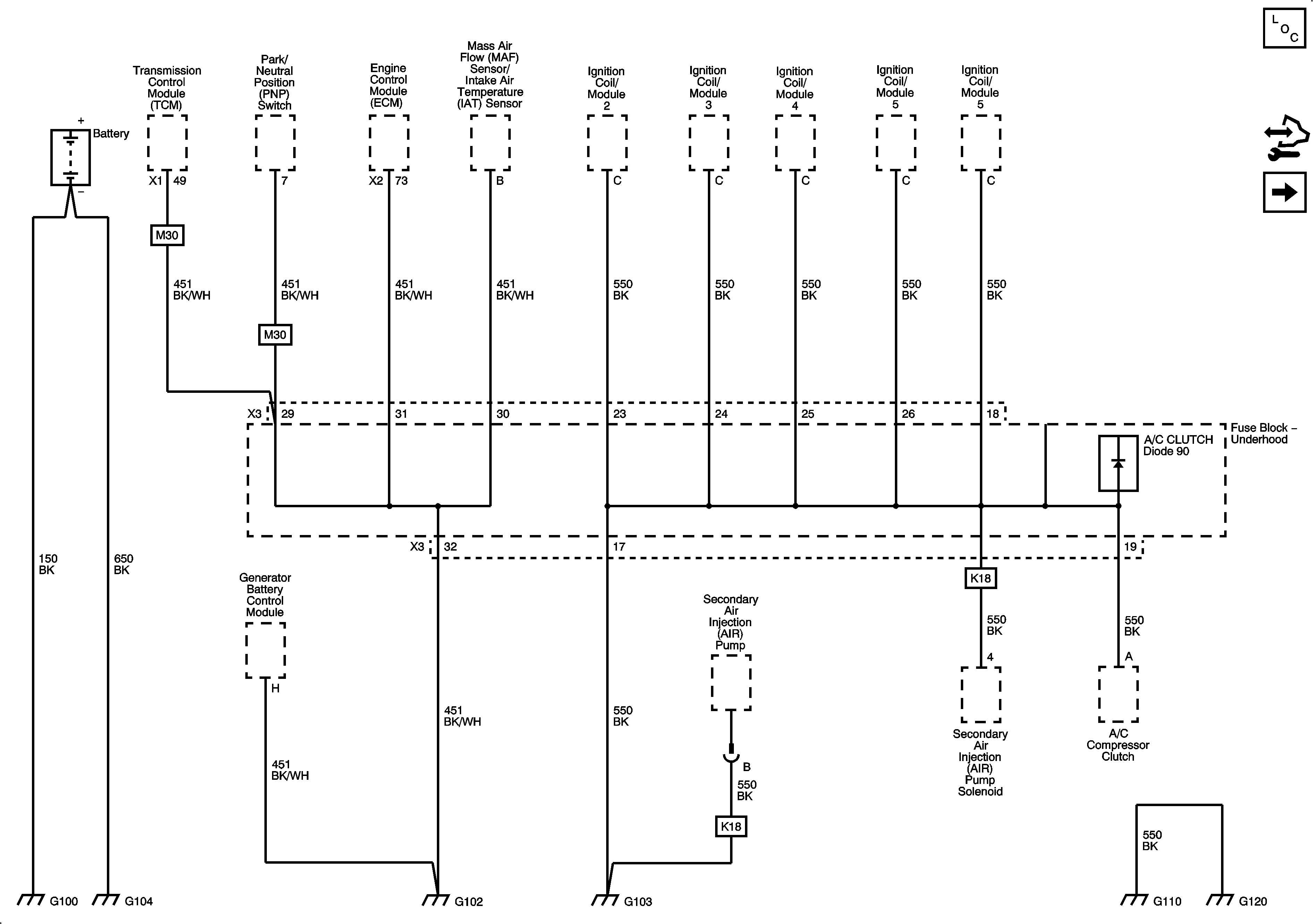
G100, G102, G103, G104, G110, and G120


Object Number: 1911798  Size: FS
Master Electrical Component List
Control Module References
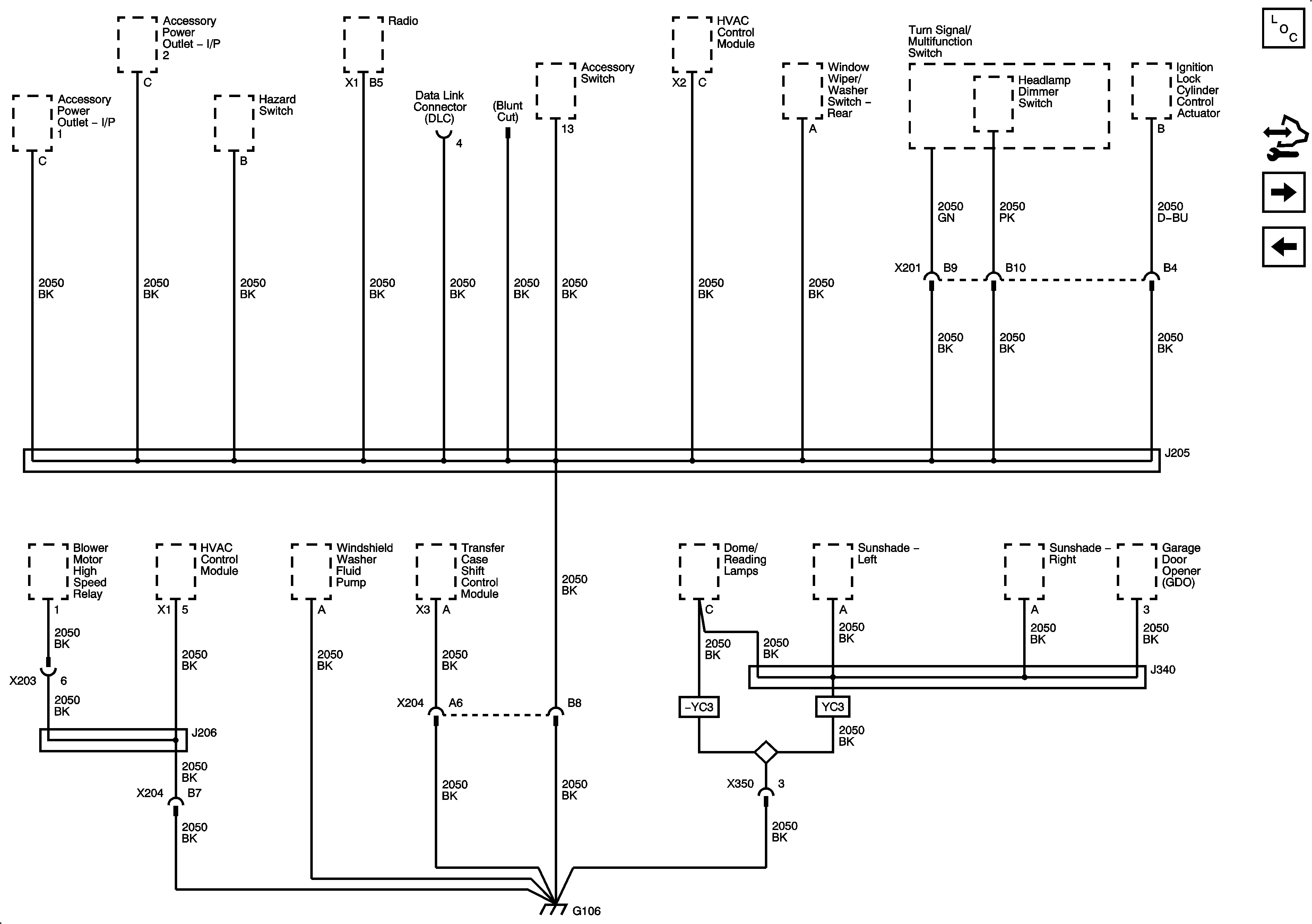
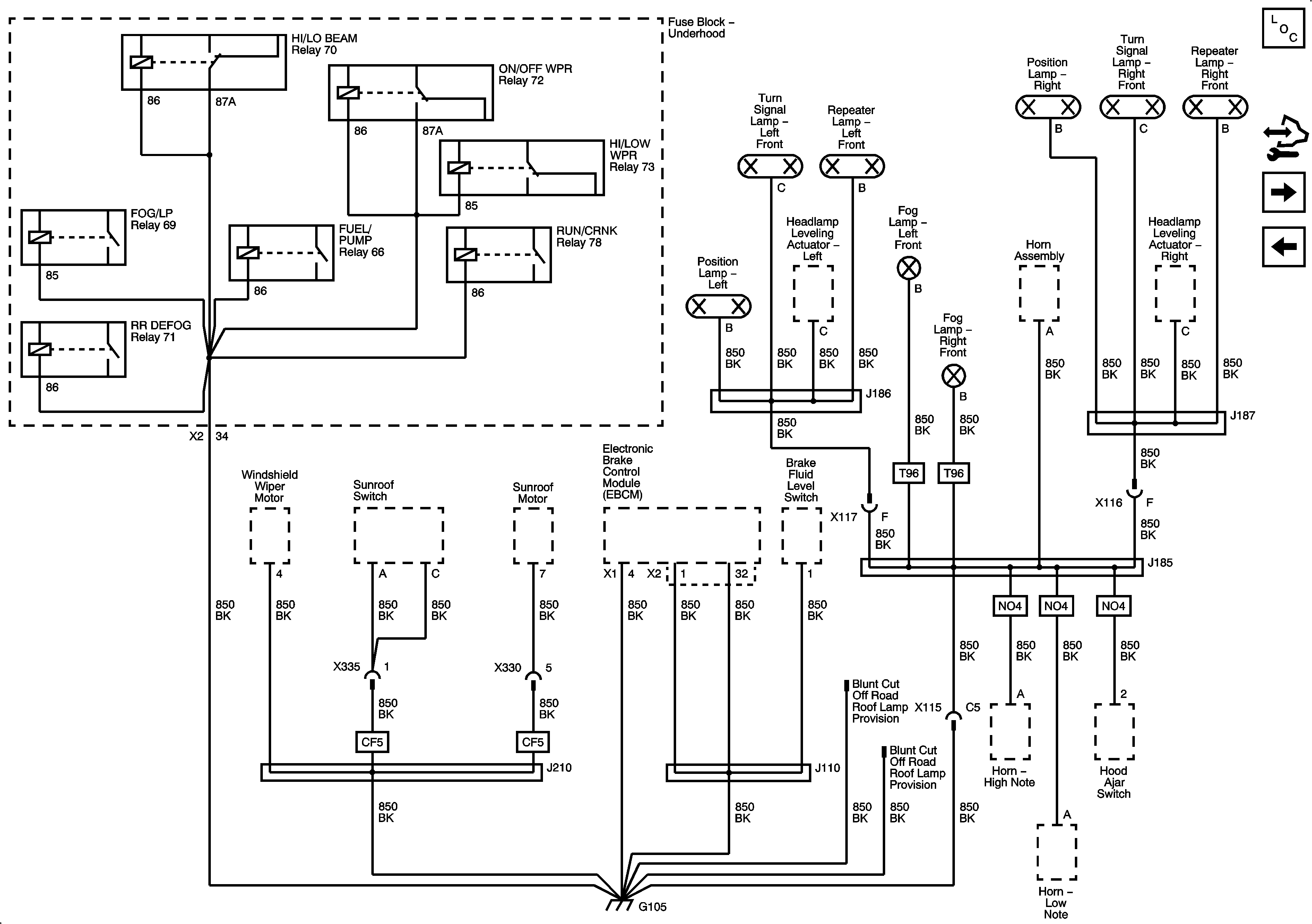
G105 - Left Hand Drive Except EXP
Figure 2:

G105 - Left Hand Drive Except EXP


Object Number: 1911799  Size: FS
Master Electrical Component List
Control Module References
G105 - Left Hand Drive with EXP
G100, G102, G103, G104, G110, and G120
Figure 3:

G105 - Left Hand Drive with EXP


Object Number: 1911800  Size: FS
Master Electrical Component List
Control Module References
G105 - Right Hand Drive
G105 - Left Hand Drive Except EXP
Figure 4:

G105 - Right Hand Drive


Object Number: 1911802  Size: FS
Master Electrical Component List
Control Module References
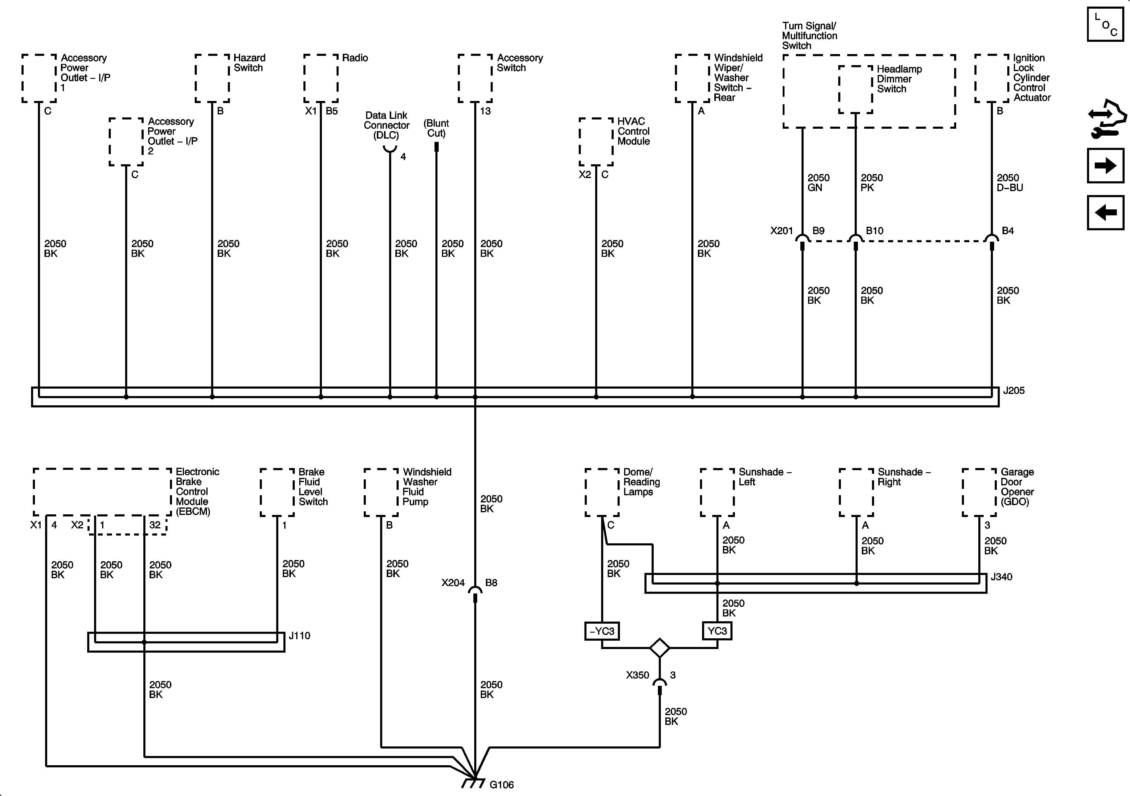
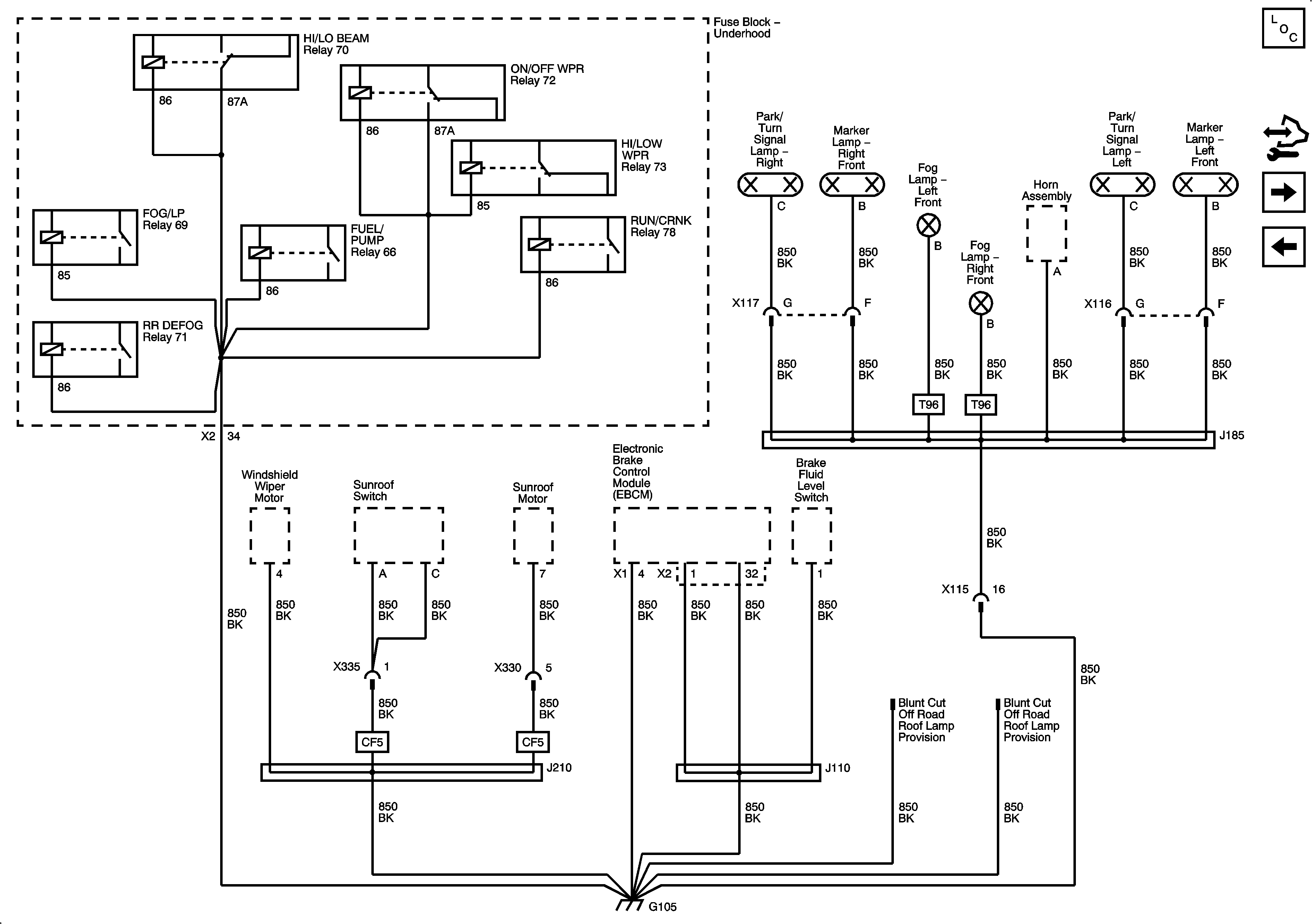
G106 - Left Hand Drive
G105 - Left Hand Drive with EXP
Figure 5:

G106 - Left Hand Drive


Object Number: 1911804  Size: FS
Master Electrical Component List
Control Module References
G106 - Right Hand Drive
G105 - Right Hand Drive
Figure 6:

G106 - Right Hand Drive


Object Number: 1911805  Size: FS
Master Electrical Component List
Control Module References
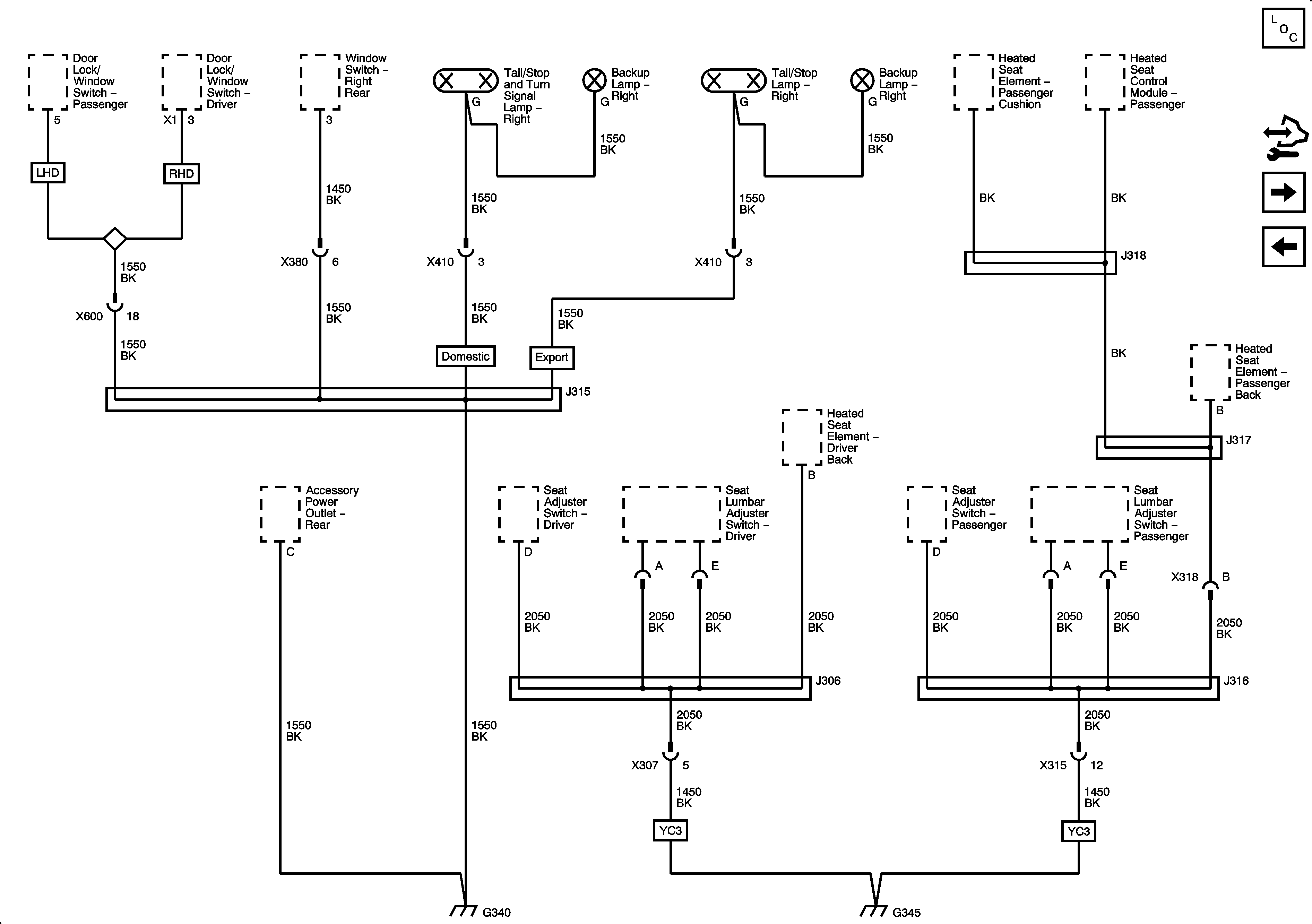
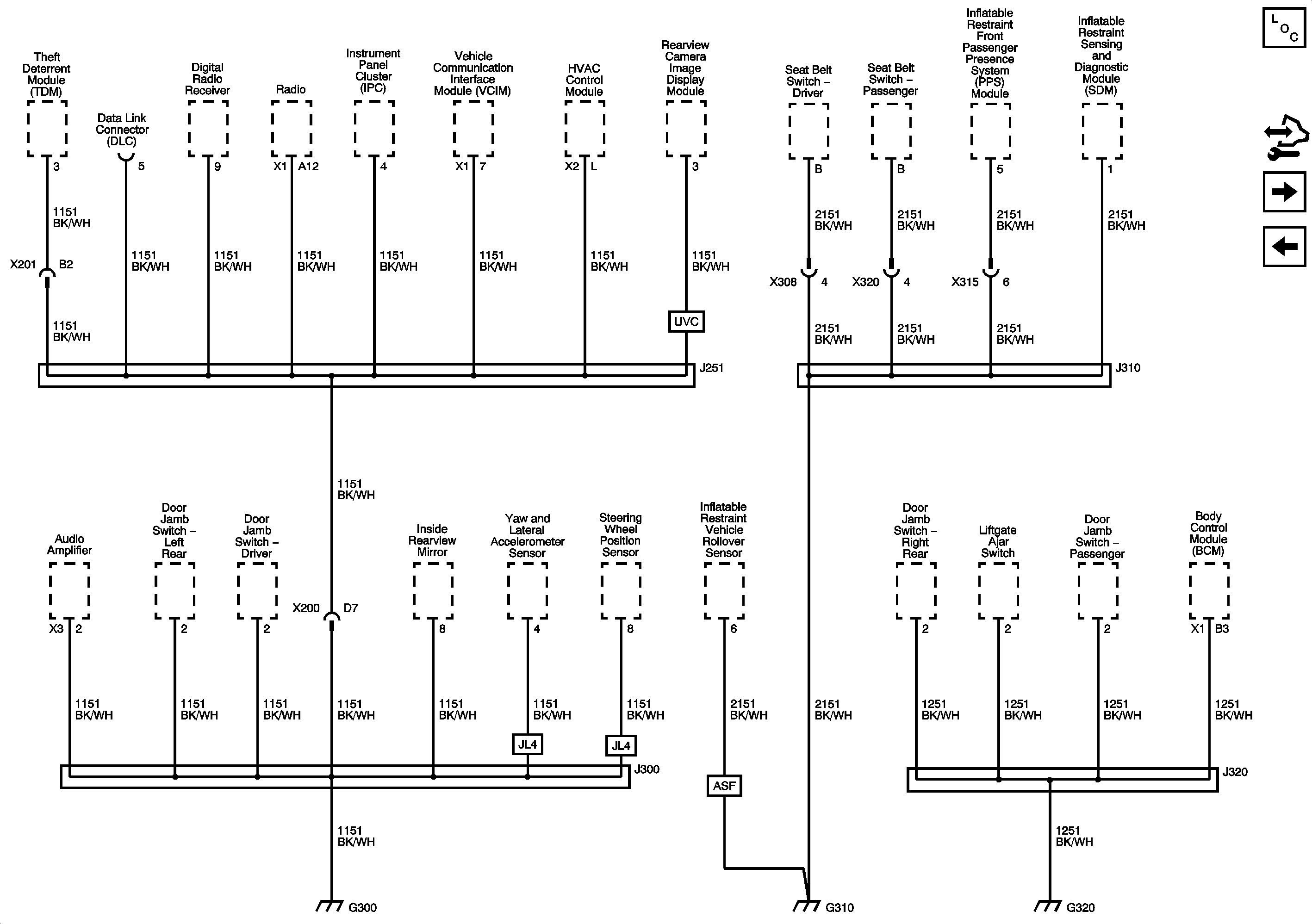
G300, G310, and G320
G106 - Left Hand Drive
Figure 7:

G300, G310, G320


Object Number: 1911806  Size: FS
Master Electrical Component List
Control Module References
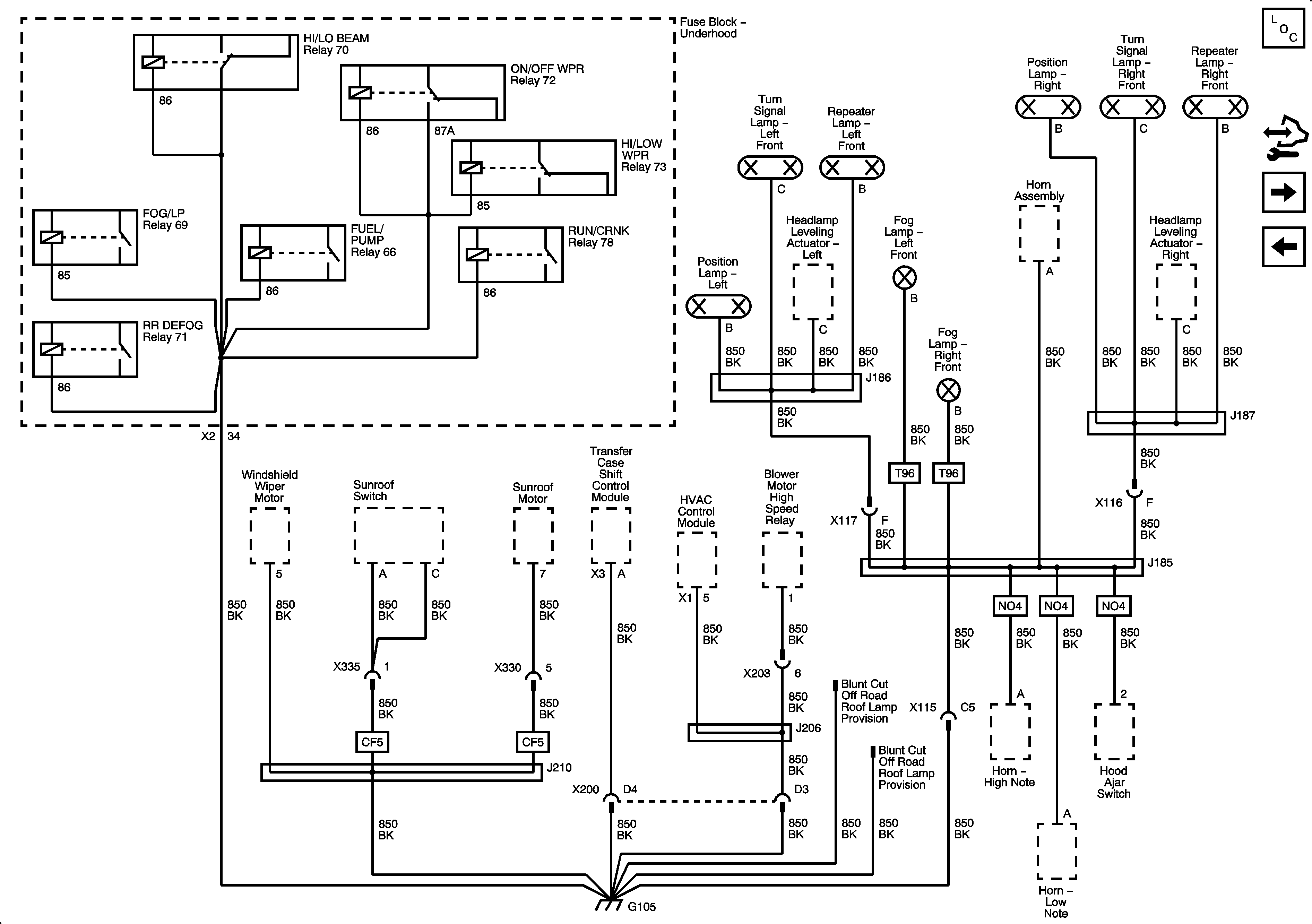
G340 and G345
G106 - Right Hand Drive
Figure 8:

G340 and G345


Object Number: 1911807  Size: FS
Master Electrical Component List
Control Module References
G350
G300, G310, and G320
Figure 9:

G350


Object Number: 1911808  Size: FS
Master Electrical Component List
Control Module References
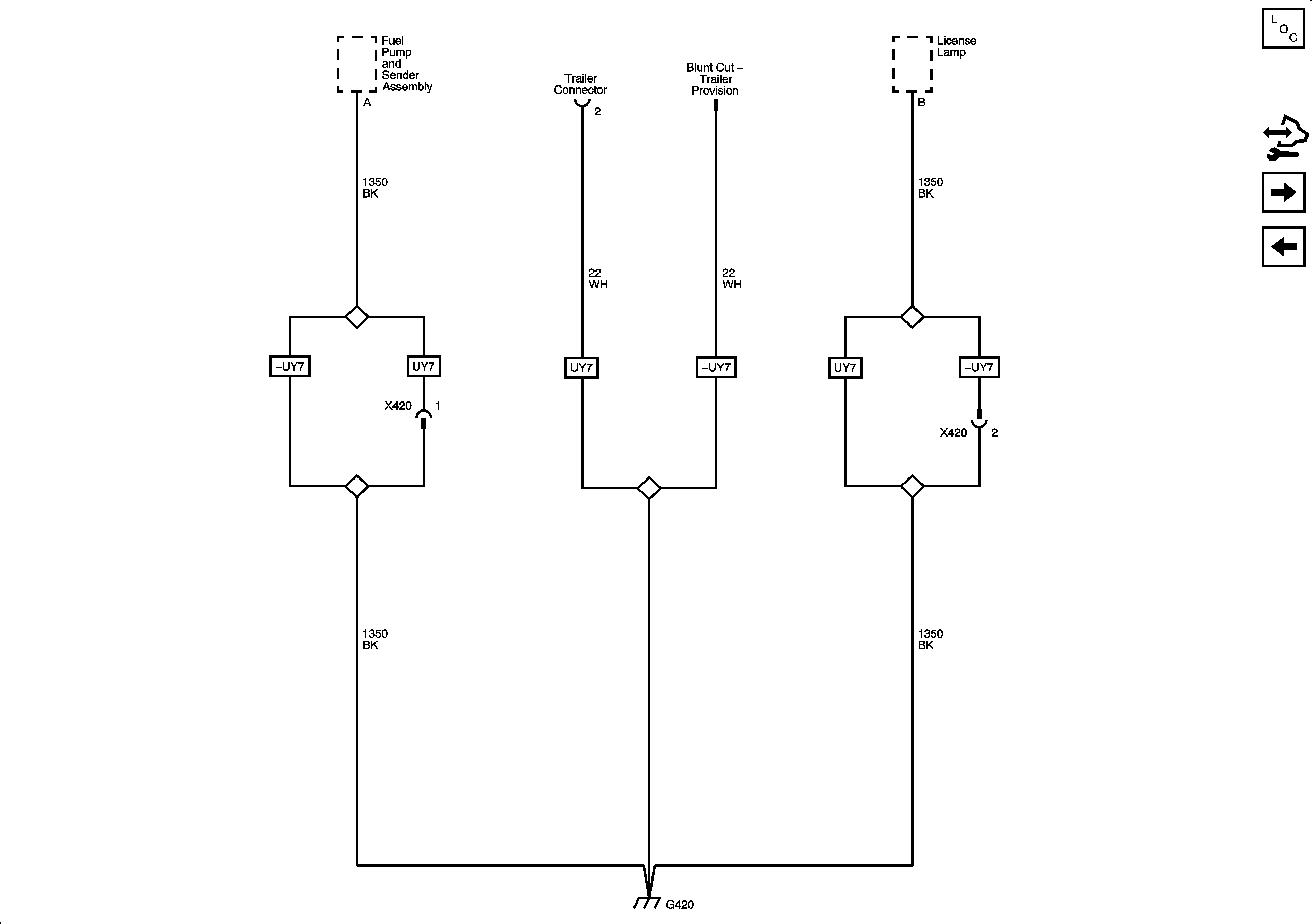
G420 (Except EXP)
G340 and G345
Figure 10:

G420 (Except EXP)


Object Number: 1911810  Size: FS
Master Electrical Component List
Control Module References
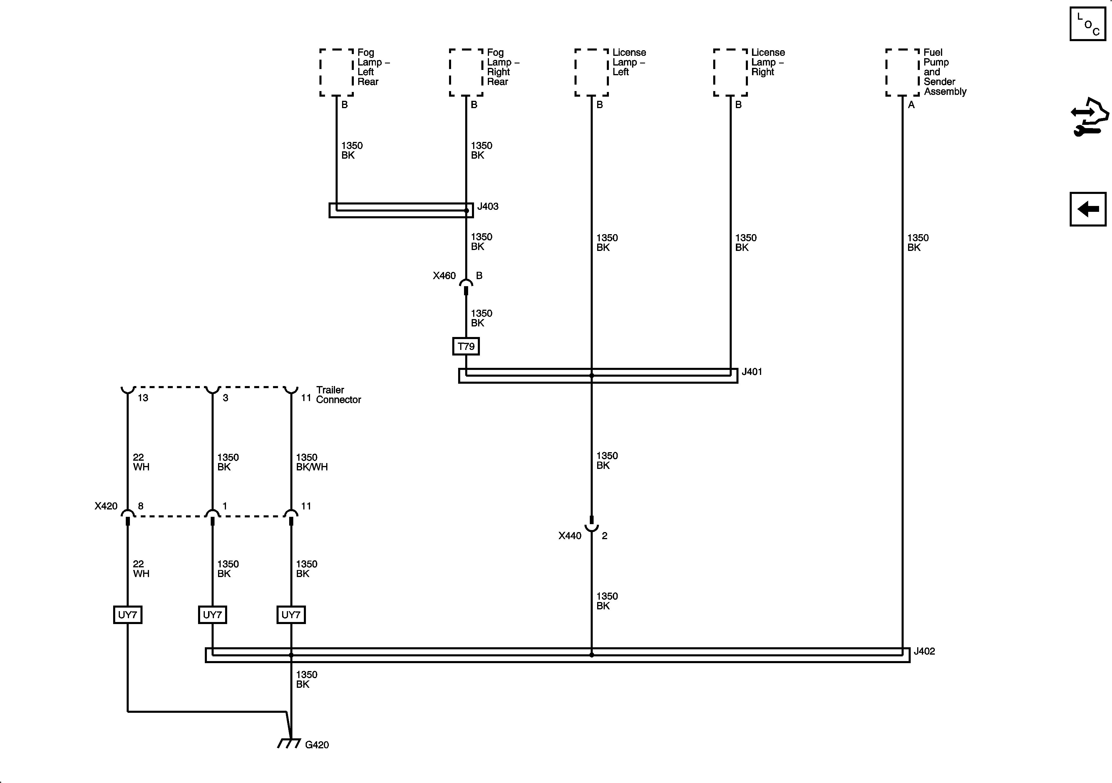
G420 (EXP)
G350
Figure 11:

G420 (EXP)


Object Number: 1911812  Size: FS
Master Electrical Component List
Control Module References
G420 (Except EXP)