GM Service Manual Online
For 1990-2009 cars only
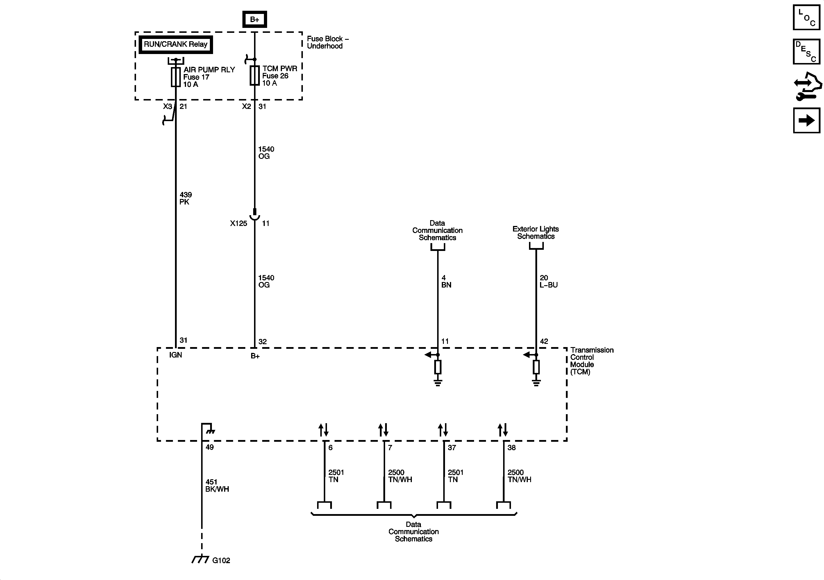
Figure 1:

Module Power, Ground, and Serial Data


Object Number: 1911851  Size: FS
Master Electrical Component List
Transmission Component and System Description
Control Module References
Shift Controls
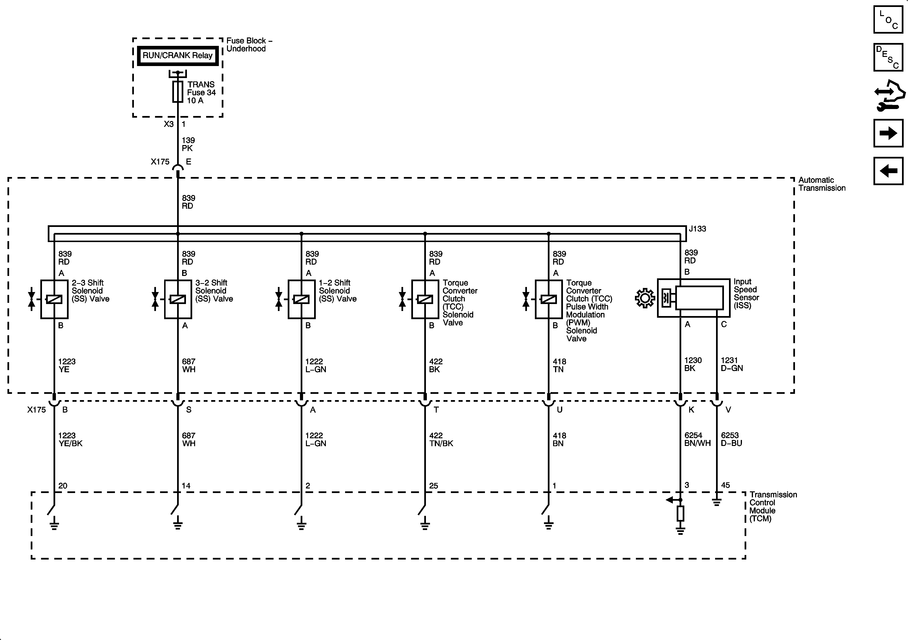
Figure 2:

Shift Controls


Object Number: 1911853  Size: FS
Master Electrical Component List
Transmission Component and System Description
Control Module References
Pressure and Temperature Controls
Module Power, Ground, and Serial Data
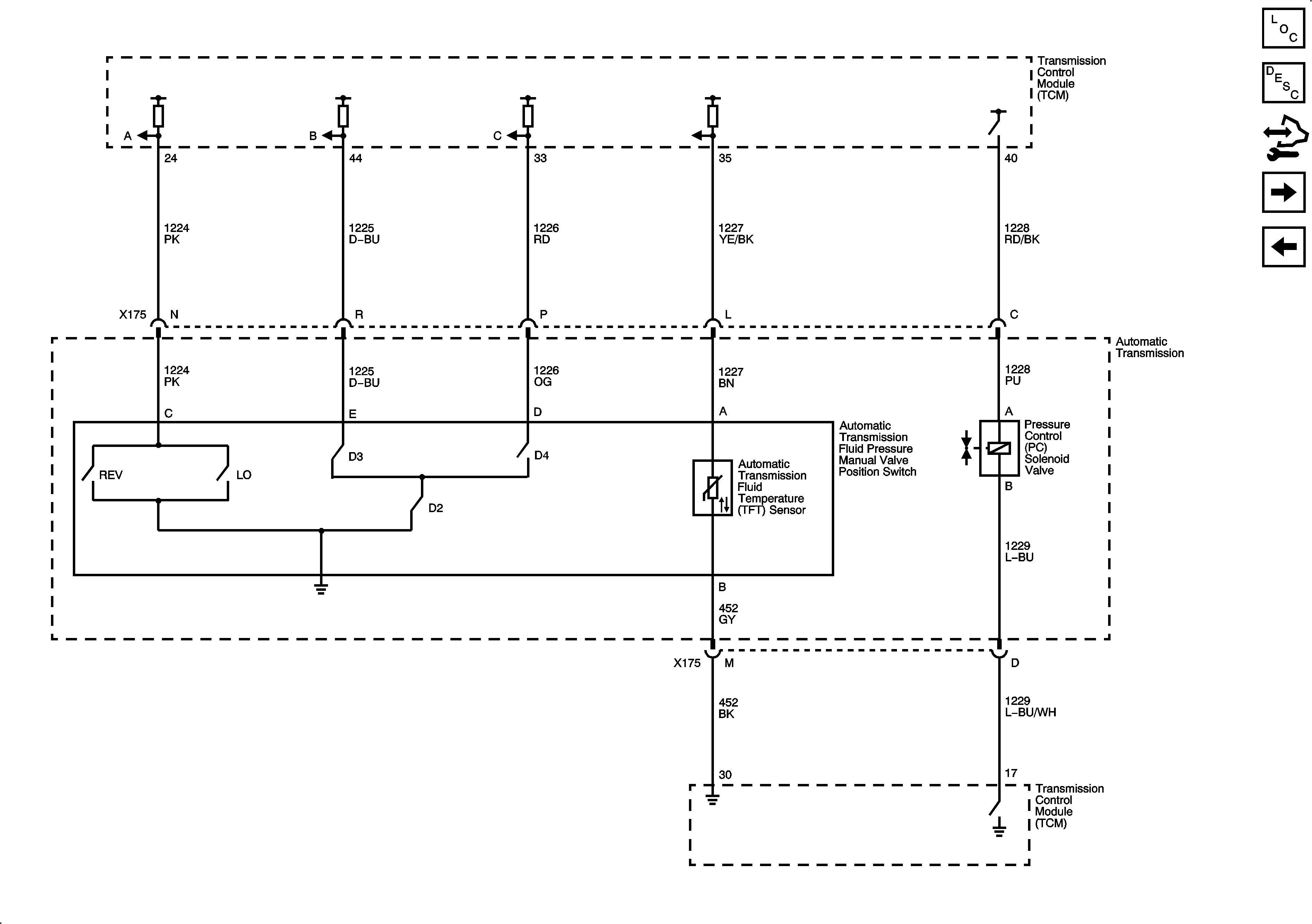
Figure 3:

Pressure and Temperature Controls


Object Number: 1911855  Size: FS
Master Electrical Component List
Transmission Component and System Description
Control Module References
PNP, VSS, and Tow/Haul Signals
Shift Controls
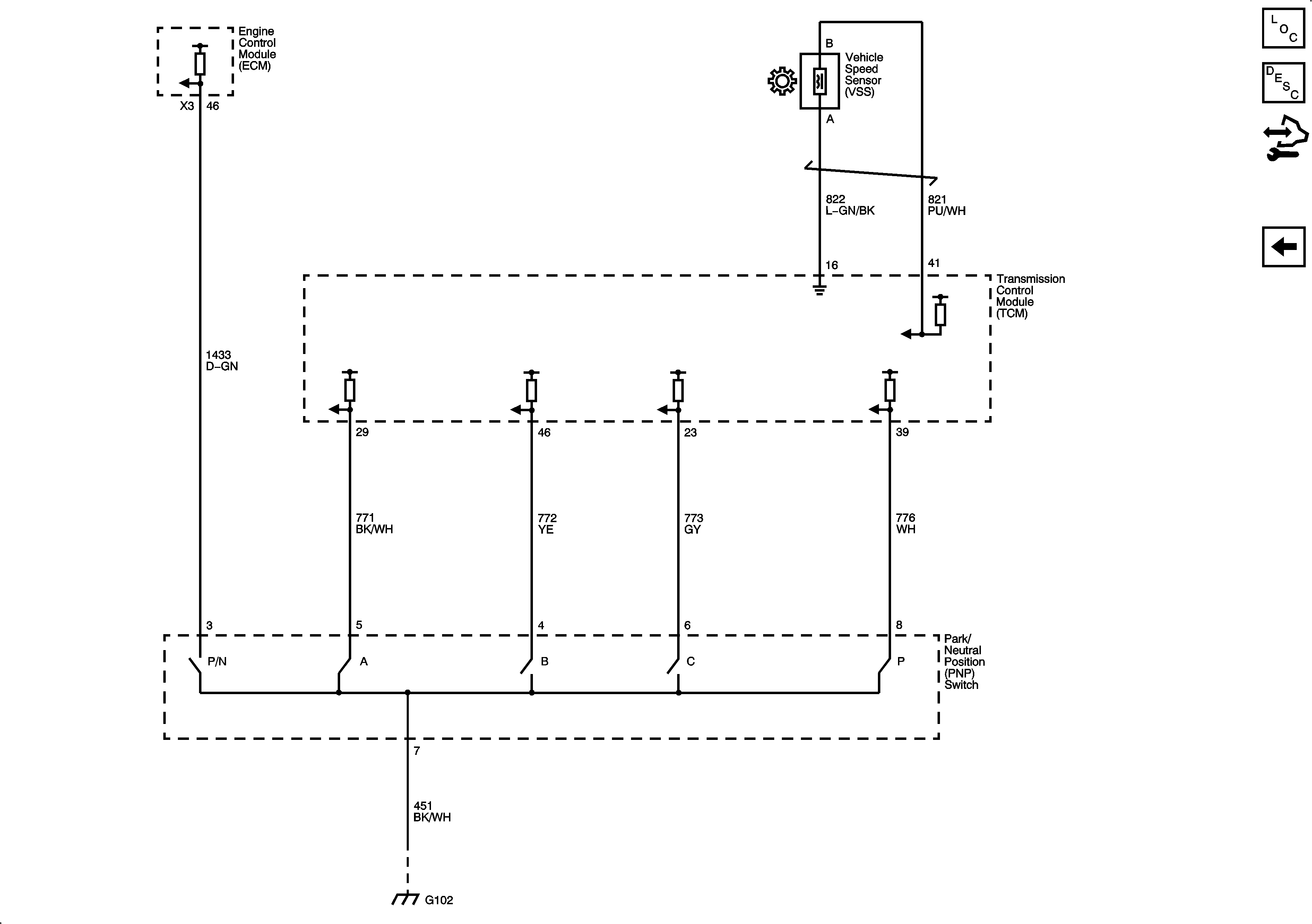
Figure 4:

PNP, VSS and Tow/Haul Signals


Object Number: 1911858  Size: FS
Master Electrical Component List
Transmission Component and System Description
Control Module References
Pressure and Temperature Controls