GM Service Manual Online
For 1990-2009 cars only

Removal Procedure

  1. Raise and support the vehicle. Refer to Lifting and Jacking the Vehicle .
  2. Drain the rear axle. Refer to Rear Axle Lubricant Replacement .

  3. Object Number: 1347765  Size: SH
  4. Remove the propeller shaft. Refer to Rear Propeller Shaft Replacement .

  5. Object Number: 1306332  Size: SH
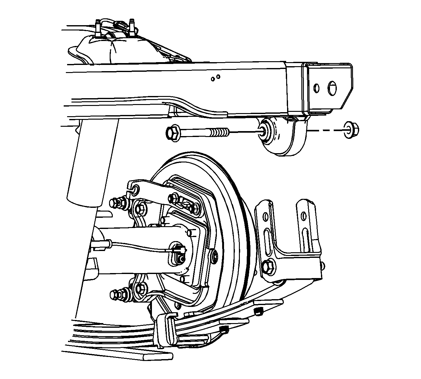
  6. Remove the retaining bolt for the park brake cables at the leaf springs.

  7. Object Number: 1557411  Size: SH

    Important: In the following service procedure, just remove the park brake cables from the actuators. The entire park brake cables DO NOT have to be removed.

  8. Remove the park brake cables from the actuators. Left side shown, right side similar.
  9. • For the left brake cable, refer to Parking Brake Rear Cable Replacement - Left Side .
    • For the right park brake cable, refer to Parking Brake Rear Cable Replacement - Right Side .

    Object Number: 1559385  Size: SH
  10. Remove the sway bar link from the frame. Refer to Stabilizer Shaft Link Replacement .

  11. Object Number: 1829844  Size: SH
  12. Remove the vent hose from the axle housing.

  13. Object Number: 1829805  Size: SH
  14. Disconnect the electrical connector for the electronic locking differential, if equipped.

  15. Object Number: 1829085  Size: SH
  16. Remove the retaining clips for the brake line.
  17. Remove the brake hoses from the brake pipes.

  18. Object Number: 1829579  Size: SH
  19. Remove the rear speed sensors retaining clips from frame.
  20. Disconnect the rear speed sensors.
  21. Support the rear drive axle with a transmission jack stand.

  22. Object Number: 941550  Size: SH
  23. Remove the lower shock absorber mounting bolts.

  24. Object Number: 941629  Size: SH
  25. Remove the U-bolt nuts.
  26. Remove the U-bolts from the rear axle housing.
  27. Remove the anchor plate.

  28. Object Number: 1829095  Size: SH
  29. Remove the rear leaf spring shackles.
  30. 18.1. Remove the shackle bolt and nut.
    18.2. Lower the leaf spring to allow enough clearance to remove of the rear drive axle.
    18.3. Support the leafs springs with jack stands.

    Object Number: 941584  Size: SH
  31. With the aid of an assistant and using a transmission jack stand and the remove the rear axle assembly from the vehicle.

Installation Procedure


    Object Number: 941584  Size: SH
  1. Using a transmission jack stand, and the aid of an assistant, position the read drive axle over the rear leaf springs.
  2. Notice: Refer to Fastener Notice in the Preface section.


    Object Number: 1829095  Size: SH
  3. Install the rear leaf spring shackles.
  4. Tighten
    Tighten the shackle bolt and nut to 85 N·m (63 lb ft).

  5. Remove the jack stands.

  6. Object Number: 941629  Size: SH
  7. Position the U-bolts on the rear axle housing.
  8. Position the anchor plates on the leaf springs.
  9. Notice: Refer to Fastener Notice in the Preface section.

  10. Install the U-bolt nuts.
  11. Tighten
    Tighten the nuts to 76 N·m (56 lb ft).

  12. Install the bottom shock absorber nut and bolt.
  13. Tighten
    Tighten the nuts to 95 N·m (70 lb ft).


    Object Number: 1829085  Size: SH

    Important: Always use a backup wrench when tightening the brake pipes.

  14. Install the brake pipes.
  15. Tighten
    Tighten the brake lines to 19 N·m (14 lb ft).

  16. Install the retaining clips for the brake line.

  17. Object Number: 1306332  Size: SH
  18. Install the retaining bolts for the park brake cables at the rear leaf springs.
  19. Tighten
    Tighten the nuts to 20 N·m (15 lb ft).


    Object Number: 1829579  Size: SH
  20. Install the rear speed sensors retainers in the frame. Refer to Rear Wheel Speed Sensor Replacement .
  21. Reconnect the speed sensor electrical connector.

  22. Object Number: 1829844  Size: SH
  23. Install the vent hose on the axle housing.

  24. Object Number: 1829805  Size: SH
  25. Reconnect the electrical connector for the electronic locking differential, if equipped.

  26. Object Number: 1559385  Size: SH
  27. Install the sway bar link to the frame. Refer to Stabilizer Shaft Link Replacement .
  28. Install the propeller shaft. Refer to Rear Propeller Shaft Replacement .
  29. Fill the rear axle housing with fluid. Refer to Rear Axle Lubricant Level Inspection .
  30. Remove the support stands.
  31. Lower the vehicle.