GM Service Manual Online
For 1990-2009 cars only
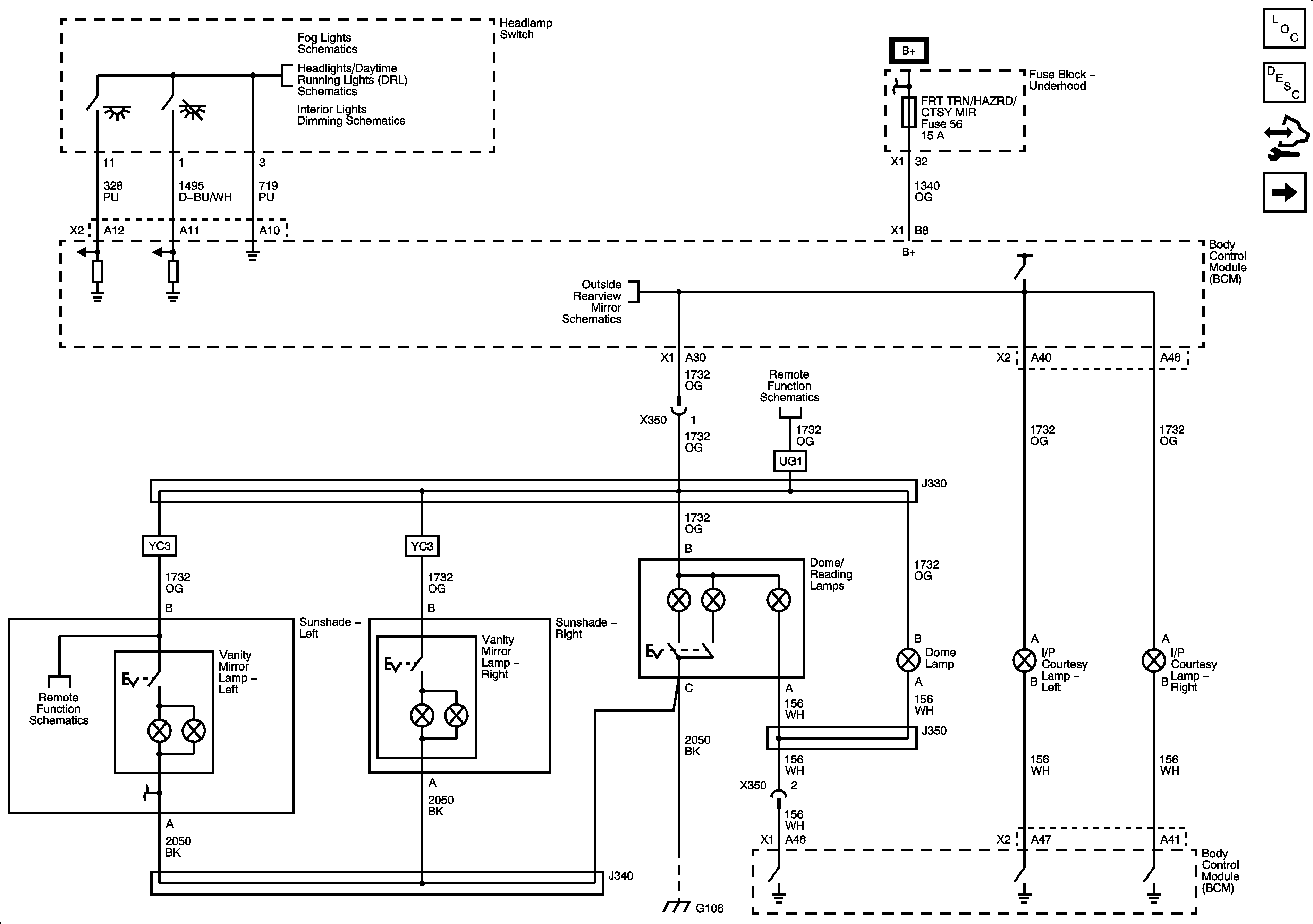
Figure 1:

Inadvertent Lamp Control


Object Number: 1911988  Size: FS
Master Electrical Component List
Interior Lighting Systems Description and Operation
Control Module References
Courtesy Lamp Controls - Left Hand Drive
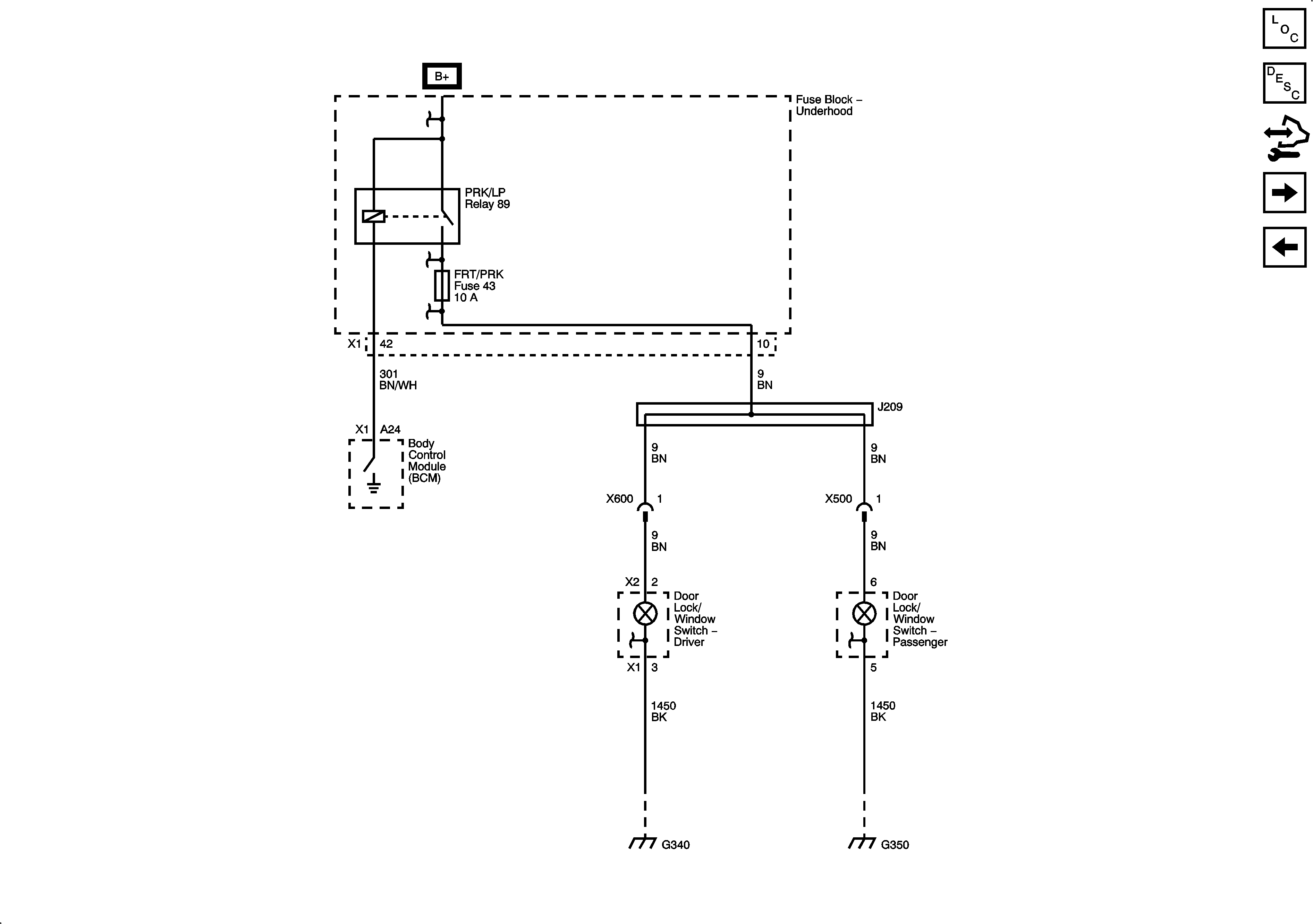
Figure 2:

Courtesy Lamp Control - Left Hand Drive


Object Number: 1911989  Size: FS
Master Electrical Component List
Interior Lighting Systems Description and Operation
Control Module References
Courtesy Lamp Controls - Right Hand Drive
Inadvertent Lamp Control
Figure 3:

Courtesy Lamp Control - Right Hand Drive


Object Number: 1911990  Size: FS
Master Electrical Component List
Interior Lighting Systems Description and Operation
Control Module References
Courtesy Lamp Controls - Left Hand Drive