GM Service Manual Online
For 1990-2009 cars only
Figure 1:

Power, Ground, and Serial Data


Object Number: 1911945  Size: FS
Master Electrical Component List
Radio/Audio System Description and Operation
Control Module References
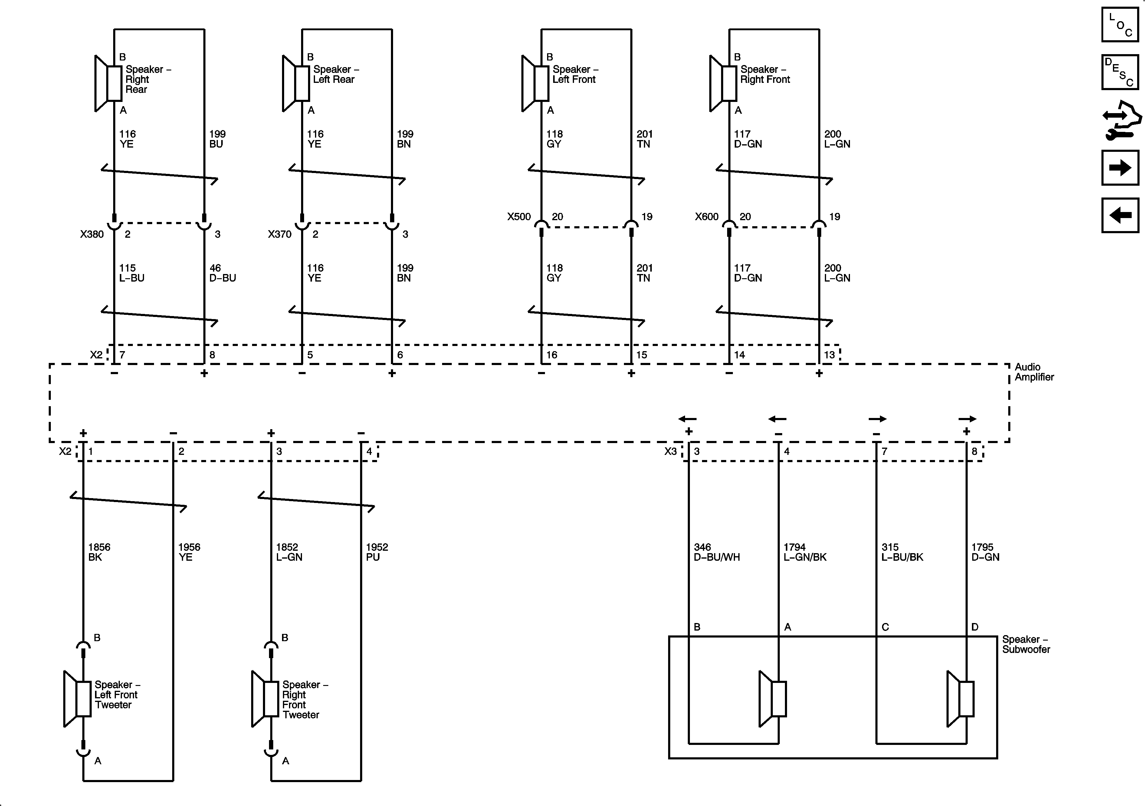
Speakers - UQ3
Figure 2:

Speakers - UQ3


Object Number: 1911946  Size: FS
Master Electrical Component List
Radio/Audio System Description and Operation
Control Module References
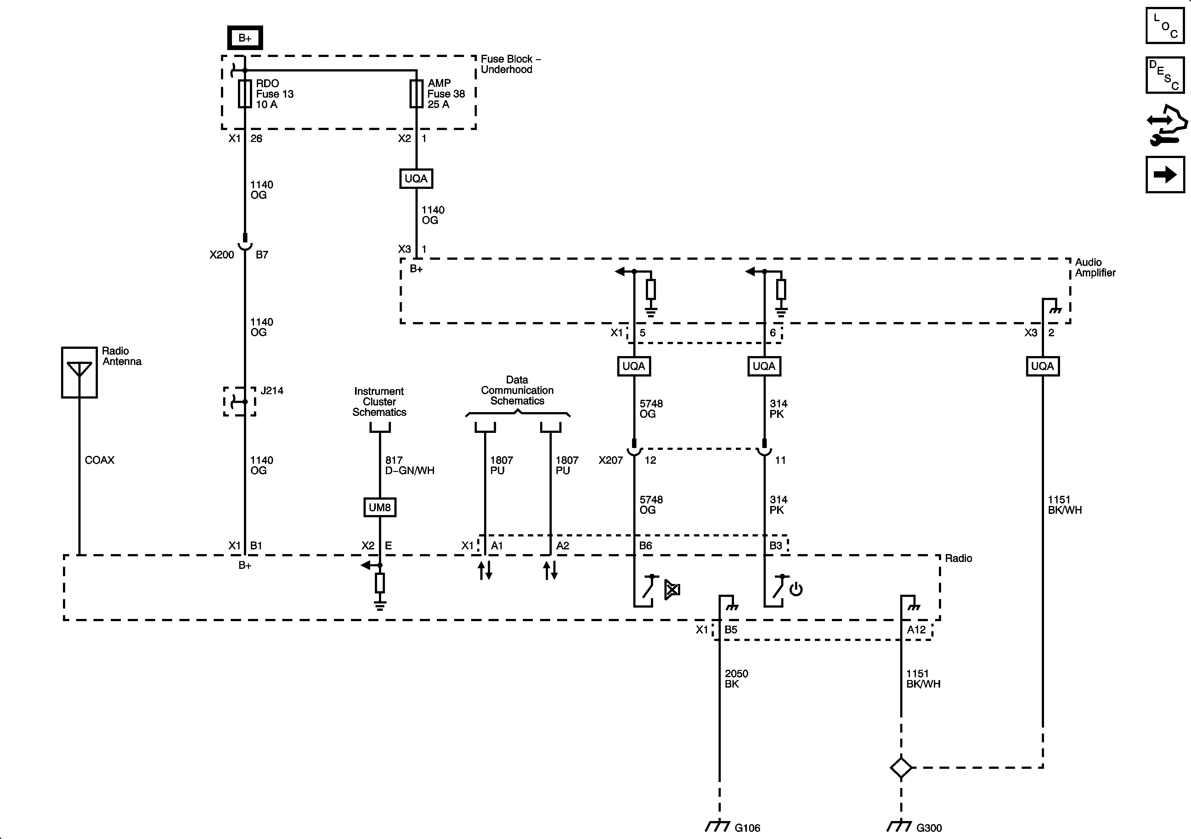
Amplifier Inputs - UQA
Power, Ground, and Serial Data
Figure 3:

Amplifier Inputs - UQA


Object Number: 1911947  Size: FS
Master Electrical Component List
Radio/Audio System Description and Operation
Control Module References
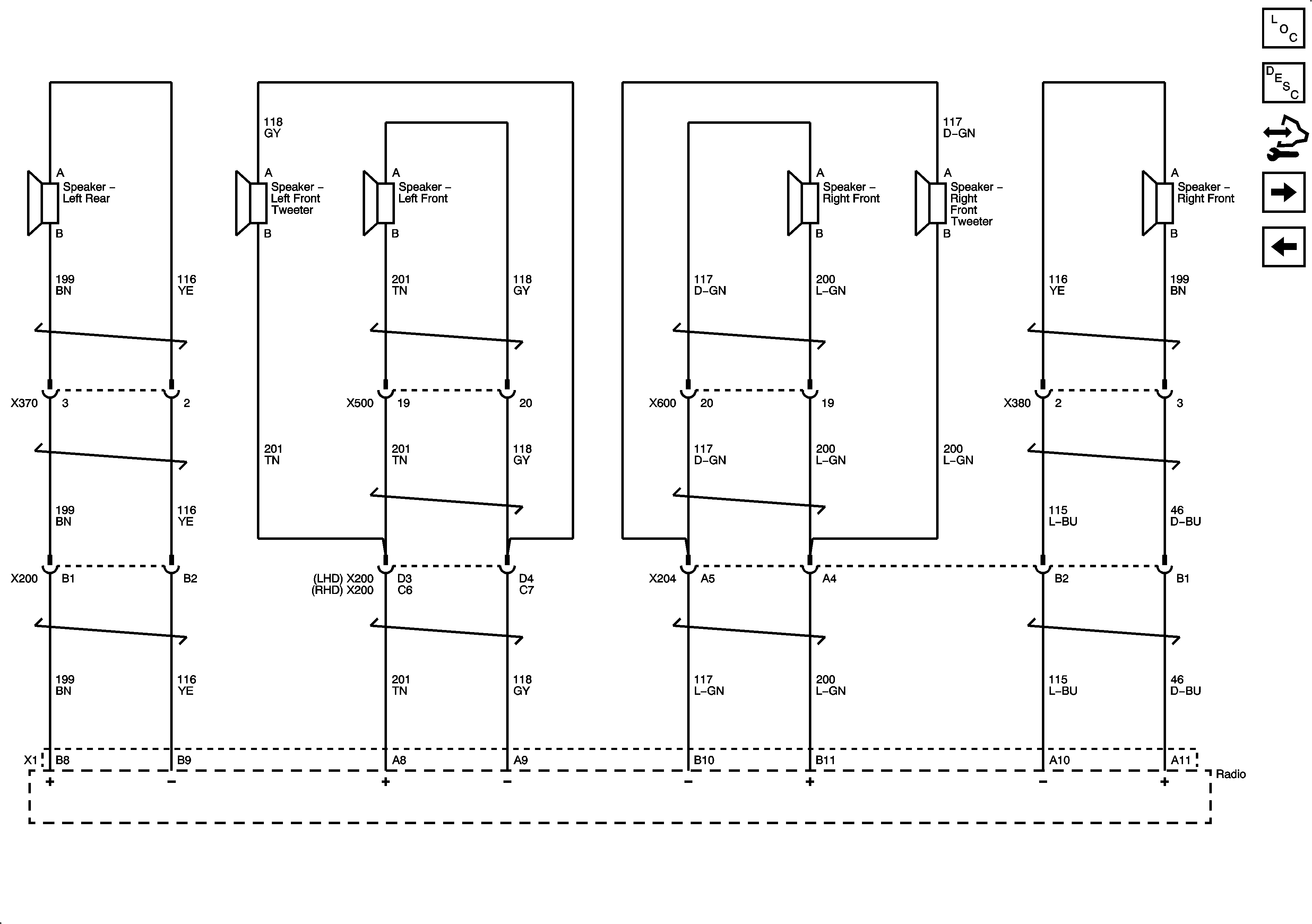
Speakers - UQA
Speakers - UQ3
Figure 4:

Speakers - UQS


Object Number: 1911948  Size: FS
Master Electrical Component List
Radio/Audio System Description and Operation
Control Module References
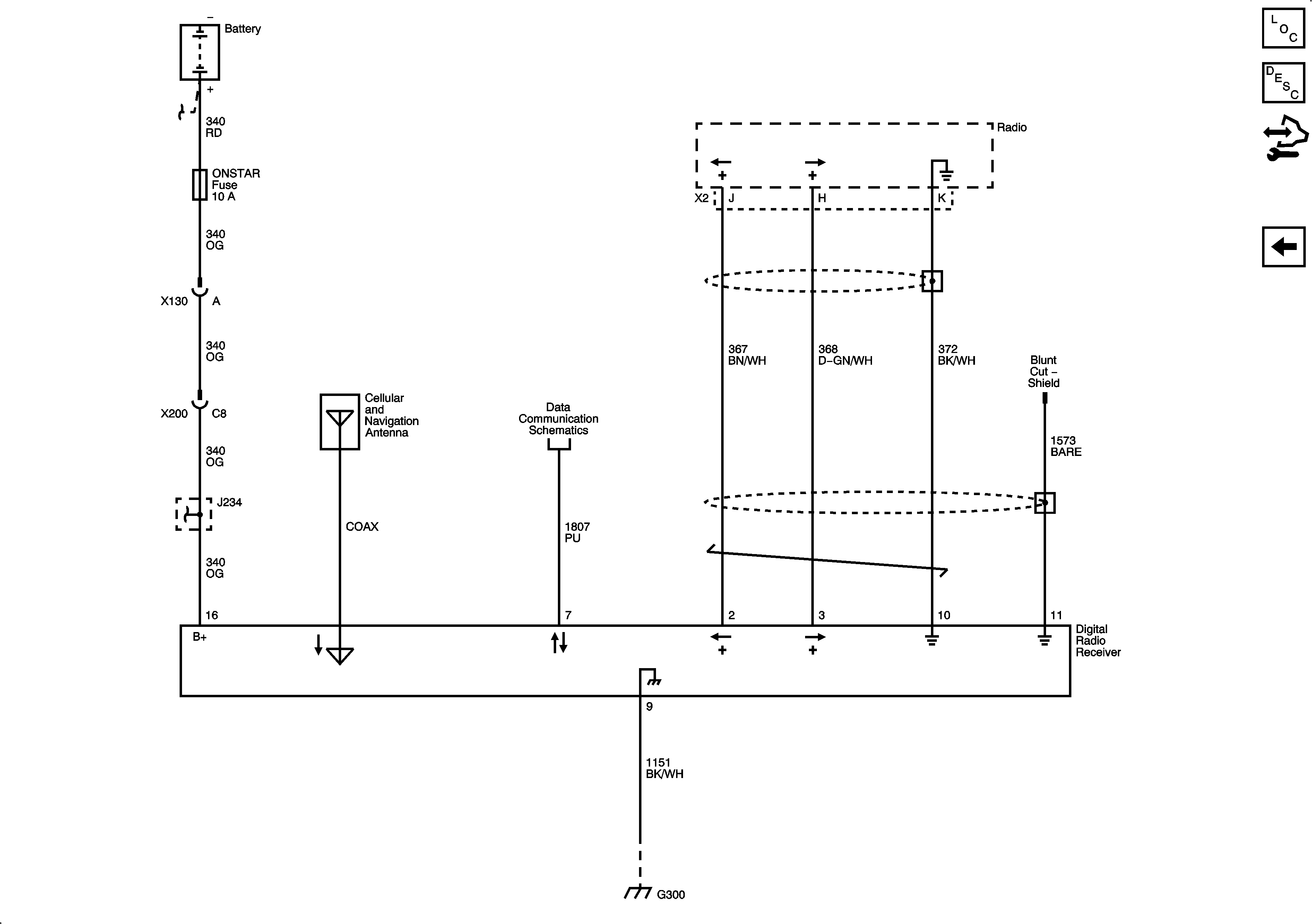
Digital Radio Recevier - U2K
Amplifier Inputs - UQA
Figure 5:

Digital Radio Receiver - U2K


Object Number: 1911950  Size: FS
Master Electrical Component List
Radio/Audio System Description and Operation
Control Module References
Speakers - UQA